西门子S7-1200PLC官方详解
目录
1. 组织块 —— 对应 Java 的 main 方法 / 线程 / 中断处理器
4. 数据块 —— 对应 Java 的 POJO / 结构体 / Map
2.随想C# 和 java 哪个调用西门子S71200PLC会更合适

S7-1200PLC工作原理

CPU工作模式

什么时候上电启动?什么时候上电停止?
CPU属性——>常规——>启动

CPU启动过程

CPU运行过程

中断工作过程


S7-1200PLC支持的数据类型
基本数据类型



复杂数据类型(字符串数据类型,日期时间结构,结构体,数组)







PLC数据类型


VARIANT
系统数据类型
硬件数据类型

S7-1200PLC数据的存取方式

位、字节、字、双字的定义




数据存储举例





S7-1200PLC存储区的寻址方式
S7-1200存储区
Slice访问(片段访问)
AT访问
强制和保持性




Slice访问(片段访问)
AT访问

强制和保持性
1.随想S7-1200PLC程序结构与Java关系
1. 组织块 —— 对应 Java 的 main 方法 / 线程 / 中断处理器
组织块是操作系统与用户程序之间的接口,决定了程序的调用条件、执行周期和优先级。
-
OB1(主循环组织块):对应 Java 的
public static void main(String[] args)。这是程序的入口点,CPU 在启动后进入循环执行 OB1 中的代码。 -
循环中断组织块(如 OB30):对应 Java 的
ScheduledExecutorService或@Scheduled注解。它按固定时间间隔执行任务,常用于需要严格周期控制的逻辑(如 PID 调节)。 -
硬件中断组织块:对应 Java 的 硬件中断处理或 回调函数。类似于在图形界面编程中的
onClick事件,当物理信号(如传感器触发)变化时立即打断当前循环去执行。
2. 函数 —— 对应 Java 的静态方法
函数 是没有背景数据块的代码块。它执行特定逻辑,所有的临时变量在执行完毕后释放。
-
对应关系:FC 基本等同于 Java 中的
public static方法。 -
特点:
-
输入/输出完全通过参数传递。
-
没有“记忆”,每次调用都是全新的执行。
-
不支持继承和多态。Java 中的静态方法也不能被重写(Override),这一点在“静态”特性上是相似的。
-
3. 函数块 —— 对应 Java 的类(实例)
函数块 是有“记忆”的代码块。它拥有配套的背景数据块用于存储实例数据。
-
对应关系:FB 相当于 Java 中的
Class。 -
背景数据块:相当于 Java 中
new出来的实例对象。-
如果你在 OB1 中调用同一个 FB 两次,并关联两个不同的背景 DB,就相当于在 Java 中实例化了两个不同的对象。它们拥有各自独立的属性值(如电机 A 的速度、电机 B 的速度)。
-
4. 数据块 —— 对应 Java 的 POJO / 结构体 / Map
数据块 是用于存储数据的容器。
-
全局数据块:对应 Java 中的
Map<String, Object>或者public static全局变量。但更优雅的类比是 POJO 类的实例——你定义一个结构(如“电机参数”结构),然后实例化这个数据块来存储具体的值。 -
PLC 数据类型(UDT):对应 Java 中的
Class(仅属性定义)。它定义数据的结构,可以被多个 DB 或 FB 接口复用。
5. 核心语法差异:并发与“永远为真”的循环
在理解对应关系时,有一个架构层面的显著差异需要注意:
| 特性 | S7-1200 (PLC) | Java |
|---|---|---|
| 执行模型 | 循环扫描。CPU 从 OB1 第一行执行到最后一行,然后循环回到开头,周而复始。 | 阻塞/事件驱动。程序启动后通常等待用户输入、网络请求或线程调度。 |
| 并发 | 确定性。虽然有多优先级(OB块),但不存在传统意义上的“多线程抢占”。高优先级中断可以打断低优先级,但开发者无需处理锁机制(除了处理中断重入问题)。 | 多线程。高并发下需要使用 synchronized、Lock 等机制保证线程安全。 |
| 数据类型 | 强类型,但更偏向硬件(Bool, Word, Int, Time)。不支持泛型。 |
强类型,支持面向对象的泛型、接口、抽象类。 |
总结类比表
| S7-1200 (TIA Portal) | Java 对应概念 | 说明 |
|---|---|---|
| OB (组织块) | main / Thread / 中断回调 |
程序的入口和调度单元。 |
| FC (函数) | public static 方法 |
无状态,逻辑复用,参数传递。 |
| FB (函数块) | Class (类) |
有状态,通过“背景数据块(实例)”存储数据,实现封装。 |
| DB (数据块) | 对象实例 / 结构体 | 数据的物理存储载体。 |
| UDT (用户自定义类型) | class 定义 |
数据结构的模板。 |
编程思想上的对应:
如果你习惯 Java 的面向对象编程,在编写 S7-1200 程序时,可以倾向于将 FB 视为“类”:把设备(如阀门、电机、驱动器)封装在 FB 中,内部包含该设备的逻辑方法,外部通过输入输出接口交互。这种做法在西门子生态中被称为 “模块化编程” ,与 Java 的面向对象思想在封装性和复用性上异曲同工。
S7-1200PLC程序结构


程序组成






程序执行顺序
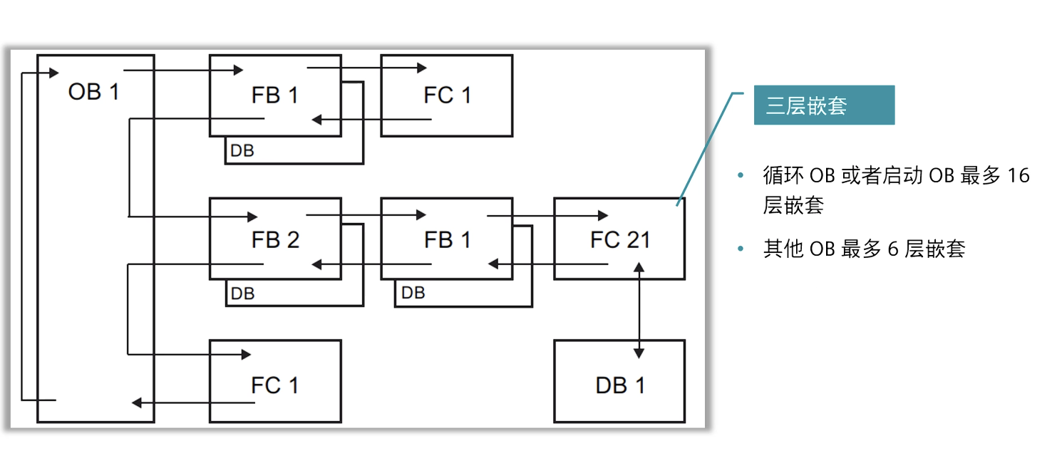
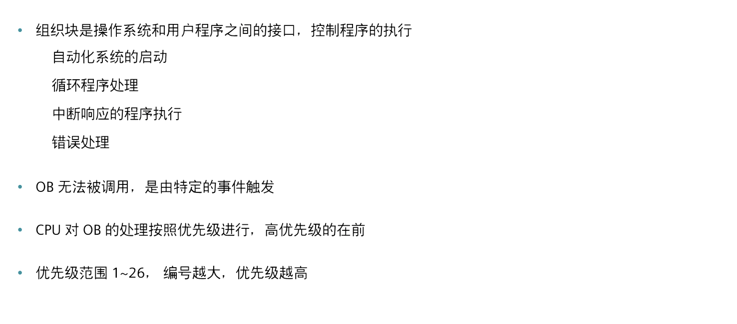
S7-1200PLC OB块






常用的OB组织块












不触发组织块启动的事件
S7-1200PLC DB块
DB块的分类




DB块的编辑





DB块属性





S7-1200PLC局部变量用法

局部变量声明


局部变量寻址
2.随想C# 和 java 哪个调用西门子S71200PLC会更合适
从纯技术实现的角度看,C# 调用西门子 S7-1200 PLC 会更合适、更直接。
这主要是因为 C# 在工控领域的生态积累非常深厚,而 Java 虽然也能实现,但往往需要额外的适配工作。下面我帮你拆解一下具体原因。
🔷 C# 的优势:生态完善,开箱即用
C# 与西门子 PLC 的组合,是工控领域的"黄金搭档",主要优势体现在以下几点:
| 对比维度 | C# | Java |
|---|---|---|
| S7 通信库生态 | 生态非常成熟,有多个稳定、易用的开源库,如 S7.Net 、Sharp7 和跨平台的 Snap7 。 | 主流方案依赖 Snap7 的 Java 封装 (通过 JNI 调用),增加了部署的复杂性和潜在的不稳定性。 |
| Modbus TCP 支持 | 有大量开箱即用的库,如 EasyModbus, NModbus4 等,NuGet 包管理器集成度很高。 | 需要引入第三方库(如 Modbus4J),整体生态不如 C# 活跃。 |
| OPC UA 支持 | 可使用官方或社区提供的 SDK,与 .NET 框架集成良好。 | 同样需要依赖第三方库(如 Eclipse Milo),虽然可以实现,但社区支持力度稍弱。 |
| 开发体验 | 与 TIA Portal(西门子编程软件)同属 Windows 生态,地址映射(如 DB1.DBX0.0)直观。 | 需处理 JNI 桥接(若用 Snap7)或更复杂的字节序对齐问题,上手门槛略高。 |
☕ Java 的定位:跨平台与系统集成
Java 的优势不在于"直接连 PLC",而在于作为上层企业级系统的集成枢纽。比如,当需要将 PLC 数据直接写入 MySQL、Redis,或通过 Kafka 将数据推送至云端、MES、ERP 等系统时,Java 强大的生态系统(Spring Boot/Hibernate)就派上了用场。
简单来说:
-
如果你开发的是一个运行在 Windows 工业电脑上的上位机监控软件 (SCADA/HMI),C# 是首选。它封装完善,开发速度快,社区案例多,遇到问题更容易找到解决方案。
-
如果你的项目是一个跨平台的边缘网关(如运行在 Linux 上),或者需要将 PLC 数据直接整合进一个复杂的企业级 Java 后端系统,那么用 Java 也是完全可行的,特别是通过 OPC UA 这种跨平台的标准协议。
✅ 选择决策参考
你可以根据以下流程快速判断:
-
看运行环境:如果是 Windows PC,首选 C#;如果是 Linux/ARM 等设备,可考虑 Java 或 C# (借助 .NET Core)。
-
看开发目的:专注开发工业上位机软件,C# 是行业主流;作为后端服务整合 IT 与 OT 系统,两者均可,Java 在大数据量处理上更有经验。
-
看通信协议:优先使用 S7 协议 (配合 S7.Net) 或 Modbus TCP。两者都支持这些协议,但 C# 的实现库更"顺手"。
💡 一个关键的前置配置
无论你最终选择哪种语言,PLC 侧都需要进行一项关键配置:在 TIA Portal 中,必须勾选"允许来自远程对象的 PUT/GET 通信访问"。对于 S7-1200/1500 系列,这一步是必须的,否则上位机将无法建立连接
S7-1200PLC标准化编程的结构
线性化编程
模块化编程


结构化编程
S7-1200PLC变量表













S7-1200PLC监控表







S7-1200PLC强制表
S7-1200PLC设置CPU属性
S7-1200PLC新建/下载/上传项目的方法
略
S7-1200PLC在线和诊断查看信息的方法





S7-1200PLC另存诊断缓冲区和服务数据的方法
诊断缓冲区







保存服务数据
S7-1200PLC在线和诊断设置功能
3.随想TIA Portal 工具链的完整性和底层逻辑
TIA Portal 的“完整性”体现在它将 PLC、HMI、驱动等所有自动化组件整合在同一个工程框架下,实现了数据的高度统一和协同工作。其“底层逻辑”则围绕一个核心理念展开:通过一个公共的数据库,确保项目中的所有配置、编程和诊断都基于同一份数据,从而保证一致性并消除接口冲突。
🧩 完整性:超越单一编程工具的全集成平台
TIA Portal 的“完整性”不只意味着它能做很多事,更在于它把所有事无缝地连接在一起。
-
统一的硬件与软件配置:无论是配置PLC的I/O模块、设计HMI的画面,还是设置驱动的参数,所有操作都在同一个工程界面中完成,无需在多个独立软件间切换。
-
全集成编程语言:工具链完整地集成了自动化所需的多种编程语言。你可以在一个项目中,根据控制需求灵活地混合使用:
-
LAD (梯形图) 和 FBD (功能块图):适用于逻辑控制,图形化界面直观易懂。
-
SCL (结构化文本):类似Pascal的高级语言,擅长处理复杂算法和数学运算。
-
GRAPH:用于顺序控制,以流程图的方式编程,清晰展示状态机逻辑。
-
CEM (因果矩阵):一种较新的语言,非常适合处理输入与输出之间复杂的逻辑映射关系。
-
-
贯穿项目生命周期的工具链:完整性的体现从项目开始贯穿到结束,包括统一的库概念(便于标准化和复用代码)、集成的在线诊断和仿真功能,让你在开发阶段就能测试和优化程序。
⚙️ 底层逻辑:以公共数据模型为核心的协同与复用
TIA Portal强大的底层逻辑可以概括为“一个平台,一个数据源,协同工作”。其核心理念就是公共数据库。这意味着项目中所有硬件配置、PLC变量、HMI标签、通信定义等信息都存储在一个中央数据库中。当你修改PLC中的一个变量名时,HMI中引用的该变量会自动更新,无需手动重新链接。
基于这个核心,底层逻辑又具体体现在以下几个方面:
-
统一的工程框架
所有的工程任务——从硬件组态到程序编写,再到HMI设计——都在同一个界面、同一个项目树结构下完成,学习成本降低,工作效率显著提升。 -
面向对象与层次化的数据管理
项目中的对象(如PLC、电机、阀门)之间存在清晰的调用结构和依赖关系。这背后是一套面向对象的逻辑:你可以创建如“电机”这样的用户自定义数据类型(UDT)或函数块(FB),将其所有属性(启动、停止、速度、故障等)封装在一起。之后每添加一台新电机,只需基于这个“模板”生成一个“实例”即可,无需重复编写底层代码。 -
基于库的标准化与复用
公共数据库的终极目标是复用。TIA Portal提供了强大的库功能作为其底层逻辑的承载者:-
项目库:存储在单个项目内,用于管理该项目中的标准代码片段。
-
全局库:可跨项目、甚至在整个公司范围内使用,是企业技术资产沉淀和标准化实施的关键。
-
像西门子官方或第三方的基本过程库(LBP),就是基于此逻辑,提供了大量经过测试、可直接调用的标准化功能块(如电机控制、PID调节、模拟量处理等),极大地减少了重复编程和测试的工作量。
-
-
无缝协同与数据一致性
这种逻辑直接消除了传统自动化工程中最大的痛点——数据不一致。因为所有组件共享同一个数据库,所以PLC和HMI之间的通信无需手动创建连接,系统诊断信息也可以直接显示在任何HMI上,无需编写额外代码。
TIA Portal的“完整性”构建在“公共数据库”这一底层逻辑之上,通过统一平台、面向对象设计、标准化库和组件间无缝协同,彻底改变了传统自动化工程中数据孤立、工具分散的局面。
4.随想S7-1200PLC不同编程语言之间的配合使用
PLC编程中,没有哪一种语言能完美适用于所有任务。混合使用多种编程语言,发挥各自优势,是高效开发复杂自动化项目的关键。
这并非简单的“选择”,而是基于任务特性的“协同”。主流PLC(如西门子、罗克韦尔、倍福、CODESYS平台)均支持在同一个项目中,为不同的程序组织单元(POU)分配不同的编程语言。
以下是几种典型的配合使用场景与策略:
一、 核心原则:分而治之,各司其职
-
梯形图:擅长逻辑控制。对于起保停电路、互锁、急停、继电器逻辑等离散量控制,直观且便于电气维护人员现场排查。
-
结构化文本:擅长算法与数据处理。对于复杂的数学运算、PID调节、数组/结构体遍历、字符串处理、通信协议解析,代码密度高、可读性强。
-
功能块图:擅长信号流与过程控制。适合模拟量处理、连续控制、逻辑链清晰的生产线,能直观体现输入到输出的流向。
-
顺序功能图:擅长流程管理。用于单轴或多轴的动作序列、配方步骤,它将复杂的逻辑分解为步、转换条件和动作,避免在梯形图中使用大量步进触点导致的混乱。
二、 典型配合场景
1. 底层驱动与顶层算法
-
底层(梯形图/功能块图):负责设备级的硬件交互。例如,编写电机启动功能块,包含硬件触点滤波、互锁逻辑、故障复位、本地/远程切换。这部分逻辑需要处理大量“与或非”和互锁,梯形图最直观。
-
顶层(结构化文本):负责策略级计算。例如,在多台电机协同工作时,在结构化文本中计算哪一台电机该以何种频率运行,然后将计算结果(布尔量或模拟量)直接“赋值”给底层功能块的输入引脚。
2. 流程控制中的混合模式
在处理复杂工艺流程(如灌装机、检测站)时,顺序功能图作为“骨架”非常清晰:
-
在顺序功能图的Step(步) 中,调用用梯形图或功能块图编写的动作。
-
在Transition(转换条件) 中,既可以写简单的开关量,也可以调用一段用结构化文本编写的复杂条件函数(如“温度稳定在±0.5度且持续3秒”的算法)。
3. 面向对象的模块化封装
现代PLC编程(特别是基于CODESYS或西门子SCL)支持面向对象思想。
-
使用结构化文本创建功能块。
-
在这个功能块内部,混用多种语言。例如,创建一个“阀岛控制”功能块:
-
接口部分:使用结构化文本定义输入输出参数。
-
算法部分:内部逻辑使用结构化文本处理诊断数据、计时、计数。
-
实例化:在组织块中,像使用硬件一样实例化这个功能块,然后在梯形图中通过“线圈”调用它的实例,这既保留了模块化,又符合电气工程师的阅读习惯。
-
三、 具体实现方式(以主流平台为例)
1. 西门子 Portal (TIA) 平台
-
组织块:通常使用梯形图或结构化文本作为主程序。
-
函数与功能块:
-
逻辑互锁类:使用梯形图。
-
计算/数据处理类:使用 SCL(结构化文本)。
-
混合调用:在SCL程序中,可以直接输入梯形图风格的功能块名并赋值(如
MyMotor(Start:= True, Speed:= 50););在梯形图中,也可以用“CALL”指令调用SCL编写的函数。
-
2. CODESYS 平台
-
动作与方法的分离:CODESYS允许一个功能块拥有多种实现方式。
-
功能块的主体可能用结构化文本定义变量。
-
该功能块下的“动作”可以分别用梯形图、功能块图或顺序功能图编写。
-
在顺序功能图的步中,可以直接关联这些不同语言的“动作”,实现逻辑与流程的完美隔离。
-
四、 配合时的注意事项
-
性能考量
-
结构化文本在执行复杂数学运算和循环时效率高,但在处理大量离散量“与或非”时,编译后的执行效率可能略低于梯形图(视编译器优化程度而定)。对于中断组织块中极高速的硬逻辑,梯形图有时更稳妥。
-
-
可维护性
-
避免“炫技”。如果团队以电气维护人员为主,核心逻辑应尽量使用梯形图。
-
如果使用结构化文本,务必写注释,并且避免使用过于复杂的指针或嵌套。结构化文本的调试难度通常高于梯形图,因为无法像梯形图那样直观看到触点的“导通”状态。
-
-
数据一致性与命名规范
-
无论使用哪种语言,数据接口必须统一。建议采用匈牙利命名法或类似规范,明确区分输入、输出、中间变量、全局变量等。
-
在结构化文本中修改全局变量时,要留意梯形图程序是否同时在扫描该变量,避免出现数据竞争。
-
五、 总结
最高效的PLC程序,往往是“梯形图做壳,文本做核,流程用图”。
-
外层/组织:用梯形图或顺序功能图搭建程序框架,方便现场人员监控流程走向。
-
内层/算法:用结构化文本封装复杂的数学、通信、数组处理逻辑。
-
底层/封装:用功能块图或梯形图制作标准化的功能块,实现高内聚、低耦合。
这种配合方式既能保证代码的执行效率,又能兼顾不同背景工程师的维护需求,最终提升整个自动化系统的稳定性和可扩展性。
AtomGit 是由开放原子开源基金会联合 CSDN 等生态伙伴共同推出的新一代开源与人工智能协作平台。平台坚持“开放、中立、公益”的理念,把代码托管、模型共享、数据集托管、智能体开发体验和算力服务整合在一起,为开发者提供从开发、训练到部署的一站式体验。
更多推荐




































所有评论(0)