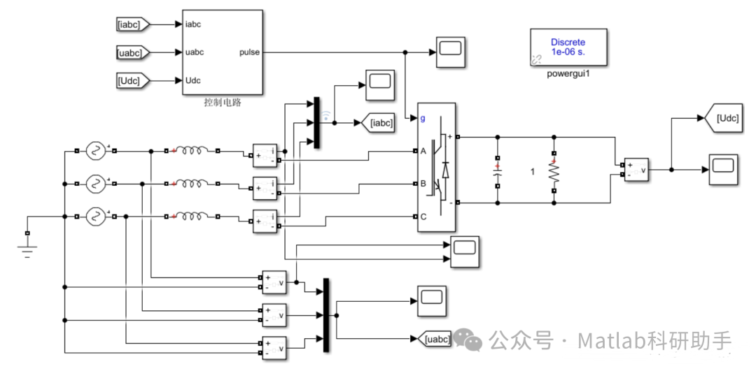
三相PWM整流器有限集模型预测电流控制Simulink仿真模型
✅作者简介:热爱科研的Matlab仿真开发者,擅长数据处理、建模仿真、程序设计、完整代码获取、论文复现及科研仿真。
🍎 往期回顾关注个人主页:Matlab科研工作室
🍊个人信条:格物致知,完整Matlab代码及仿真咨询内容私信。
🔥 内容介绍
在现代电力电子技术领域,三相PWM整流器作为交流与直流电能转换的核心装置,广泛应用于可再生能源并网、电动汽车充电、工业驱动等场景,其控制性能直接决定了电能转换的效率、功率因数及电能质量。有限集模型预测电流控制(Finite Control Set Model Predictive Current Control, FCS-MPCC)作为模型预测控制(MPC)的重要分支,凭借无需额外调制环节、动态响应快速、易于处理多目标约束等优势,成为三相PWM整流器控制领域的研究热点,有效解决了传统PI控制鲁棒性差、动态响应滞后等问题。
一、三相PWM整流器基础原理与拓扑结构
1.1 核心拓扑结构
三相PWM整流器主流采用电压源型拓扑,核心组件包括三相桥式电路(由6个IGBT或MOSFET开关管及反并联二极管组成)、交流侧滤波电感、直流侧滤波电容及负载构成,其典型拓扑流程为:三相电源→L/R滤波→三相桥臂→C滤波→直流负载。其中,开关管负责控制交流侧电压波形,电感用于抑制电流谐波,电容则起到稳定直流侧输出电压的作用,共同实现交流电能到直流电能的高效转换。
1.2 工作原理与控制需求
三相PWM整流器的核心功能包括三大方面:一是功率因数校正(PFC),通过控制网侧电流与电压同相位,实现单位功率因数运行,减少无功损耗;二是直流侧电压调节,根据负载需求稳定输出直流电压;三是电网电流谐波抑制,通过高频开关动作减小电流谐波成分,满足电网谐波标准。传统控制方法(如滞环控制、电压定向控制)存在开关频率不固定、控制结构复杂等缺陷,而FCS-MPCC通过离散化控制逻辑,有效弥补了这些不足。

二、有限集模型预测电流控制(FCS-MPCC)核心原理
2.1 核心思想
FCS-MPCC的核心逻辑是利用电力电子器件的有限开关状态,结合系统数学模型预测下一时刻的电流响应,通过预设的价值函数(成本函数)评估所有可能的开关状态,选择最优开关状态应用于下一控制周期,实现滚动优化控制。对于三相两电平PWM整流器,其6个开关管的通断组合共产生8种开关状态,对应6个有源电压矢量和2个零电压矢量,这8种状态构成了有限控制集,也是预测与优化的基础。

三、FCS-MPCC的优势与应用挑战
3.1 核心优势
与传统控制方法相比,FCS-MPCC在三相PWM整流器控制中展现出显著优势:
-
动态响应快速:无需经过调制环节,直接输出开关信号,能够快速跟踪电流参考值,在负载突变、电网电压波动等瞬态场景下表现优异,动态响应时间可控制在2ms以内。
-
控制结构简洁:无需额外的PWM调制器,直接通过开关状态枚举与优化实现控制,简化了控制系统的设计与实现难度,降低了硬件成本。
-
多目标约束易实现:可在价值函数中灵活加入直流侧电压稳定、开关损耗最小化、电流谐波抑制等约束项,通过调整权重系数实现多目标优化,适配不同应用场景需求。
-
鲁棒性较强:预测时间步长较短,对模型参数的微小偏差具有一定的适应能力,同时可通过参数辨识技术进一步提升鲁棒性,应对电网电压波动、负载变化等复杂工况。
3.2 主要应用挑战
尽管FCS-MPCC具有诸多优势,但在实际工程应用中仍面临以下挑战:
-
计算量较大:需遍历8种开关状态并完成预测与价值函数计算,对控制器的实时计算能力提出较高要求,尤其在多步预测或多目标控制场景下,计算负担会显著增加。
-
开关频率不固定:由于每个控制周期均选择最优开关状态,导致开关频率随工况变化而波动,不利于滤波环节的设计,且可能增加开关损耗。
-
稳态电流纹波较大:离散开关状态的局限性导致电流无法实现连续调节,尤其在低采样频率下,电流纹波较为明显,影响电能质量,通常表现为电流总谐波畸变率(THD)偏高。
-
模型依赖性强:控制性能依赖于系统数学模型的准确性,当电感、电阻等参数发生变化或存在测量误差时,会导致预测偏差,影响控制精度。
四、FCS-MPCC的改进策略
针对上述挑战,国内外学者提出了多种改进方案,兼顾控制精度、实时性与稳态性能,主要分为以下四类:
4.1 降低计算量的改进方法
通过优化开关状态枚举策略,减少无需评估的开关状态,降低计算负担。例如,采用剪枝算法、启发式搜索等方法,根据当前电流误差方向,排除明显非最优的开关状态,将需评估的状态数量从8种减少至3~4种;此外,采用多核并行计算架构,将预测、价值函数计算等步骤拆分至多核处理器,有效降低计算时延,提升实时性。
4.2 改善稳态性能的改进方法
核心是减小电流纹波、降低THD,主要方法包括:一是扩展控制集,通过离散空间矢量调制(DSVM)将电压矢量从8种扩展至25种,实现电流的精细化调节,在采样频率降至5kHz时,电流THD仍低于传统FCS-MPCC(10kHz);二是采用双矢量或多矢量控制,在一个控制周期内施加两个或多个开关矢量,通过调节矢量作用时间,优化电流波形,相较于单矢量控制,可使电流THD降低40%以上;三是优化价值函数,加入电流纹波惩罚项,抑制纹波产生。
4.3 固定开关频率的改进方法
通过引入虚拟电压矢量、电压矢量排序等技术,将连续控制思想与FCS-MPCC结合,实现开关频率的固定。例如,采用模型预测脉冲宽度调制(MP-PWM),在预测最优开关状态的同时,控制开关动作的时间,使开关频率保持恒定,兼顾动态响应与滤波设计需求,解决开关频率波动带来的工程应用难题。
4.4 提升鲁棒性的改进方法
针对模型参数敏感性问题,采用在线参数辨识技术,实时修正电感、电阻等参数,减小模型误差;同时,引入扩展状态观测器,估计电网电压扰动、负载变化等不确定因素,将观测值代入预测模型,提升控制器对复杂工况的适应能力。此外,结合数据驱动方法(如神经网络、模糊逻辑)优化预测模型,进一步降低对精确数学模型的依赖
⛳️ 运行结果





🔗 参考文献
[1] 王旭,黄凯征,阎士杰,等.矢量控制PWM整流器的建模与仿真[J].电气传动, 2009, 39(2):5.DOI:10.3969/j.issn.1001-2095.2009.02.007.
[2] 陈瑶,金新民,童亦斌.基于滑模控制的三相电压型PWM整流器系统仿真[J].系统仿真学报, 2007, 19(8):4.DOI:10.3969/j.issn.1004-731X.2007.08.049.
📣 部分代码
🎈 部分理论引用网络文献,若有侵权联系博主删除
👇 关注我领取海量matlab电子书和数学建模资料
🏆团队擅长辅导定制多种科研领域MATLAB仿真,助力科研梦:
🌈 各类智能优化算法改进及应用
生产调度、经济调度、装配线调度、充电优化、车间调度、发车优化、水库调度、三维装箱、物流选址、货位优化、公交排班优化、充电桩布局优化、车间布局优化、集装箱船配载优化、水泵组合优化、解医疗资源分配优化、设施布局优化、可视域基站和无人机选址优化、背包问题、 风电场布局、时隙分配优化、 最佳分布式发电单元分配、多阶段管道维修、 工厂-中心-需求点三级选址问题、 应急生活物质配送中心选址、 基站选址、 道路灯柱布置、 枢纽节点部署、 输电线路台风监测装置、 集装箱调度、 机组优化、 投资优化组合、云服务器组合优化、 天线线性阵列分布优化、CVRP问题、VRPPD问题、多中心VRP问题、多层网络的VRP问题、多中心多车型的VRP问题、 动态VRP问题、双层车辆路径规划(2E-VRP)、充电车辆路径规划(EVRP)、油电混合车辆路径规划、混合流水车间问题、 订单拆分调度问题、 公交车的调度排班优化问题、航班摆渡车辆调度问题、选址路径规划问题、港口调度、港口岸桥调度、停机位分配、机场航班调度、泄漏源定位
🌈 机器学习和深度学习时序、回归、分类、聚类和降维
2.1 bp时序、回归预测和分类
2.2 ENS声神经网络时序、回归预测和分类
2.3 SVM/CNN-SVM/LSSVM/RVM支持向量机系列时序、回归预测和分类
2.4 CNN|TCN|GCN卷积神经网络系列时序、回归预测和分类
2.5 ELM/KELM/RELM/DELM极限学习机系列时序、回归预测和分类
2.6 GRU/Bi-GRU/CNN-GRU/CNN-BiGRU门控神经网络时序、回归预测和分类
2.7 ELMAN递归神经网络时序、回归\预测和分类
2.8 LSTM/BiLSTM/CNN-LSTM/CNN-BiLSTM/长短记忆神经网络系列时序、回归预测和分类
2.9 RBF径向基神经网络时序、回归预测和分类
2.10 DBN深度置信网络时序、回归预测和分类
2.11 FNN模糊神经网络时序、回归预测
2.12 RF随机森林时序、回归预测和分类
2.13 BLS宽度学习时序、回归预测和分类
2.14 PNN脉冲神经网络分类
2.15 模糊小波神经网络预测和分类
2.16 时序、回归预测和分类
2.17 时序、回归预测预测和分类
2.18 XGBOOST集成学习时序、回归预测预测和分类
2.19 Transform各类组合时序、回归预测预测和分类
方向涵盖风电预测、光伏预测、电池寿命预测、辐射源识别、交通流预测、负荷预测、股价预测、PM2.5浓度预测、电池健康状态预测、用电量预测、水体光学参数反演、NLOS信号识别、地铁停车精准预测、变压器故障诊断
🌈图像处理方面
图像识别、图像分割、图像检测、图像隐藏、图像配准、图像拼接、图像融合、图像增强、图像压缩感知
🌈 路径规划方面
旅行商问题(TSP)、车辆路径问题(VRP、MVRP、CVRP、VRPTW等)、无人机三维路径规划、无人机协同、无人机编队、机器人路径规划、栅格地图路径规划、多式联运运输问题、 充电车辆路径规划(EVRP)、 双层车辆路径规划(2E-VRP)、 油电混合车辆路径规划、 船舶航迹规划、 全路径规划规划、 仓储巡逻
🌈 无人机应用方面
无人机路径规划、无人机控制、无人机编队、无人机协同、无人机任务分配、无人机安全通信轨迹在线优化、车辆协同无人机路径规划
🌈 通信方面
传感器部署优化、通信协议优化、路由优化、目标定位优化、Dv-Hop定位优化、Leach协议优化、WSN覆盖优化、组播优化、RSSI定位优化、水声通信、通信上传下载分配
🌈 信号处理方面
信号识别、信号加密、信号去噪、信号增强、雷达信号处理、信号水印嵌入提取、肌电信号、脑电信号、信号配时优化、心电信号、DOA估计、编码译码、变分模态分解、管道泄漏、滤波器、数字信号处理+传输+分析+去噪、数字信号调制、误码率、信号估计、DTMF、信号检测
🌈电力系统方面
微电网优化、无功优化、配电网重构、储能配置、有序充电、MPPT优化、家庭用电
🌈 元胞自动机方面
交通流 人群疏散 病毒扩散 晶体生长 金属腐蚀
🌈 雷达方面
卡尔曼滤波跟踪、航迹关联、航迹融合、SOC估计、阵列优化、NLOS识别
🌈 车间调度
零等待流水车间调度问题NWFSP 、 置换流水车间调度问题PFSP、 混合流水车间调度问题HFSP 、零空闲流水车间调度问题NIFSP、分布式置换流水车间调度问题 DPFSP、阻塞流水车间调度问题BFSP
👇
AtomGit 是由开放原子开源基金会联合 CSDN 等生态伙伴共同推出的新一代开源与人工智能协作平台。平台坚持“开放、中立、公益”的理念,把代码托管、模型共享、数据集托管、智能体开发体验和算力服务整合在一起,为开发者提供从开发、训练到部署的一站式体验。
更多推荐
所有评论(0)