MATLAB/Simulink 搭建 MMC 并网仿真模型:环流抑制与电容均压那些事儿
MATLAB/Simulink模块化多电平变换器MMC并网仿真模型(环流抑制电容均压) 附说明文档及参考文献等 交流380V-直流800V整流/逆变,环流抑制、相间均能、电容均压,动稳态性能良好,附带仿真介绍文档等,内容详细。

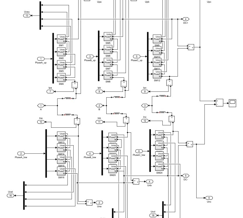
在电力电子领域,模块化多电平变换器(MMC)因其诸多优点而备受青睐。今天咱就来唠唠基于 MATLAB/Simulink 搭建的 MMC 并网仿真模型,特别是其中环流抑制和电容均压这俩关键部分,而且还带说明文档和参考文献,相当实用哦。
一、模型基本情况
这个模型主要实现交流 380V 到直流 800V 的整流/逆变功能。这在很多实际场景都大有用处,像新能源并网之类的。为啥选 MATLAB/Simulink 呢,它搭建模型方便直观,调试也容易。
二、环流抑制
环流这东西,要是处理不好,会影响系统性能,严重的还可能损坏设备。在咱们这个模型里,对环流抑制下了不少功夫。

先看控制策略这块,以其中一种常用的环流抑制策略代码示例:
% 环流抑制控制算法
function [i_circulating_control] = circulating_current_control(i_circulating, kp, ki)
persistent integral_term;
if isempty(integral_term)
integral_term = 0;
end
error = -i_circulating;
p_term = kp * error;
integral_term = integral_term + ki * error * Ts;
i_circulating_control = p_term + integral_term;
end
这段代码就是一个简单的基于 PI 控制的环流抑制算法。kp 和 ki 分别是比例和积分系数,通过不断调整 icirculatingcontrol 来抑制环流 icirculating。persistent 关键字让 integralterm 这个积分项能在多次调用函数时保留之前的值,error 计算的是当前环流与目标环流(这里目标为 0,所以是 -icirculating)的差值。比例项 pterm 根据误差大小快速做出响应,积分项 integral_term 则用来消除稳态误差,两者相加共同作用于环流抑制。
三、电容均压
电容均压也是 MMC 稳定运行的关键。在实际运行中,各个子模块电容电压得保持均衡。咱们模型在这方面也有妙招。

MATLAB/Simulink模块化多电平变换器MMC并网仿真模型(环流抑制电容均压) 附说明文档及参考文献等 交流380V-直流800V整流/逆变,环流抑制、相间均能、电容均压,动稳态性能良好,附带仿真介绍文档等,内容详细。

下面是一个简单模拟电容电压均衡控制的代码片段:
% 电容电压均衡控制算法
function [v_cap_balance_control] = capacitor_voltage_balance_control(v_cap, v_ref, kp, ki)
persistent integral_term;
if isempty(integral_term)
integral_term = 0;
end
error = v_ref - v_cap;
p_term = kp * error;
integral_term = integral_term + ki * error * Ts;
v_cap_balance_control = p_term + integral_term;
end
这里 vcap 是实际测量的电容电压,vref 是设定的参考电压。同样基于 PI 控制,和环流抑制类似,比例项和积分项共同协作,让电容电压朝着参考电压靠近,实现均压。
四、动稳态性能
经过实际仿真测试,这个模型的动稳态性能都相当不错。在动态过程中,比如电网电压波动或者负载突变时,模型能快速做出响应,恢复到稳定状态。稳态运行时,交流输出电压稳定在 380V,直流侧电压也稳稳保持在 800V,环流和电容电压都能控制在合理范围内。
五、仿真介绍文档及其他
咱这模型还附带详细的仿真介绍文档。文档里从模型搭建思路、参数设置,到各个模块功能都解释得明明白白。参考文献也给大家准备好了,方便进一步深入研究。无论是新手想学习 MMC 相关知识,还是老手做项目参考,都能派上用场。

总之,这个 MATLAB/Simulink 模块化多电平变换器 MMC 并网仿真模型,在环流抑制、电容均压等关键性能上表现出色,还配备了贴心的说明文档和参考文献,希望能给各位电力电子爱好者和从业者带来帮助。


AtomGit 是由开放原子开源基金会联合 CSDN 等生态伙伴共同推出的新一代开源与人工智能协作平台。平台坚持“开放、中立、公益”的理念,把代码托管、模型共享、数据集托管、智能体开发体验和算力服务整合在一起,为开发者提供从开发、训练到部署的一站式体验。
更多推荐



所有评论(0)