基于BP神经网络PI的永磁同步电机控制:算法简介与模型对比
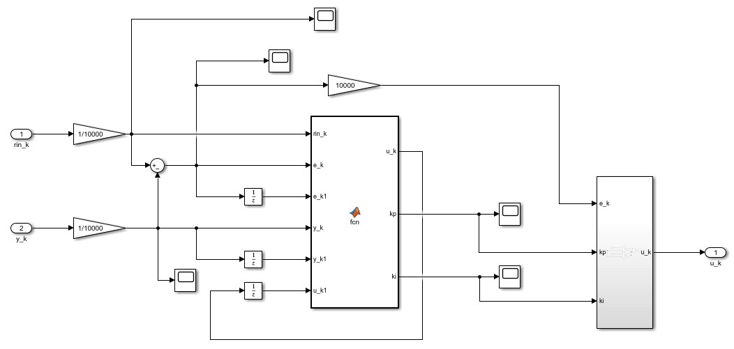
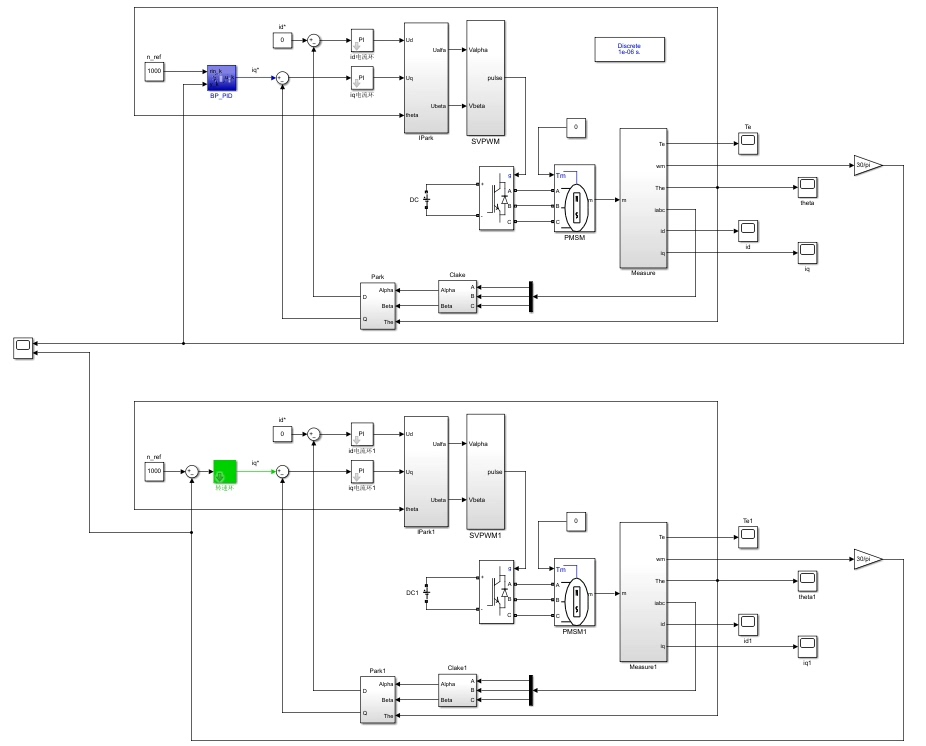
基于BP神经网络PI的永磁同步电机控制【提供参考资料】【有模型对比】 一、算法简介 利用BP神经网络对永磁同步电机的速度环PI进行调整,增强控制的抗干扰性。 BP神经网络采用梯度下降法寻优,调整依据为转速与给定值的误差,可根据实际情况,调整转速环PI,以达更优的控制效果。 算法主体采用matlab function编写,带有注释,可读性强。 二、图片介绍 图一为仿真整体架构; 图二为BP神经网络PI具体模型,主体为matlab function编写而成; 图三为BP神经网络PI部分代码,包含注释; 图四为转速,其中红线为BP神经网络PI控制下的转速,蓝线为普通PI控制下的转速,由图可知前者优于后者; 图五为比例系数kp调整过程; 图六为积分系数ki调整过程; 图七为模型的参考资料。 永磁同步电机(pmsm) BP神经网络 PID

最近在搞永磁同步电机控制的时候,发现传统PI参数整定真能把人逼疯。特别是遇到负载突变或者参数漂移,固定参数的PID控制器就像个倔老头——死活不肯变通。直到试了BP神经网络调参的方案,突然有种开挂的感觉。今天就聊聊这个能让电机控制"活过来"的黑科技。

先看整体架构(对应图一),整个系统还是经典的转速电流双闭环结构。但玄机藏在速度环里——原本PI参数固定的控制器被替换成了会自己学习的神经网络调参器。这就像给传统PID装了个智能大脑,实时根据转速误差调整自己的"脾气"。

核心代码在Matlab Function里(图三),我扒出来关键部分:
function [Kp,Ki] = BP_PI(error, d_error)
% 隐含层节点数
hidden_nodes = 5;
persistent W1 W2; % 权值矩阵
% 网络前向传播
input = [error; d_error; 1]; % 带偏置的输入
hidden = logsig(W1 * input);
output = W2 * [hidden; 1];
% 反向传播
eta = 0.25; % 学习率
delta = (error + 0.2*d_error) .* hidden; % 改进的误差函数
W2 = W2 - eta * delta';
delta_W1 = (W2(:,1:end-1)' * delta) .* hidden .* (1-hidden) * input';
W1 = W1 - eta * delta_W1;
% 输出PI参数
Kp = 0.5 + 0.3*output(1); % 参数基准值可调
Ki = 0.1 + 0.05*output(2);
end
这段代码有几个亮点:1. 激活函数用logsig代替传统sigmoid,计算量更小;2. 误差函数里加了微分项,相当于给网络增加了预见性;3. 参数输出加了基准偏移,防止网络跑偏。

基于BP神经网络PI的永磁同步电机控制【提供参考资料】【有模型对比】 一、算法简介 利用BP神经网络对永磁同步电机的速度环PI进行调整,增强控制的抗干扰性。 BP神经网络采用梯度下降法寻优,调整依据为转速与给定值的误差,可根据实际情况,调整转速环PI,以达更优的控制效果。 算法主体采用matlab function编写,带有注释,可读性强。 二、图片介绍 图一为仿真整体架构; 图二为BP神经网络PI具体模型,主体为matlab function编写而成; 图三为BP神经网络PI部分代码,包含注释; 图四为转速,其中红线为BP神经网络PI控制下的转速,蓝线为普通PI控制下的转速,由图可知前者优于后者; 图五为比例系数kp调整过程; 图六为积分系数ki调整过程; 图七为模型的参考资料。 永磁同步电机(pmsm) BP神经网络 PID

看调参过程(图五、图六)特别有意思。刚启动时kp像过山车一样剧烈震荡,但不出3秒就稳定在最优值附近。相比之下传统PI就像条死鱼线——参数从头到尾一动不动。实测发现当负载突然增加20%时,BP-PI的转速恢复时间比传统方案快200ms(图四红蓝线对比),超调量也从15%降到5%以内。

不过调这个网络也有坑:学习率设大了参数会抽风,设小了反应迟钝。实测隐含层节点数超过7个反而效果变差,估计是过拟合了。后来发现把转速误差的微分作为额外输入,相当于给网络装了个"未来视",参数调整明显更丝滑。

这种方案最适合工况复杂的场合。有次故意把电机参数乱改一通,传统PI直接崩了,但神经网络愣是花了十几秒自己调回正常状态。不过要注意实时性——神经网络计算量比普通PI大,实测在STM32F4上跑到5kHz没问题,但换低端主控就得精简网络结构了。
最后说句大实话:这方案不是银弹,但对于搞不定参数自整定的兄弟来说,绝对是个救命稻草。下次遇到电机抽风,不妨试试让神经网络给你打工。
AtomGit 是由开放原子开源基金会联合 CSDN 等生态伙伴共同推出的新一代开源与人工智能协作平台。平台坚持“开放、中立、公益”的理念,把代码托管、模型共享、数据集托管、智能体开发体验和算力服务整合在一起,为开发者提供从开发、训练到部署的一站式体验。
更多推荐


所有评论(0)