9MW 双馈风力发电机(DFIG)Simulink 模型设计与控制策略探索
9MW双馈风力发电机simulink设计模型(DFIG)控制策略,包括风机模型,网侧和机侧控制,给定风速变化(可自行变风速),背靠背变流器直流侧电压为1150v,电流电压等波形良好,仅限学习交流使用~

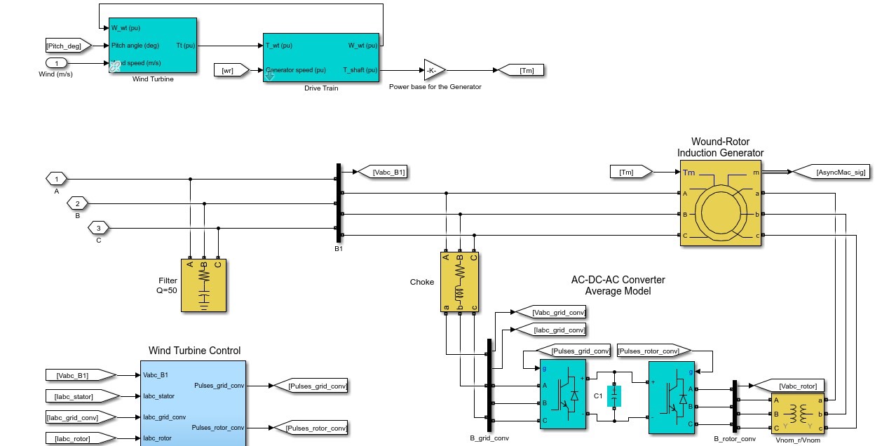
在风力发电领域,双馈风力发电机(DFIG)凭借其独特的优势占据了重要地位。今天咱们就来聊聊 9MW DFIG 的 Simulink 设计模型以及相关控制策略,这模型仅供学习交流使用哈。
风机模型搭建
风机模型是整个系统的起始点,它模拟实际风力作用下风机的机械特性。在 Simulink 中,我们可以通过一些基本模块来构建。比如,使用“PMSM Wind Turbine”模块(当然,这只是类似的示意模块,实际可能因库不同而异)。它的参数设置至关重要,像额定功率设为 9MW,这就跟咱们目标发电机功率对应上了。
% 以下为简单示意设置风机参数
ratedPower = 9e6; % 9MW 额定功率
% 其他可能还需设置叶片半径、空气密度等相关参数
风机捕获风能的大小与风速紧密相关,风速变化直接影响风机输出的机械功率。这里我们设定可自行变化的风速,模拟不同的自然风况。例如,使用“From Workspace”模块来导入风速数据。
% 生成风速数据示例
time = 0:0.1:100; % 0 到 100 秒,步长 0.1 秒
windSpeed = 5 + 3 * sin(0.05 * time); % 简单的正弦变化风速,5m/s 基础上波动
sim('windTurbineModel.slx'); % 假设模型名为 windTurbineModel
这样就可以让风速按我们设定的规律变化,去驱动风机模型。
网侧与机侧控制
网侧控制
网侧控制的主要目标是维持直流侧电压稳定在 1150V,并且实现单位功率因数运行,让发电机与电网之间高效、稳定地交换能量。在 Simulink 里,通常采用基于电网电压定向的矢量控制策略。

9MW双馈风力发电机simulink设计模型(DFIG)控制策略,包括风机模型,网侧和机侧控制,给定风速变化(可自行变风速),背靠背变流器直流侧电压为1150v,电流电压等波形良好,仅限学习交流使用~

我们先通过锁相环(PLL)模块来获取电网电压的相位信息,以便实现精确的定向控制。
% 简单 PLL 原理示意代码
function [theta] = PLL(vabc, omega_nom)
% 这里 vabc 为电网三相电压,omega_nom 为额定角频率
vd, vq = park_transform(vabc, theta); % park 变换将三相电压转换到 dq 轴
error = vd - vd_ref; % vd_ref 为 d 轴电压参考值,通常为 0 实现单位功率因数
omega = omega_nom + kp * error + ki * integral(error); % 比例积分控制调整角频率
theta = theta + omega * dt; % 更新相位
end
获取相位后,通过 PI 调节器来调节网侧变换器的电流,使其满足控制要求。比如调节 d 轴电流来稳定直流侧电压,调节 q 轴电流来控制无功功率。
% d 轴电流 PI 调节器示例
function [ud] = dAxisPI(i_d, i_d_ref, kp, ki)
error = i_d_ref - i_d;
integralError = integralError + error * dt;
ud = kp * error + ki * integralError;
end
机侧控制
机侧控制主要是跟踪风机的最大功率点,根据风速变化调节发电机的电磁转矩,使风机始终运行在最佳效率状态。这也常采用矢量控制策略,类似网侧,通过坐标变换将发电机定子电流分解为励磁分量和转矩分量。
% 定子电流 park 变换示例
function [isd, isq] = park_transform(isabc, theta)
% isabc 为定子三相电流,theta 为转子位置角
% 利用 park 变换矩阵进行变换
T_park = [cos(theta) sin(theta); -sin(theta) cos(theta)];
isdq = T_park * isabc;
isd = isdq(1);
isq = isdq(2);
end
然后通过 PI 调节器分别调节励磁电流和转矩电流,从而实现对发电机电磁转矩和转速的控制。
背靠背变流器与直流侧电压
背靠背变流器连接着发电机和电网,其直流侧电压稳定在 1150V 是系统稳定运行的关键。网侧控制中调节 d 轴电流的主要目的之一就是稳定直流侧电压。在 Simulink 模型里,我们能看到直流侧电压的波形展示。当系统稳定运行时,直流侧电压波形会紧紧围绕 1150V 波动,波动范围极小,这表明控制策略起到了良好的效果。
通过对风机模型、网侧和机侧控制策略的精心设计与调试,整个 9MW DFIG 的 Simulink 模型能够输出良好的电流、电压等波形。这不仅帮助我们深入理解双馈风力发电机的运行原理,也为实际风力发电系统的设计和优化提供了有价值的参考。希望这篇博文能给大家在学习 DFIG 相关知识时带来一些启发。
AtomGit 是由开放原子开源基金会联合 CSDN 等生态伙伴共同推出的新一代开源与人工智能协作平台。平台坚持“开放、中立、公益”的理念,把代码托管、模型共享、数据集托管、智能体开发体验和算力服务整合在一起,为开发者提供从开发、训练到部署的一站式体验。
更多推荐

所有评论(0)