探索光伏发电混合储能系统模型:从理论到仿真
光伏发电混合储能系统模型 仿真根据对应论文进行搭建。 其中论文内容包括:1、光伏模型搭建、2、DC-DC电路原理、3、最大功率点跟踪MPPT的研究和基于粒子群算法的MPPT的仿真搭建、4、最后是介绍了蓄电池和超级电容的原理和等效模型,并搭建基于混合储能模型的功率分配系统和基于混合储能模型的能量管理系统。 验证了能量管理系统能有效保持蓄电池的SOC稳定在上下阈值内,以此来实现对蓄电池的保护。 论文内容叙述详细,对整个混合储能系统中每个模块都进行了研究分析,仿真模型与论文内容一一对应,非常适合用来学习混合储能系统中涉及的知识。 文件包括: [1]一篇报告 [2]混合储能系统的功率分配仿真模型 [3]混合储能系统的能量管理仿真模型

最近研究了光伏发电混合储能系统模型,这个模型的搭建是基于一篇非常详尽的论文,感觉收获满满,今天就来跟大家分享一下。
一、光伏模型搭建
光伏模型是整个系统的基础,它模拟了太阳能转化为电能的过程。在代码实现上,通常会利用一些光伏电池的特性方程。比如说,常见的单二极管模型可以通过下面这样的代码来初步构建(这里以Python为例):
import numpy as np
# 光伏电池参数
Isc = 5.83 # 短路电流
Voc = 44.2 # 开路电压
Ns = 72 # 串联电池片数
Np = 1 # 并联电池串数
T = 298 # 温度,单位K
q = 1.6e-19 # 电子电荷
k = 1.38e-23 # 玻尔兹曼常数
A = 1.5 # 二极管品质因子
# 光照强度,单位W/m^2
G = 1000
# 计算光伏电池电流
V = np.linspace(0, Voc, 100)
Iph = (G / 1000) * Isc * (T / 298)
Io = Isc / (np.exp((q * Voc) / (A * k * T)) - 1)
I = Np * (Iph - Io * (np.exp((q * V) / (Ns * A * k * T)) - 1))
import matplotlib.pyplot as plt
plt.plot(V, I)
plt.xlabel('Voltage (V)')
plt.ylabel('Current (A)')
plt.title('Photovoltaic Cell I - V Curve')
plt.grid(True)
plt.show()
这段代码中,我们根据光伏电池的基本参数,计算了不同电压下的电流,并绘制出了I - V曲线。首先设定了光伏电池的各项参数,如短路电流Isc、开路电压Voc等。通过光照强度G计算出光生电流Iph,再根据热平衡方程计算反向饱和电流Io,最后得到不同电压下的输出电流I。这个曲线对于理解光伏电池在不同工作点的性能非常关键。
二、DC - DC电路原理
DC - DC电路在光伏发电系统中起着关键作用,它能够将光伏电池输出的不稳定直流电压转换为稳定的直流电压,以满足后续设备的需求。常见的DC - DC电路有降压型(Buck)、升压型(Boost)等。以Boost电路为例,其基本原理是通过控制开关管的导通和关断,改变电感的储能和释能过程,从而实现升压。

下面是一个简单的Boost电路仿真代码框架(以LTspice为例):
* Boost Converter Simulation
.SUBCKT BOOST 1 2 3
VIN 1 0 DC 12
L1 1 4 100uH
D1 4 2 DIODE
C1 2 0 100uF
R1 2 0 100
SW1 4 3 0 SW
.MODEL DIODE D
.MODEL SW VSWITCH RON = 0.01 ROFF = 10Meg VON = 2 VOFF = 0
.ENDS BOOST
X1 1 2 3 BOOST
.TRAN 1u 10m
.PROBE
.END
在这个代码中,我们定义了一个BOOST子电路,包含输入电压源VIN、电感L1、二极管D1、电容C1和负载电阻R1以及开关SW1。通过设置合适的元件参数和仿真时间,我们可以观察到Boost电路的升压过程。在实际应用中,我们需要根据系统的输入输出要求精确设计这些元件的参数,以达到最佳的转换效率。
三、最大功率点跟踪MPPT的研究和基于粒子群算法的MPPT的仿真搭建
最大功率点跟踪(MPPT)是提高光伏发电效率的核心技术。因为光伏电池的输出功率会随着光照强度和温度等因素变化,MPPT的作用就是让光伏电池始终工作在最大功率点附近。

粒子群算法(PSO)是一种常用的智能优化算法,用于实现MPPT。下面是一个简单的基于粒子群算法的MPPT代码框架(以Matlab为例):
% 粒子群算法实现MPPT
% 初始化参数
nPop = 50; % 粒子数量
MaxIt = 100; % 最大迭代次数
w = 0.7; % 惯性权重
c1 = 1.5; % 自我认知系数
c2 = 1.5; % 社会认知系数
Vmax = 0.5; % 最大速度
Vmin = -0.5; % 最小速度
% 光伏电池参数
Isc = 5.83;
Voc = 44.2;
% 其他参数设定...
% 初始化粒子位置和速度
x = zeros(nPop, 1);
v = zeros(nPop, 1);
for i = 1:nPop
x(i) = rand * Voc; % 随机初始化位置在0到Voc之间
v(i) = Vmin + (Vmax - Vmin) * rand;
end
% 初始化个体最优和全局最优
pbest = x;
gbest = pbest(find(max(P(pbest)), 1));
Pbest = P(pbest);
Gbest = max(Pbest);
for it = 1:MaxIt
% 更新速度和位置
for i = 1:nPop
v(i) = w * v(i) + c1 * rand * (pbest(i) - x(i)) + c2 * rand * (gbest - x(i));
if v(i) > Vmax
v(i) = Vmax;
elseif v(i) < Vmin
v(i) = Vmin;
end
x(i) = x(i) + v(i);
if x(i) < 0
x(i) = 0;
elseif x(i) > Voc
x(i) = Voc;
end
end
% 更新适应度值
Pnow = P(x);
% 更新个体最优和全局最优
for i = 1:nPop
if Pnow(i) > Pbest(i)
pbest(i) = x(i);
Pbest(i) = Pnow(i);
end
end
if max(Pbest) > Gbest
gbest = pbest(find(max(Pbest), 1));
Gbest = max(Pbest);
end
end
% 计算功率的函数
function P = P(V)
% 根据光伏电池模型计算功率
% 这里省略具体计算过程,假设已有光伏电池I - V关系
I = calculateCurrent(V);
P = V.* I;
end
在这段代码中,我们首先初始化了粒子群算法的各项参数,包括粒子数量、最大迭代次数、惯性权重等。然后随机初始化粒子的位置和速度,位置范围设定在光伏电池的开路电压Voc之内。在每次迭代中,根据粒子群算法的公式更新粒子的速度和位置,并根据光伏电池的模型计算功率,以此来更新个体最优和全局最优位置。通过不断迭代,最终找到最大功率点对应的电压值。
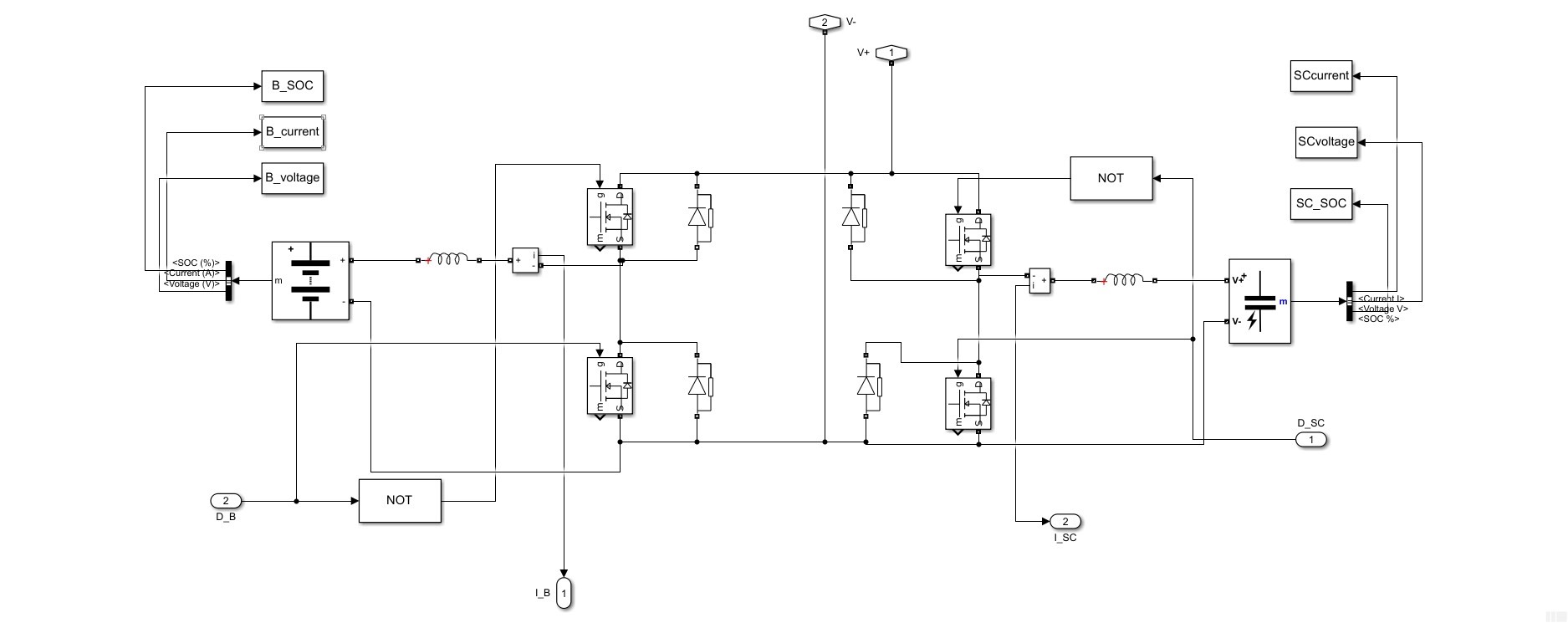
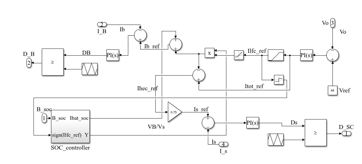
四、蓄电池和超级电容的原理、等效模型及混合储能模型相关搭建
蓄电池和超级电容在混合储能系统中扮演着不同的角色。蓄电池具有较高的能量密度,适合存储大量能量,但功率密度相对较低;超级电容则具有高功率密度,能够快速充放电,但能量密度较低。

光伏发电混合储能系统模型 仿真根据对应论文进行搭建。 其中论文内容包括:1、光伏模型搭建、2、DC-DC电路原理、3、最大功率点跟踪MPPT的研究和基于粒子群算法的MPPT的仿真搭建、4、最后是介绍了蓄电池和超级电容的原理和等效模型,并搭建基于混合储能模型的功率分配系统和基于混合储能模型的能量管理系统。 验证了能量管理系统能有效保持蓄电池的SOC稳定在上下阈值内,以此来实现对蓄电池的保护。 论文内容叙述详细,对整个混合储能系统中每个模块都进行了研究分析,仿真模型与论文内容一一对应,非常适合用来学习混合储能系统中涉及的知识。 文件包括: [1]一篇报告 [2]混合储能系统的功率分配仿真模型 [3]混合储能系统的能量管理仿真模型

蓄电池的等效模型通常可以用一个电压源和内阻串联来表示,超级电容则可以简单等效为一个理想电容。在搭建基于混合储能模型的功率分配系统和能量管理系统时,我们需要考虑两者的特性,合理分配功率。

以功率分配系统为例,我们可以通过一些控制策略来决定在不同工况下蓄电池和超级电容的充放电功率。以下是一个简单的功率分配控制代码思路(以C语言为例):
// 假设系统中有光伏功率Ppv,负载功率Pl,蓄电池功率Pb,超级电容功率Pc
// 定义一些常量和变量
#define SOC_MAX 0.8
#define SOC_MIN 0.2
float Ppv, Pl, Pb, Pc;
float SOC; // 蓄电池荷电状态
// 功率分配函数
void powerAllocation() {
if (Ppv > Pl) {
if (SOC < SOC_MAX) {
Pb = Ppv - Pl;
Pc = 0;
} else {
Pc = Ppv - Pl;
Pb = 0;
}
} else {
if (SOC > SOC_MIN) {
Pb = -(Pl - Ppv);
Pc = 0;
} else {
Pc = -(Pl - Ppv);
Pb = 0;
}
}
}
在这段代码中,我们根据光伏功率Ppv和负载功率Pl的大小关系,以及蓄电池的荷电状态SOC来分配功率。当光伏功率大于负载功率时,如果蓄电池荷电状态小于上限SOC_MAX,则优先给蓄电池充电,超级电容不工作;反之则超级电容充电。当光伏功率小于负载功率时,同样根据蓄电池荷电状态来决定是蓄电池还是超级电容放电来补充功率。

整个论文对混合储能系统的每个模块都研究得很细致,而且仿真模型与论文内容紧密对应。通过对这些模型的搭建和分析,我们可以深入学习混合储能系统涉及的各种知识。文件里的报告能帮助我们系统地理解理论,而功率分配和能量管理仿真模型则能让我们在实践中验证和深化理解。这对于想要深入研究光伏发电混合储能系统的朋友来说,是非常好的学习资料。希望我的分享能让大家对这个领域有更多的了解,一起探索更多有趣的技术!


AtomGit 是由开放原子开源基金会联合 CSDN 等生态伙伴共同推出的新一代开源与人工智能协作平台。平台坚持“开放、中立、公益”的理念,把代码托管、模型共享、数据集托管、智能体开发体验和算力服务整合在一起,为开发者提供从开发、训练到部署的一站式体验。
更多推荐



所有评论(0)