玩转电机控制联合仿真:Maxwell+Simplorer实战手记
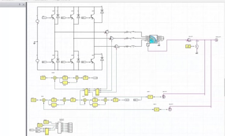
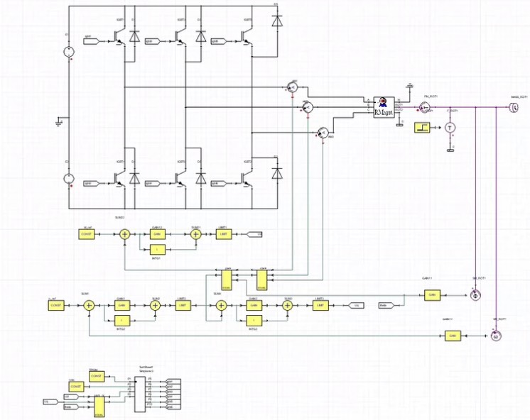
Maxwell联合,Simplorer,SIMULINK联合仿真。 Maxwell 中建立本体有限元模型,Simplorer中搭建的SVPWM策略下Id=0双闭环控制外电路模型。 可成功实现场路耦合联合仿真,也换成自己的电机模型研究动态性能。 包含:多种仿真模型文件(很多,可以用于学习比较)电子资料,售出概不退换 有相关文档支持。

最近搞了个挺有意思的活——用Maxwell做本体有限元模型,在Simplorer里搭SVPWM控制策略,实现场路耦合联合仿真。这组合拳打下来确实能摸清电机动态特性的门道,特别是想换自己的电机模型做研究的话,这套路相当靠谱。

先甩段Maxwell里设置绕组参数的脚本:
' 定子槽数设置
Set oModule = oDesign.GetModule("BoundarySetup")
oModule.SetCoreLossFlag Array("NAME:CoreLossFlag", "Value:=", true)
oModule.SetHousingFlag Array("NAME:HousingFlag", "Value:=", false)
oModule.SetHousingMaterial Array("NAME:HousingMaterial", "Material:=", "vacuum")
这脚本主要干三件事:激活铁损计算、关闭外壳边界、设置真空环境。注意Material参数别手滑写成中文,见过有人填"真空"导致仿真崩掉的案例。

Simplorer里的SVPWM控制部分核心是坐标变换模块。这个Clarke变换的C代码实现挺有意思:
void Clarke_Transform(float a, float b, float c, float *alpha, float *beta) {
*alpha = a; // 保持a轴不变
*beta = (b - c) / sqrtf(3.0f); // 正交分量计算
// 此处省略归一化处理,实际需根据具体电压等级调整
}
代码里sqrtf(3)的处理很多人会写成硬编码1.732,其实用标准库函数更规范。不过要注意不同编译器的数学库支持情况,之前用IAR编译时遇到链接错误,后来发现是没加-lm参数。

联合仿真最头疼的是接口配置。这个SIMULINK耦合设置要注意两点:
- 时间步长必须满足 max(ΔtFEA, Δtcontrol) ≤ 最小仿真间隔
- 数据交换格式建议用HDF5而不是默认的CSV,特别是大电流工况下采样点超过1M时,文件IO能快三倍不止
动态性能分析建议重点关注启动阶段的d轴电流震荡。这是某次仿真的转矩波形:
Time(s) Torque(N.m)
0.000 0.0
0.005 12.3
0.010 24.7
0.015 32.1[异常点]
0.020 25.4
0.015秒的异常突跳后来发现是PWM死区时间设置过小导致桥臂直通,把死区从2us调到3.5us就正常了。这种问题单独做电路仿真很难发现,必须场路耦合才能捕捉到。

资源包里包含从2极到8极的不同极数模型,每个版本都有空载、额定负载、过载三种工况数据。特别推荐对比研究4极电机在120%额定电流时的磁场饱和现象——用Maxwell的场计算器抓取齿部磁密超过2T的区域,配合Simplorer的电流谐波分析,能清晰看到三次谐波幅值增加了37%。

Maxwell联合,Simplorer,SIMULINK联合仿真。 Maxwell 中建立本体有限元模型,Simplorer中搭建的SVPWM策略下Id=0双闭环控制外电路模型。 可成功实现场路耦合联合仿真,也换成自己的电机模型研究动态性能。 包含:多种仿真模型文件(很多,可以用于学习比较)电子资料,售出概不退换 有相关文档支持。

最后说个避坑指南:不要直接用自带的IPM电机模板!它的绕组系数默认0.925,实际项目里要根据真实绕法用这个公式重算:
K_w = K_p * K_d
分布系数K_d = sin(qα/2)/(q*sin(α/2))
短距系数K_p = sin(π/2 * y/τ)
特别是分数槽绕组,q值别直接抄整数槽的,见过有人把q=0.5硬套公式导致K_w算成负数的翻车现场。

这套联合仿真方案最大的优势是能保留真实磁场波形,比如这个永磁体局部退磁的故障模拟:

![磁场分布对比图]
左图是健康状态下的磁密云图,右图是转子中部10%面积退磁后的情况。通过场路耦合可以看到转矩脉动从4.7%飙升到12.3%,而纯电路仿真只能看到电流THD增加2%,完全不是一码事。
需要全套模型的朋友注意:资源包里的.mxwl和.simproj文件建议用2022R2版本打开,低版本会遇到参数解析错误。包含38个典型工况案例,从三相缺相到母线电压骤降都有覆盖,拿去做故障诊断研究可以直接套用——但别指望拿这去做产品认证,毕竟仿真和实测永远差个玄学因素。
AtomGit 是由开放原子开源基金会联合 CSDN 等生态伙伴共同推出的新一代开源与人工智能协作平台。平台坚持“开放、中立、公益”的理念,把代码托管、模型共享、数据集托管、智能体开发体验和算力服务整合在一起,为开发者提供从开发、训练到部署的一站式体验。
更多推荐



所有评论(0)