基于全阶磁链观测器的无感异步电机矢量控制探索
基于全阶磁链观测器的无感异步电机矢量控制/FFO-FOC/异步电机无感矢量控制/转速辨识 全阶磁链观测器属于一种闭环磁链观测器,根据MRAS进行误差反馈修正估计值,动态和稳态性能有所提高。 全阶磁链观测器的重点在于离散化方法和反馈矩阵的设计,可以保证在全速范围内具有一定的磁链估计精度。 附带说明文档,模型可直接运行、可调节,默认发送2023b版本的simulink模型,需要其它版本的备注一下;
在电机控制领域,无感异步电机矢量控制一直是研究的热点。今天咱就来唠唠基于全阶磁链观测器的无感异步电机矢量控制(FFO - FOC),特别是其中转速辨识这块儿的门道。
全阶磁链观测器:闭环修正提升性能
全阶磁链观测器是一种闭环磁链观测器,它借助MRAS(模型参考自适应系统)来实现误差反馈,进而修正磁链的估计值。这么做的好处可不少,电机的动态和稳态性能都能得到显著提升。打个比方,就像给汽车装了个更智能的导航系统,不管是在加速、减速,还是平稳行驶阶段,都能更精准地“导航”,让电机运行得更稳更好。
离散化方法与反馈矩阵:精度保障的关键
全阶磁链观测器的核心在于离散化方法和反馈矩阵的设计。这两者就好比是电机控制这个“精密仪器”的核心部件,它们的合理设计能确保在全速范围内,磁链估计都能保持一定的精度。
这里简单展示一段关于离散化处理的代码示例(以Matlab为例):
% 假设已经有连续系统的状态空间模型 A, B, C, D
Ts = 0.001; % 采样时间
[A_d, B_d, C_d, D_d] = c2d(A, B, C, D, Ts); % 使用c2d函数进行离散化
在这段代码里,c2d 函数就是实现从连续系统到离散系统转换的关键。Ts 代表采样时间,这个值的选取很重要,它会影响到离散化后的系统性能。如果 Ts 选得太大,离散化后的模型可能无法准确反映原连续系统的特性;要是选得太小,虽然精度能提高,但计算量也会大幅增加。

基于全阶磁链观测器的无感异步电机矢量控制/FFO-FOC/异步电机无感矢量控制/转速辨识 全阶磁链观测器属于一种闭环磁链观测器,根据MRAS进行误差反馈修正估计值,动态和稳态性能有所提高。 全阶磁链观测器的重点在于离散化方法和反馈矩阵的设计,可以保证在全速范围内具有一定的磁链估计精度。 附带说明文档,模型可直接运行、可调节,默认发送2023b版本的simulink模型,需要其它版本的备注一下;
再说说反馈矩阵的设计,这涉及到复杂的控制理论知识。简单理解就是,通过合理设置反馈矩阵的参数,能够把观测到的磁链误差有效地反馈回去,用于修正磁链估计值。以下是一个简单的反馈矩阵计算示意代码(仅为示意,实际会更复杂):
% 假设已经有系统状态矩阵 A_d 和输出矩阵 C_d
Q = eye(size(A_d, 1)); % 状态加权矩阵
R = 1; % 输出加权矩阵
K = lqr(A_d, C_d', Q, R); % 使用lqr函数计算反馈矩阵K
这里用 lqr 函数来计算反馈矩阵 K,Q 和 R 分别是状态加权矩阵和输出加权矩阵,它们的值会影响反馈矩阵 K 的计算结果,进而影响到磁链观测器的性能。
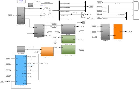
模型使用说明
咱提供的附带说明文档里的模型,是可以直接运行并且能调节的。默认发送的是2023b版本的Simulink模型,如果您需要其他版本,备注一下就行。这个模型就像是一个“魔法盒子”,把基于全阶磁链观测器的无感异步电机矢量控制的各种复杂算法和逻辑都集成在里面,通过简单的设置和调节,就能观察到电机在不同工况下的运行情况,方便大家研究和优化控制策略。
总之,基于全阶磁链观测器的无感异步电机矢量控制在电机控制领域有着重要的地位,通过对离散化方法和反馈矩阵的精心设计,能实现高性能的转速辨识和电机控制。希望大家能从这些分享中对这个领域有更深入的理解,一起探索电机控制的更多可能性。

AtomGit 是由开放原子开源基金会联合 CSDN 等生态伙伴共同推出的新一代开源与人工智能协作平台。平台坚持“开放、中立、公益”的理念,把代码托管、模型共享、数据集托管、智能体开发体验和算力服务整合在一起,为开发者提供从开发、训练到部署的一站式体验。
更多推荐
所有评论(0)