搭建无刷直流电机本体模型的那些事儿
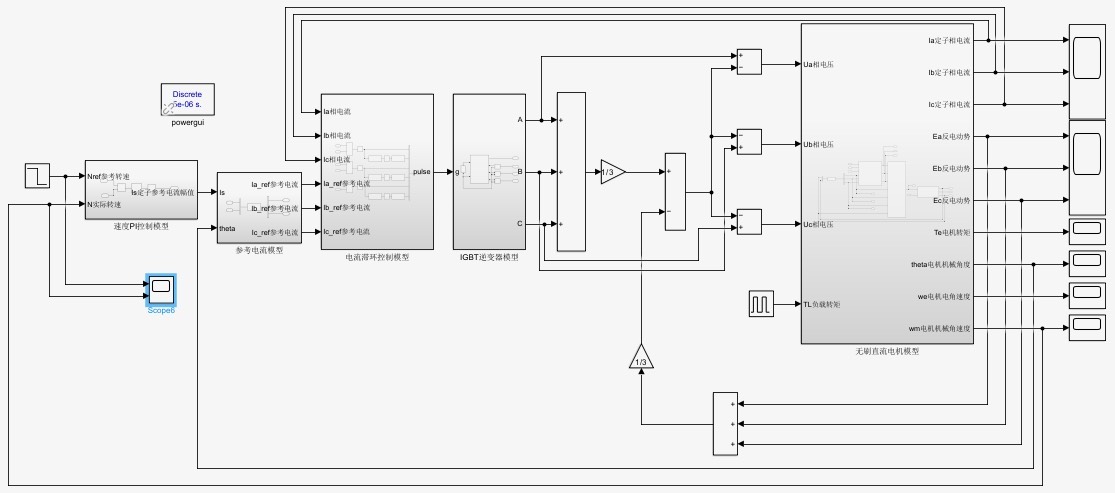
无刷直流电机本体模型,采用simulink基础模块建立,反电动势,参考电流等采用s函数/MATLAB function编写
最近一直在捣鼓无刷直流电机的仿真模型,算是摸到了一些门道,今天就和大家分享一下我的搭建过程和心得。
一、模型的整体结构
无刷直流电机的模型大致可以分成三个部分:机械部分、电磁部分和控制部分。这里主要聊的是电机本体模型,所以重点放在电磁部分和机械部分。

先从机械部分开始,这部分比较简单,主要需要一个旋转机械模块和一个惯性模块。旋转机械模块用来模拟电机的机械特性,比如惯性矩、摩擦力矩等等。惯性模块则是用来模拟电机转动惯量的。
至于电磁部分,这个就稍微复杂一些了。需要用 Simulink 的基础模块来搭建,这里需要用到一些S函数或者 MATLAB Function模块来处理一些复杂的计算,比如反电动势和参考电流的计算。
二、电磁部分的实现
电磁部分的核心在于反电动势的计算。反电动势的计算公式是:

无刷直流电机本体模型,采用simulink基础模块建立,反电动势,参考电流等采用s函数/MATLAB function编写

其中,\(E\) 是反电动势,\(k_e\) 是电机的电动势常数,\(\omega\) 是电机的角速度。
在 Simulink 中,这部分可以用 MATLAB Function 模块来实现:
function E = fcn(omega, ke)
E = ke * omega;
end
这个函数接收两个输入,一个是角速度 omega,另一个是电动势常数 ke,然后输出反电动势 E。
三、反电动势的应用
反电动势计算出来后,还需要将其反馈到电机的控制回路中。这里可以用一个反馈模块,将 E 接入到电机的电流控制模块中。

至于参考电流,这部分也可以用 MATLAB Function 来处理。假设需要一个正弦波的参考电流,可以这样写:
function I_ref = fcn(t)
I_ref = 2 * sin(2 * pi * 50 * t); % 50Hz 正弦波,峰值为2A
end
这个函数生成一个50Hz、峰值为2A的正弦波,作为参考电流。
四、模型搭建的注意事项
- 参数设置:不管是反电动势还是参考电流,参数设置都非常重要。要确保 ke、惯性矩等参数的准确性,不然仿真出来的结果会和实际情况相差甚远。
- 信号的连接:信号的连接一定要注意方向,避免正负号搞错了,导致仿真结果出现奇怪的现象。
- 调试方法:刚开始仿真的时候,可能会遇到各种问题,比如电机启动不了,或者是振荡现象。这时候可以先检查一下各个模块的参数和连接,再逐步排查问题。
五、模型的实际应用
搭建好模型之后,就可以用来做各种测试了。比如可以测试电机在不同负载下的运行情况,或者是测试控制算法的性能。通过这些测试,可以帮助优化电机的设计和控制策略。
比如,我之前做了一个带载测试,结果发现电机在重载情况下启动时间会变长。后来检查了一下,发现是参考电流的设置不够合理,导致启动电流不够大。于是调整了一下参考电流的幅值,问题就解决了。
六、总结一下
搭建无刷直流电机的本体模型其实并不难,主要是要理解各个模块的功能和相互关系。关键在于反电动势和参考电流的计算,这两部分如果处理得好,整个模型就会运行得很流畅。
AtomGit 是由开放原子开源基金会联合 CSDN 等生态伙伴共同推出的新一代开源与人工智能协作平台。平台坚持“开放、中立、公益”的理念,把代码托管、模型共享、数据集托管、智能体开发体验和算力服务整合在一起,为开发者提供从开发、训练到部署的一站式体验。
更多推荐

所有评论(0)