DC/DC模型预测-双有源全桥DAB变换器MPC与传统PI基于单移相SPS控制simulink仿真
💥💥💞💞欢迎来到本博客❤️❤️💥💥
🏆博主优势:🌞🌞🌞博客内容尽量做到思维缜密,逻辑清晰,为了方便读者。
⛳️座右铭:行百里者,半于九十。
📋📋📋本文内容如下:🎁🎁🎁
⛳️赠与读者
👨💻做科研,涉及到一个深在的思想系统,需要科研者逻辑缜密,踏实认真,但是不能只是努力,很多时候借力比努力更重要,然后还要有仰望星空的创新点和启发点。建议读者按目录次序逐一浏览,免得骤然跌入幽暗的迷宫找不到来时的路,它不足为你揭示全部问题的答案,但若能解答你胸中升起的一朵朵疑云,也未尝不会酿成晚霞斑斓的别一番景致,万一它给你带来了一场精神世界的苦雨,那就借机洗刷一下原来存放在那儿的“躺平”上的尘埃吧。
或许,雨过云收,神驰的天地更清朗.......🔎🔎🔎
💥第一部分——内容介绍
DC/DC双有源全桥DAB变换器MPC与传统PI基于单移相SPS控制Simulink仿真研究
摘要
双有源全桥(Dual Active Bridge, DAB)变换器作为DC/DC变换领域的核心拓扑之一,凭借能量双向流动、输入输出电气隔离、高功率密度及软开关特性,广泛应用于电动汽车、直流配电网、分布式能源等领域。单移相(Single Phase Shift, SPS)调制因控制简单、易于实现,是DAB变换器最常用的调制方式,但传统电压闭环PI控制在动态响应速度、抗干扰能力等方面存在不足,难以满足复杂工况下的高性能控制需求。模型预测控制(Model Predictive Control, MPC)作为一种先进的控制策略,具有响应迅速、动态性能优异、易于处理约束条件等优势,为提升DAB变换器的控制性能提供了有效途径。本文基于Simulink仿真平台,搭建了DAB变换器基于MPC与传统PI控制(SPS调制)的对比仿真模型,设定0.2s负载切换、0.4s输出电压期望值由350V变为400V的仿真工况,重点对比两种控制策略在启动过程、负载突变及参考电压突变场景下的动态性能。仿真结果表明,相较于传统电压闭环PI控制,MPC控制在启动过程中无明显超调、稳态误差小,在负载突变和参考电压突变时响应速度更快、恢复时间更短,展现出更优越的动态性能和抗干扰能力,为DAB变换器的控制策略优化提供了理论参考和仿真依据。
关键词:双有源全桥变换器;模型预测控制;PI控制;单移相调制;Simulink仿真;动态性能
1 引言
1.1 研究背景与意义
随着新能源发电技术、电动汽车产业的快速发展,直流电力系统的应用日益广泛,DC/DC变换器作为能量转换的核心器件,其控制性能直接影响整个系统的稳定性、可靠性和高效性。双有源全桥DAB变换器由于具备双向能量传输能力、高隔离电压、低开关损耗等独特优势,在中大功率直流变换场景中得到了广泛应用,成为连接分布式能源、储能单元与直流母线的关键设备。
单移相SPS调制是DAB变换器最基础、最常用的调制方式,其通过调节变压器原副边桥臂输出方波之间的移相角来控制功率传输的大小和方向,控制逻辑简单、工程实现成本低。传统上,DAB变换器的SPS调制常采用电压闭环PI控制策略,该策略凭借结构简单、鲁棒性较强等特点,在工业领域得到了广泛应用。然而,PI控制属于线性控制策略,其控制参数的整定依赖于系统的线性模型,当系统面临负载突变、参考电压变化等动态工况时,容易出现响应滞后、超调量大、恢复时间长等问题,难以满足高性能直流变换系统对动态响应速度和控制精度的要求。
模型预测控制MPC作为一种基于模型的先进非线性控制策略,无需建立复杂的线性化模型,能够直接基于系统的离散模型预测未来时刻的系统状态,通过优化目标函数获得最优控制量,具有动态响应快、控制精度高、易于处理多约束条件等优势。将MPC控制应用于DAB变换器的SPS调制,有望解决传统PI控制动态性能不足的问题,提升变换器在复杂工况下的适应能力。因此,开展DAB变换器MPC与传统PI(SPS控制)的对比仿真研究,明确两种控制策略的性能差异,对优化DAB变换器的控制方案、提升系统运行性能具有重要的理论意义和工程应用价值。
1.2 研究现状
近年来,国内外学者针对DAB变换器的控制策略开展了大量研究。传统PI控制因其结构简单、易于实现,仍是目前工业应用中最主流的控制方式,但研究者们也通过参数整定优化、复合控制等方式试图改善其动态性能。然而,由于PI控制的本质局限性,其在动态工况下的性能提升空间有限。
模型预测控制在电力电子变换器领域的应用越来越广泛,针对DAB变换器的MPC控制研究也取得了诸多成果。现有研究表明,MPC控制能够有效提升DAB变换器的动态响应速度和控制精度,在负载突变、输入输出电压波动等工况下表现出更优越的性能。部分研究将MPC与移相调制相结合,通过预测输出状态、优化移相角,实现了变换器的高性能控制。但目前关于DAB变换器MPC与传统PI控制(SPS调制)在特定动态工况(如固定时刻负载切换、参考电压突变)下的系统性对比仿真研究仍需进一步完善,尤其是针对0.2s负载切换、0.4s参考电压突变的具体工况,两种控制策略的动态性能差异仍需通过仿真实验进行明确验证。
1.3 研究内容与方法
本文的核心研究内容是开展DAB变换器基于MPC与传统PI控制(SPS调制)的对比仿真研究,明确两种控制策略在启动过程、负载突变及参考电压突变工况下的性能差异。具体研究方法如下:首先,阐述DAB变换器的工作原理及SPS调制机制,介绍传统PI控制和MPC控制的基本原理,重点说明MPC控制的核心思想和实现流程;其次,基于Simulink仿真平台,搭建DAB变换器的仿真模型,分别设计PI控制和MPC控制的控制模块,设定仿真参数和动态工况(0.2s负载切换、0.4s输出电压由350V变为400V);最后,通过仿真实验,对比两种控制策略在启动过程、负载突变、参考电压突变时的输出电压响应特性,分析其动态性能差异,验证MPC控制的优越性。
1.4 论文结构
本文共分为5个章节,具体结构如下:第1章为引言,阐述研究背景、意义、现状及研究内容;第2章为相关理论基础,介绍DAB变换器工作原理、SPS调制机制,以及PI控制和MPC控制的基本原理;第3章为Simulink仿真模型搭建,详细说明仿真模型的构成、参数设置及控制模块设计;第4章为仿真结果分析,对比两种控制策略在不同工况下的动态性能;第5章为结论与展望,总结本文的研究成果,提出未来的研究方向。
2 相关理论基础
2.1 双有源全桥DAB变换器工作原理
双有源全桥DAB变换器主要由原边全桥、副边全桥、高频隔离变压器和滤波电感组成,原边全桥和副边全桥均由功率开关器件构成,能够实现能量的双向传输。其工作过程的核心是通过控制原副边桥臂的开关状态,产生高频方波电压,通过高频变压器实现能量的隔离传输,再通过滤波电感滤除谐波,获得稳定的输出电压。
单移相SPS调制是DAB变换器最常用的调制方式,其核心是控制原边全桥输出方波与副边全桥输出方波之间的移相角,通过改变移相角的大小来调节传输功率的大小,通过改变移相角的方向来控制能量的传输方向。在SPS调制下,原副边桥臂的开关器件均工作在50%占空比的开关状态,控制逻辑简单,易于工程实现,但在输入输出电压不匹配及轻载运行时会产生较大的回流功率,导致电流应力增大,增加系统损耗。
2.2 传统PI控制原理(基于SPS调制)
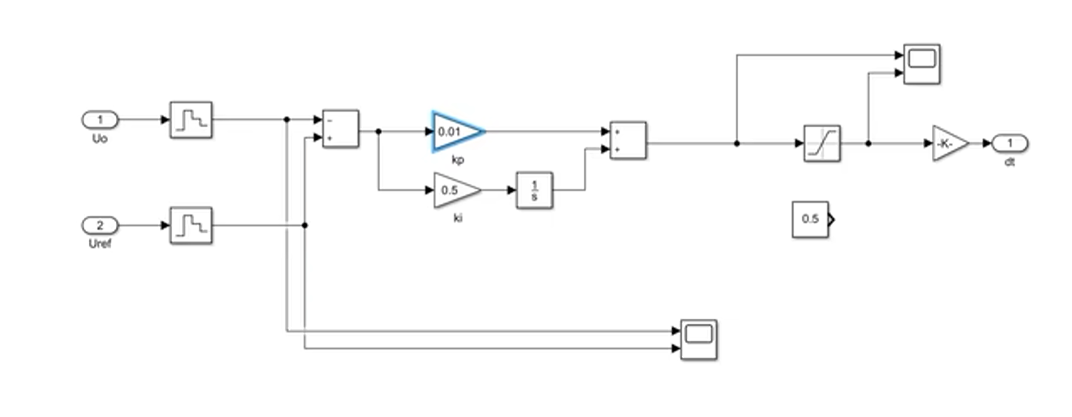
DAB变换器基于SPS调制的传统PI控制采用电压闭环控制结构,其核心思想是通过检测输出电压的实际值与期望值之间的误差,利用PI控制器对误差进行比例和积分运算,输出控制信号来调节SPS调制的移相角,从而使输出电压跟踪期望值,实现稳定控制。
PI控制器的控制效果主要依赖于比例系数和积分系数的整定,合适的控制参数能够使系统获得较好的稳态性能,但由于PI控制是线性控制,对系统的非线性特性和外部扰动的适应能力较弱。当系统面临负载突变、参考电压变化等动态工况时,PI控制器容易出现响应滞后、超调量大、恢复时间长等问题,难以快速跟踪输出电压的变化,影响系统的动态性能。
2.3 模型预测控制(MPC)原理(基于SPS调制)
模型预测控制MPC是一种基于系统模型的先进控制策略,其核心思想是利用系统的离散模型,预测未来一个或多个时刻的系统输出状态,通过构建并求解目标函数,获得当前控制周期的最优控制量,从而实现对系统的精准控制。将MPC控制应用于DAB变换器的SPS调制,能够有效提升系统的动态响应性能,克服传统PI控制的局限性。
DAB变换器基于SPS调制的MPC控制核心流程如下:首先,建立DAB变换器的离散模型,明确输出电压与移相角之间的关系;其次,通过检测当前时刻的输出电压、负载电流等状态量,利用离散模型预测下一个时刻的输出电压;然后,构建目标函数,以输出电压实际值与期望值的误差最小为优化目标,求解使目标函数最小的占空比相关控制量,进而获得最优移相量;最后,将最优移相量应用于当前控制周期,实现对输出电压的精准控制,并进入下一个控制周期的预测与优化,形成闭环控制。
与传统PI控制相比,MPC控制无需对系统进行线性化处理,能够直接处理系统的非线性特性,同时通过实时预测和优化,能够快速响应系统的状态变化,在动态工况下表现出更优越的响应速度和控制精度。此外,MPC控制还能够方便地处理系统的约束条件,如开关器件的最大电流、最大移相角等,提升系统的运行可靠性。
3 Simulink仿真模型搭建
3.1 仿真模型整体结构
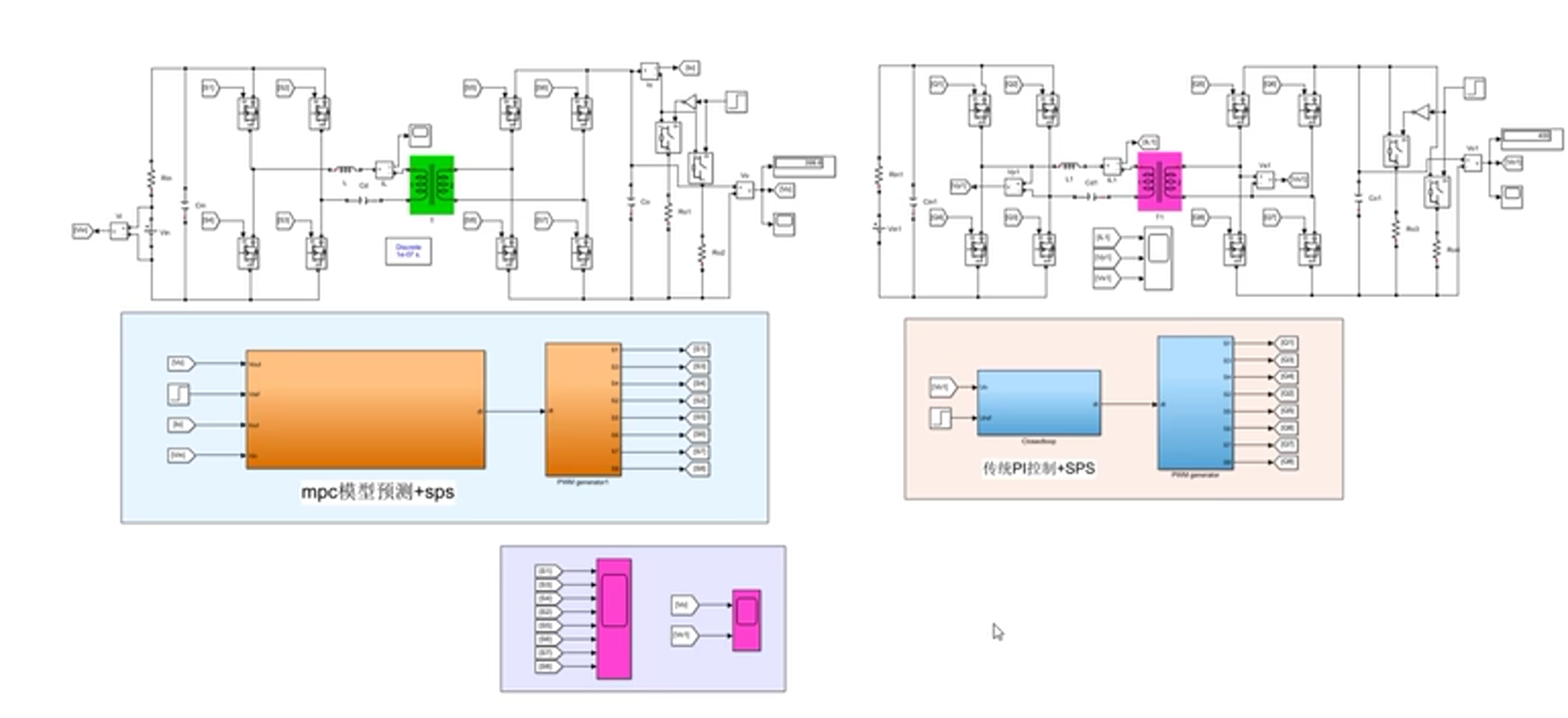
基于Matlab/Simulink仿真平台,搭建DAB变换器基于MPC与传统PI控制(SPS调制)的对比仿真模型,模型整体分为主电路模块、控制模块、检测模块和负载模块四部分,其中控制模块包含PI控制子模块和MPC控制子模块,可通过切换控制模块实现两种控制策略的对比仿真。
主电路模块由原边直流电源、原边全桥、高频隔离变压器、副边全桥、滤波电感和滤波电容组成,实现直流电能的隔离转换;检测模块负责采集输出电压、负载电流等状态量,为控制模块提供反馈信号;负载模块采用可变电阻负载,用于模拟0.2s时刻的负载切换工况;控制模块根据检测模块的反馈信号,输出移相角控制信号,控制主电路的开关器件动作,实现输出电压的稳定控制。
3.2 仿真参数设置
为保证仿真的合理性和有效性,结合DAB变换器的实际应用场景,设定仿真参数如下:原边直流输入电压为500V,高频隔离变压器变比为1:1,滤波电感为10mH,滤波电容为1000μF;SPS调制频率为10kHz,控制周期与调制周期保持一致;初始负载电阻为100Ω,0.2s时刻切换为50Ω,模拟负载突变;输出电压期望值初始为350V,0.4s时刻变为400V,模拟参考电压突变;仿真总时长为0.6s,足够覆盖启动过程、负载突变和参考电压突变三个关键工况,确保能够充分对比两种控制策略的动态性能。
3.3 控制模块设计
3.3.1 PI控制模块设计
PI控制模块采用电压闭环控制结构,输入量为输出电压期望值与实际值的误差,输出量为SPS调制的移相角。通过整定PI控制器的比例系数和积分系数,使系统在稳态时输出电压误差最小,同时尽可能提升动态响应性能。在仿真过程中,通过多次调试,确定合适的PI控制参数,确保PI控制模块能够稳定工作,为后续与MPC控制的对比提供基准。
3.3.2 MPC控制模块设计
MPC控制模块基于DAB变换器的离散模型构建,核心包含预测模块、目标函数优化模块和移相角输出模块三部分。预测模块根据当前时刻的输出电压、负载电流等状态量,结合离散模型,预测下一个时刻的输出电压;目标函数优化模块以输出电压误差最小为目标,求解使目标函数最小的最优移相量;移相角输出模块将最优移相量转换为控制信号,输出至主电路的开关器件,实现对输出电压的控制。
MPC控制模块的关键在于预测模型的准确性和目标函数的合理性,通过合理设计预测模型,确保预测输出电压与实际输出电压的偏差较小;通过优化目标函数,确保能够快速获得最优移相量,提升控制的实时性和精度。在仿真过程中,确保MPC控制模块的控制周期与SPS调制周期保持一致,实现与PI控制模块的公平对比。
4 仿真结果与分析
为对比DAB变换器MPC控制与传统PI控制(SPS调制)的性能差异,基于搭建的Simulink仿真模型,开展仿真实验,重点分析两种控制策略在启动过程、0.2s负载突变、0.4s参考电压突变三种工况下的输出电压响应特性,评价其动态性能和稳态性能。
4.1 启动过程性能对比
启动过程是DAB变换器的关键工况之一,其性能直接影响系统的启动可靠性和稳定性。仿真中,两种控制策略的启动条件一致,均从输出电压为0开始,跟踪350V的输出电压期望值,启动过程的输出电压响应特性对比如下:
传统PI控制在启动过程中,输出电压存在明显的超调现象,超调量较大,且从启动到达到稳态的恢复时间较长。这是由于PI控制的线性特性,其响应速度受控制参数的限制,难以快速跟踪输出电压的变化,导致启动过程中出现超调和滞后。
MPC控制在启动过程中,输出电压无明显超调,能够快速从0上升至350V的期望值,且达到稳态的恢复时间远短于PI控制。这是因为MPC控制通过实时预测输出电压的变化,提前优化移相量,能够快速响应输出电压的跟踪需求,有效抑制超调,提升启动过程的动态性能。同时,MPC控制在启动稳态后,输出电压的波动较小,稳态精度更高,展现出更优越的稳态性能。
4.2 负载突变工况性能对比
仿真中设定0.2s时刻负载从100Ω切换为50Ω,模拟负载突变工况,两种控制策略在负载突变后的输出电压响应特性对比如下:
负载突变后,传统PI控制的输出电压出现明显的跌落,跌落幅度较大,且恢复至稳态电压(350V)的时间较长。这是因为PI控制对负载突变的响应滞后,无法快速调整移相角来补偿负载变化带来的电压波动,导致输出电压出现较大幅度的波动,恢复速度缓慢,抗干扰能力较弱。
MPC控制在负载突变时刻,输出电压仅出现微小的跌落,跌落幅度远小于PI控制,且能够在极短的时间内恢复至350V的稳态电压。这是由于MPC控制能够实时检测负载电流的变化,通过预测模型提前预判输出电压的波动,快速优化移相量,及时补偿负载变化带来的影响,从而有效抑制输出电压的跌落,提升系统的抗干扰能力和动态响应速度。
4.3 参考电压突变工况性能对比
仿真中设定0.4s时刻输出电压期望值由350V变为400V,模拟参考电压突变工况,两种控制策略在参考电压突变后的输出电压响应特性对比如下:
参考电压突变后,传统PI控制的输出电压跟踪速度较慢,从350V上升至400V的时间较长,且在跟踪过程中存在一定的超调现象,稳态后输出电压的波动较大。这是因为PI控制的控制参数是基于固定的参考电压整定的,当参考电压突变时,控制参数无法及时适应,导致响应滞后和超调。
MPC控制在参考电压突变时刻,能够快速响应参考电压的变化,输出电压迅速从350V上升至400V,无明显超调,且达到稳态的时间远短于PI控制。同时,稳态后输出电压的波动极小,跟踪精度更高。这是因为MPC控制通过实时更新输出电压期望值,重新预测下一个时刻的输出电压,并优化移相量,能够快速跟踪参考电压的变化,展现出更优越的跟踪性能和动态响应能力。
4.4 仿真结果总结
综合上述三种工况的仿真结果可以看出,相较于传统的电压闭环PI控制(SPS调制),MPC控制在DAB变换器的控制中具有明显的性能优势:在启动过程中,MPC控制无超调、启动速度快、稳态精度高;在负载突变和参考电压突变工况下,MPC控制的响应速度更快、输出电压波动更小、恢复时间更短,抗干扰能力更强,动态性能更优越。这充分说明,MPC控制能够有效克服传统PI控制的局限性,提升DAB变换器在复杂动态工况下的适应能力和控制性能,更适合用于对动态性能要求较高的DC/DC变换场景。
5 结论与展望
5.1 研究结论
本文基于Simulink仿真平台,开展了双有源全桥DAB变换器基于MPC与传统PI控制(SPS调制)的对比仿真研究,设定0.2s负载切换、0.4s输出电压由350V变为400V的仿真工况,重点分析了两种控制策略在启动过程、负载突变、参考电压突变工况下的动态性能,得出以下结论:
1. 传统PI控制(SPS调制)结构简单、易于实现,能够实现DAB变换器的稳态控制,但在动态工况下存在响应滞后、超调量大、恢复时间长、抗干扰能力弱等问题,难以满足高性能控制需求。
2. MPC控制(SPS调制)通过实时预测输出电压、优化目标函数获得最优移相量,能够有效提升DAB变换器的动态性能,在启动过程、负载突变和参考电压突变工况下,均表现出无明显超调、响应速度快、恢复时间短、稳态精度高的优势。
3. 仿真结果表明,MPC控制相较于传统PI控制,能够显著提升DAB变换器的动态响应能力和抗干扰能力,为DAB变换器的控制策略优化提供了有效的解决方案。
5.2 研究展望
本文的研究的基于Simulink仿真平台,后续可进一步开展以下研究工作:
1. 搭建实际的DAB变换器实验平台,将MPC控制和传统PI控制应用于实际电路,验证仿真结果的正确性和可行性,进一步优化控制参数,提升实际系统的性能。
2. 针对MPC控制计算复杂度较高的问题,优化MPC算法的实现流程,简化目标函数的求解过程,降低计算量,提升控制的实时性,使其更适合工程应用。
3. 结合扩展移相、双重移相等更先进的调制方式,设计基于MPC的复合控制策略,进一步提升DAB变换器的效率和动态性能,拓展其应用范围。
4. 考虑系统参数变化、外部干扰等实际因素,优化MPC预测模型,提升控制策略的鲁棒性,使其能够适应更复杂的运行工况。
📚第二部分——运行结果








🎉第三部分——参考文献
文章中一些内容引自网络,会注明出处或引用为参考文献,难免有未尽之处,如有不妥,请随时联系删除。(文章内容仅供参考,具体效果以运行结果为准)
🌈第四部分——本文完整资源下载
资料获取,更多粉丝福利,MATLAB|Simulink|Python|数据|文档等完整资源获取

AtomGit 是由开放原子开源基金会联合 CSDN 等生态伙伴共同推出的新一代开源与人工智能协作平台。平台坚持“开放、中立、公益”的理念,把代码托管、模型共享、数据集托管、智能体开发体验和算力服务整合在一起,为开发者提供从开发、训练到部署的一站式体验。
更多推荐


所有评论(0)