用萤火虫算法整定抗积分饱和参数:探索优化AWPI之路
萤火虫算法整定抗积分饱和参数/FA优化AWPI/抗积分饱和参数整定/萤火虫算法优化参数/参数寻优 萤火虫算发在寻优方面的收敛性高于粒子群,但由于两两萤火虫要对比吸引度,因此收敛速度较慢于粒子群。 本模型采用萤火虫优化算法整定抗饱和积分的三个参数。 内容包含simulink模型文件,matlab寻优

在控制系统的优化领域,参数寻优一直是提升系统性能的关键环节。今天咱们就来聊聊用萤火虫算法(Firefly Algorithm,FA)来整定抗积分饱和参数,也就是优化AWPI(Anti - Windup Proportional - Integral - Derivative)控制器这件有趣的事儿。
萤火虫算法与粒子群算法的“较量”
大家都知道粒子群算法(PSO)在参数寻优中表现不俗,那萤火虫算法又有何特别之处呢?萤火虫算法在寻优方面的收敛性其实是高于粒子群算法的。不过它有个“小毛病”,由于算法机制里两两萤火虫要对比吸引度,这就导致它的收敛速度会比粒子群算法慢一些。但别小看这个收敛性优势,在某些对最终结果精度要求极高的场景下,萤火虫算法可就大放异彩了。
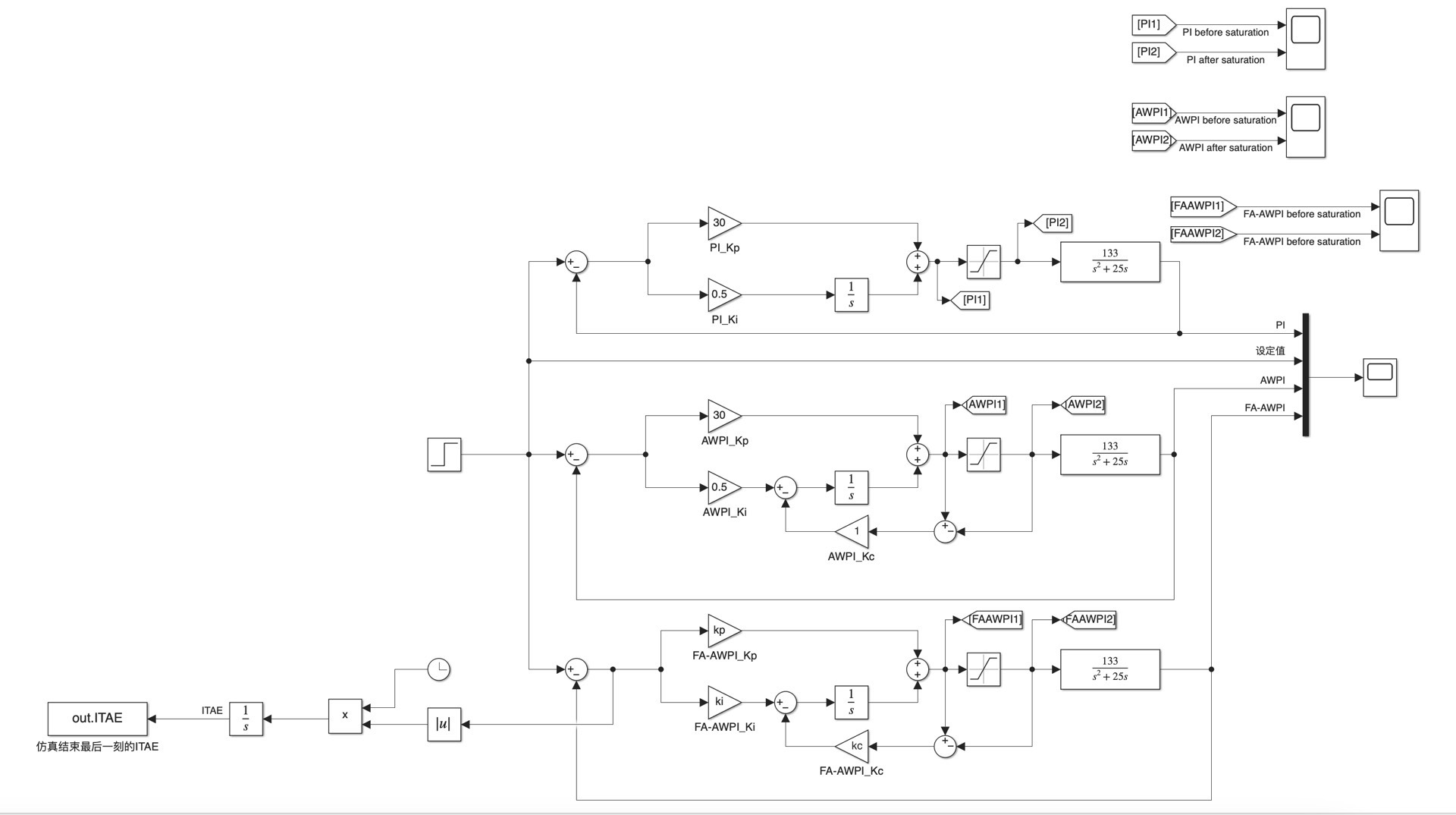
用萤火虫算法优化抗积分饱和参数
本模型采用萤火虫优化算法来整定抗饱和积分的三个关键参数。那具体咋做呢?咱们先看看MATLAB里的代码实现思路(以下代码为简化示意,实际应用需根据具体模型调整):
% 定义目标函数,这里以系统性能指标作为目标函数
function fitness = objectiveFunction(params)
% params 是包含抗积分饱和三个参数的向量
kp = params(1);
ki = params(2);
kd = params(3);
% 这里假设搭建了一个简单的控制系统模型
sys = tf([kp ki kd],[1 0]);
% 计算系统性能指标,例如调节时间、超调量等综合指标
[t, y] = step(sys);
% 这里简单以调节时间和超调量组合成一个 fitness 值
fitness = calculateFitness(t, y);
end
% 萤火虫算法主体
function [bestParams, bestFitness] = fireflyAlgorithm()
% 初始化参数
numFireflies = 50; % 萤火虫数量
alpha = 0.2; % 随机移动步长
beta0 = 1; % 初始吸引度
gamma = 1; % 光吸收系数
maxGeneration = 100; % 最大迭代次数
dim = 3; % 参数维度,即抗积分饱和的三个参数
lb = [0 0 0]; % 参数下限
ub = [100 100 100]; % 参数上限
% 初始化萤火虫位置
fireflies = repmat(lb, numFireflies, 1) +...
repmat((ub - lb), numFireflies, 1).* rand(numFireflies, dim);
fitness = zeros(numFireflies, 1);
for gen = 1:maxGeneration
for i = 1:numFireflies
fitness(i) = objectiveFunction(fireflies(i, :));
end
for i = 1:numFireflies
for j = 1:numFireflies
if fitness(i) > fitness(j)
r = norm(fireflies(i, :) - fireflies(j, :));
beta = beta0 * exp(-gamma * r^2);
fireflies(i, :) = fireflies(i, :) + beta * (fireflies(j, :) - fireflies(i, :)) + alpha * (rand(size(fireflies(i, :))) - 0.5);
fireflies(i, :) = max(fireflies(i, :), lb);
fireflies(i, :) = min(fireflies(i, :), ub);
end
end
end
end
[bestFitness, bestIndex] = min(fitness);
bestParams = fireflies(bestIndex, :);
end
代码分析
- 目标函数
objectiveFunction:这个函数接收一个包含抗积分饱和三个参数kp、ki、kd的向量params。首先从向量中提取出各个参数,然后用这些参数搭建一个简单的控制系统模型(这里用传递函数tf表示)。接着通过step函数获取系统的阶跃响应,最后根据系统响应计算一个综合的性能指标fitness。这个fitness值就是萤火虫算法要努力最小化(或最大化,取决于具体问题设定)的目标。 - 萤火虫算法主体
fireflyAlgorithm:一开始初始化了一堆参数,像萤火虫数量numFireflies、随机移动步长alpha等。然后初始化萤火虫的位置,这些位置就在参数的上下限范围内随机分布。在每一代迭代中,先计算每个萤火虫位置对应的目标函数值fitness。之后,两两比较萤火虫,如果一只萤火虫的fitness比另一只差(这里假设目标是最小化fitness),就根据距离和吸引度公式更新差的那只萤火虫的位置。这里的距离r是两只萤火虫位置的欧氏距离,吸引度beta随着距离增大而减小。更新位置时还加入了一个随机项,以增加搜索的随机性,避免陷入局部最优。最后找到fitness最小的萤火虫位置,就是我们寻优得到的最佳参数。
Simulink 模型与 MATLAB 寻优的结合
有了 MATLAB 里的寻优代码,还得和 Simulink 模型配合起来。在 Simulink 里搭建好完整的控制系统模型,把 MATLAB 寻优得到的最佳参数导入到 Simulink 模型中的 AWPI 控制器模块里。这样就可以直观地看到优化后的系统性能表现啦。比如系统的响应速度是不是变快了,超调量是不是降低了等等。

萤火虫算法整定抗积分饱和参数/FA优化AWPI/抗积分饱和参数整定/萤火虫算法优化参数/参数寻优 萤火虫算发在寻优方面的收敛性高于粒子群,但由于两两萤火虫要对比吸引度,因此收敛速度较慢于粒子群。 本模型采用萤火虫优化算法整定抗饱和积分的三个参数。 内容包含simulink模型文件,matlab寻优

总之,通过萤火虫算法来整定抗积分饱和参数,虽然收敛速度有点小劣势,但在追求高精度寻优结果的控制系统优化中,有着独特的价值,结合 Simulink 模型更能方便我们观察和验证优化效果。希望大家可以尝试在自己的项目里应用这种方法,说不定能给你的控制系统带来意想不到的提升哦!



AtomGit 是由开放原子开源基金会联合 CSDN 等生态伙伴共同推出的新一代开源与人工智能协作平台。平台坚持“开放、中立、公益”的理念,把代码托管、模型共享、数据集托管、智能体开发体验和算力服务整合在一起,为开发者提供从开发、训练到部署的一站式体验。
更多推荐



所有评论(0)