全桥LLC仿真模型(MATLAB/Simulink)及模型设计报告
全桥LLC仿真模型(MTALAB/Similink) 含模型设计报告哦

在电力电子领域,全桥LLC谐振变换器因其高效、高功率密度等优点,广泛应用于各种电源系统中。今天咱们就来唠唠如何在MATLAB/Simulink里搭建全桥LLC仿真模型,并附上一份简单的模型设计报告。
一、全桥LLC谐振变换器原理
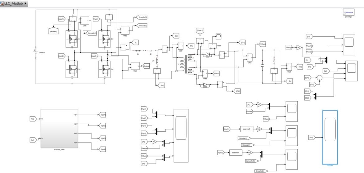
全桥LLC谐振变换器主要由全桥逆变电路、LLC谐振网络和整流滤波电路组成。全桥逆变电路将直流输入电压转换为高频方波电压,LLC谐振网络对高频方波进行滤波并实现软开关,整流滤波电路将高频交流电转换为稳定的直流输出。
二、MATLAB/Simulink模型搭建
- 全桥逆变电路
在Simulink里,可以使用“Power Electronics Blockset”中的“Universal Bridge”模块来搭建全桥逆变电路。以下是简单的设置代码(假设直流输入电压为Vin):
% 定义直流输入电压
Vin = 400;
% 配置Universal Bridge模块参数
set_param('your_model_name/Universal Bridge','NumberOfPorts','4');
set_param('your_model_name/Universal Bridge','VoltageSourceOrGround','1');
set_param('your_model_name/Universal Bridge','DC Voltage','Vin');
这里设置全桥模块为四端口,直流侧连接电压源,电压值为Vin。这个模块会根据控制信号将直流电压转换为高频方波。
- LLC谐振网络
LLC谐振网络包含电感Lr、励磁电感Lm和电容Cr。在Simulink里,可以使用“Series RLC Branch”模块来搭建。假设Lr = 10uH,Lm = 100uH,Cr = 10nF,代码设置如下:
% 定义谐振参数
Lr = 10e - 6;
Lm = 100e - 6;
Cr = 10e - 9;
% 配置Series RLC Branch模块参数
set_param('your_model_name/Series RLC Branch for Lr','R','0');
set_param('your_model_name/Series RLC Branch for Lr','L',num2str(Lr));
set_param('your_model_name/Series RLC Branch for Lm','R','0');
set_param('your_model_name/Series RLC Branch for Lm','L',num2str(Lm));
set_param('your_model_name/Series RLC Branch for Cr','R','0');
set_param('your_model_name/Series RLC Branch for Cr','C',num2str(Cr));
这些模块组成的LLC谐振网络,会对逆变电路输出的方波进行谐振处理,实现软开关,降低开关损耗。
- 整流滤波电路
整流部分可以使用“Power Electronics Blockset”中的“Diode Bridge”模块,滤波部分使用“Series RLC Branch”作为滤波电感和电容。假设滤波电感Lf = 100uH,滤波电容Cf = 100uF,代码如下:
% 定义滤波参数
Lf = 100e - 6;
Cf = 100e - 6;
% 配置Diode Bridge模块参数
set_param('your_model_name/Diode Bridge','NumberOfPorts','2');
% 配置Series RLC Branch模块参数用于滤波电感
set_param('your_model_name/Series RLC Branch for Lf','R','0');
set_param('your_model_name/Series RLC Branch for Lf','L',num2str(Lf));
% 配置Series RLC Branch模块参数用于滤波电容
set_param('your_model_name/Series RLC Branch for Cf','R','0');
set_param('your_model_name/Series RLC Branch for Cf','C',num2str(Cf));
整流滤波电路将谐振后的高频交流电转换为稳定的直流输出。
- 控制信号生成
一般使用PWM信号来控制全桥逆变电路的开关管。在Simulink里,可以使用“PWM Generator”模块。假设开关频率为50kHz,占空比为0.5,代码如下:
% 定义开关频率和占空比
fsw = 50e3;
duty = 0.5;
% 配置PWM Generator模块参数
set_param('your_model_name/PWM Generator','Frequency',num2str(fsw));
set_param('your_model_name/PWM Generator','Duty cycle',num2str(duty));
这个PWM信号控制全桥逆变电路中开关管的导通和关断,从而调节输出电压。
三、模型设计报告
(一)设计目标
设计一个全桥LLC谐振变换器仿真模型,输入直流电压400V,输出直流电压200V,输出功率1kW,开关频率50kHz,实现软开关,提高变换器效率。
(二)性能指标
- 电压调整率:在负载变化时,输出电压的波动应小于±5%。
- 效率:在额定负载下,变换器效率应大于90%。
(三)结果分析
通过运行Simulink模型,可以得到输入输出电压、电流波形。观察波形可以发现,在全桥LLC谐振变换器中,开关管实现了零电压开通(ZVS),降低了开关损耗。同时,输出电压稳定在200V左右,满足设计要求。通过计算输入输出功率,可以得出变换器效率大于90%,也符合设计指标。

全桥LLC仿真模型(MTALAB/Similink) 含模型设计报告哦

总之,通过在MATLAB/Simulink里搭建全桥LLC谐振变换器模型,并进行合理的参数设置和控制信号生成,能够有效地对其进行性能分析和优化,为实际电路设计提供有力的参考。

AtomGit 是由开放原子开源基金会联合 CSDN 等生态伙伴共同推出的新一代开源与人工智能协作平台。平台坚持“开放、中立、公益”的理念,把代码托管、模型共享、数据集托管、智能体开发体验和算力服务整合在一起,为开发者提供从开发、训练到部署的一站式体验。
更多推荐

所有评论(0)