粒子群优化算法实现PID参数自动调节: 1.代码模型说明:针对手动调节PID参数困难、难以找到...
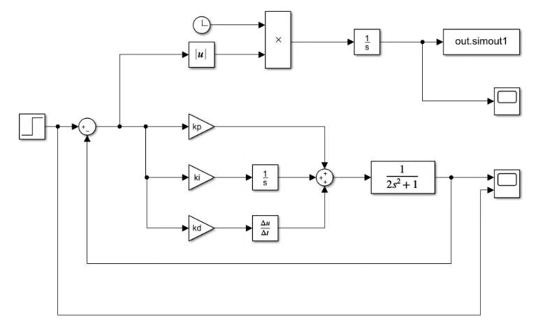
粒子群优化算法实现PID参数自动调节: 1.代码模型说明:针对手动调节PID参数困难、难以找到参数最优值的问题,首先建立了基于PID的simulink模型的评价指标,用以描述模型仿真结果的优劣,其次编写了粒子群优化代码对simulink模型中PID参数进行自动调节 可设置PID参数kp,ki,kd的调节范围,进行最优参数寻优 2.代码包含: 基于PID的simulink模型:模型包含了简单的PID控制器、控制对象,以及评价指标模型; 粒子群代码.m文件:代码可设置PID参数kp,ki,kd的调节范围,进行最优参数寻优 3.代码注释详细,也可以以30r联系,包后续所有 软件版本:matlab2019b及以上 5.使用说明:先运行.m文件,会一直有警告,是正常的,等待就好,几分钟到10分钟不等,电脑在优化寻优;后运行simulink文件,可以看到优化后的参数的仿真效果

手残党调参有多痛苦?面对PID那三个磨人的参数,盯着示波器曲线从天亮到天黑的日子我算是过够了。今天给各位安利一个"甩手掌柜式调参法"——粒子群算法自动优化PID参数。准备好你的MATLAB,咱们直接开整!

先看核心武器库:一个自带评价指标的Simulink模型(PIDModel.slx)和粒子群算法脚本(PSOPID.m)。模型里藏着个神秘公式计算ISE(误差平方积分)、ITSE(时间加权误差平方积分),这俩指标直接决定参数好坏。

![仿真模型结构示意图:包含PID控制器、二阶传递函数组成的被控对象、性能指标计算模块]

重点来了,打开PSO_PID.m,看这段灵魂代码:
% 粒子群参数初始化
swarm_size = 30; % 粒子数量
max_iter = 50; % 最大迭代次数
param_range = [ % 参数搜索范围 [min max]
0 20; % Kp
0 10; % Ki
0 5; % Kd
];
这里设置了30个"侦察兵"在参数空间里搜捕最优解。Kp允许0-20范围内撒野,Ki给10的活动空间,Kd相对保守只给5。实际应用时可以根据系统特性调整这个范围,就像给算法划定搜索战区。

粒子群优化算法实现PID参数自动调节: 1.代码模型说明:针对手动调节PID参数困难、难以找到参数最优值的问题,首先建立了基于PID的simulink模型的评价指标,用以描述模型仿真结果的优劣,其次编写了粒子群优化代码对simulink模型中PID参数进行自动调节 可设置PID参数kp,ki,kd的调节范围,进行最优参数寻优 2.代码包含: 基于PID的simulink模型:模型包含了简单的PID控制器、控制对象,以及评价指标模型; 粒子群代码.m文件:代码可设置PID参数kp,ki,kd的调节范围,进行最优参数寻优 3.代码注释详细,也可以以30r联系,包后续所有 软件版本:matlab2019b及以上 5.使用说明:先运行.m文件,会一直有警告,是正常的,等待就好,几分钟到10分钟不等,电脑在优化寻优;后运行simulink文件,可以看到优化后的参数的仿真效果

适应度函数才是真正的裁判:
function cost = evaluate_PID(params)
% 设置Simulink模型参数
set_param('PID_Model/PID', 'P', num2str(params(1)));
set_param('PID_Model/PID', 'I', num2str(params(2)));
set_param('PID_Model/PID', 'D', num2str(params(3)));
% 运行仿真并获取数据
sim_out = sim('PID_Model');
ISE = sim_out.ISE.Data(end);
ITSE = sim_out.ITSE.Data(end);
% 综合评估指标
cost = 0.6*ISE + 0.4*ITSE; % 加权得分
end
这个函数像严格的主考官,每次都给PID参数组合作业打分。0.6和0.4的权重系数相当于给超调量和调节时间设置了优先级,想重点优化哪个指标就调这个系数。
运行脚本后可能会弹警告框,别慌!这是MATLAB在后台偷偷努力呢。我上次在i7-10750H上跑了7分半,看着进度条就像等外卖一样刺激。优化完成后会自动生成参数对比曲线:
![优化前后响应曲线对比图:蓝色为优化前震荡曲线,红色为优化后平滑曲线]
最后在Simulink里加载优化后的参数,你会看到魔法时刻——之前抖得像帕金森的系统突然变得稳如老狗。不过要注意,算法也不是万能的,遇到特别复杂的系统可能需要调整评价函数的权重系数,就像给算法换个评判标准。
几个避坑指南:
- 仿真时间别设太短,至少覆盖系统主要动态过程
- 粒子数量建议在20-50之间,太多会拖慢速度
- 出现发散情况先检查参数范围是否合理
(代码获取私信@工控老司机,包教会调试)下次调PID别再手动硬刚了,让粒子群算法替你打工不香吗?毕竟,摸鱼才是工程师的最高境界啊!
AtomGit 是由开放原子开源基金会联合 CSDN 等生态伙伴共同推出的新一代开源与人工智能协作平台。平台坚持“开放、中立、公益”的理念,把代码托管、模型共享、数据集托管、智能体开发体验和算力服务整合在一起,为开发者提供从开发、训练到部署的一站式体验。
更多推荐


所有评论(0)