七自由度车辆动力学Matlab Simulink仿真模型探究:Dugoff轮胎模型的奇妙之旅
七自由度车辆动力学Matlab simulink仿真模型 dugoff轮胎模型 具体内容包含simulink模型+说明文档41 附赠二/三自由度车辆动力学仿真模型,MATLAB软件。

在车辆动力学研究领域,Matlab Simulink仿真模型是极为强大的工具,今天咱们就来深入探讨下七自由度车辆动力学模型,并且着重讲讲其中重要的Dugoff轮胎模型,同时还会给大家送上二/三自由度车辆动力学仿真模型这个小福利哦,都基于MATLAB软件。
七自由度车辆动力学模型
七自由度车辆动力学模型相较于简单的模型,考虑了更多的车辆运动维度,能更精确地模拟车辆实际行驶状态。这七个自由度分别为:纵向运动、侧向运动、横摆运动、侧倾运动、俯仰运动、垂向运动以及转向轮转角。
Simulink模型搭建
- 整体架构:在Simulink中搭建七自由度车辆动力学模型时,整体架构就像是搭建一座复杂的高楼。我们需要将不同功能模块整合起来,每个模块负责一部分车辆动力学特性的模拟。例如,有专门处理纵向力计算的模块,侧向力计算模块,还有处理车辆各方向运动耦合关系的模块等。
- 模块细节:以纵向力计算模块为例,它需要考虑发动机输出扭矩、传动系统效率、轮胎滚动阻力等多个因素。在Simulink中,可以通过一系列的数学运算模块来实现这些计算逻辑。
% 假设发动机输出扭矩为T_engine,传动比为i,传动效率为eta,轮胎半径为r,滚动阻力系数为Crr,车辆质量为m,重力加速度为g
T_engine = 200; % N*m
i = 5;
eta = 0.9;
r = 0.3; % m
Crr = 0.01;
m = 1500; % kg
g = 9.81; % m/s^2
F_longitudinal = (T_engine * i * eta / r) - (Crr * m * g);
这段代码就是简单的纵向力计算逻辑,在Simulink中可以通过类似的数学运算模块来搭建这个功能。侧向力计算模块则与轮胎模型密切相关,这就引出了我们的Dugoff轮胎模型。
Dugoff轮胎模型
Dugoff轮胎模型是一种半经验的轮胎模型,它在模拟轮胎力和滑移率关系方面表现出色。该模型综合考虑了轮胎的纵向和侧向力,能够较为准确地反映轮胎在不同工况下的力学特性。
模型原理
- 滑移率计算:轮胎的滑移率是Dugoff模型中的一个关键参数。纵向滑移率$Sx$和侧向滑移率$Sy$的计算分别为:
- 纵向滑移率$Sx=\frac{vx - r\omegax}{max(vx,r\omegax)}$,其中$vx$是轮胎纵向速度,$r$是轮胎半径,$\omegax$是轮胎旋转角速度。
- 侧向滑移率$Sy=\frac{vy}{vx}$,$v_y$是轮胎侧向速度。 - 力的计算:基于滑移率,Dugoff模型通过复杂的函数关系来计算纵向力$Fx$和侧向力$Fy$。其核心思想是考虑轮胎的最大附着力$F_{zmax}$与实际滑移率下的力之间的关系。
% 假设垂直载荷Fz = 5000 N,轮胎侧偏刚度Calpha = 60000 N/rad,纵向刚度Cx = 80000 N
Fz = 5000;
Calpha = 60000;
Cx = 80000;
% 计算纵向力
lambda_x = 0.1; % 假设纵向滑移率
F_x = Cx * lambda_x * (1 - lambda_x / 2) * Fz / max(Fz, Cx * lambda_x / 2);
% 计算侧向力
alpha = 0.05; % 假设侧偏角
F_y = Calpha * alpha * (1 - lambda_x / 2) * Fz / max(Fz, Calpha * alpha / 2);
上述代码简单展示了在给定一些参数情况下,利用Dugoff模型计算纵向力和侧向力的过程。在Simulink中,我们可以通过自定义函数模块等方式将这些计算逻辑嵌入到轮胎力计算模块中。
说明文档41要点
- 模型参数:说明文档41中会详细介绍七自由度车辆动力学模型以及Dugoff轮胎模型所涉及的各类参数。从车辆的基本参数如质量、轴距,到轮胎模型的特性参数如侧偏刚度、纵向刚度等,每个参数的意义和取值范围都需要清晰说明。
- 运行步骤:详细描述如何在MATLAB Simulink环境中运行该仿真模型。包括模型文件的打开方式,参数设置界面的位置,以及如何启动仿真和观察结果等步骤。
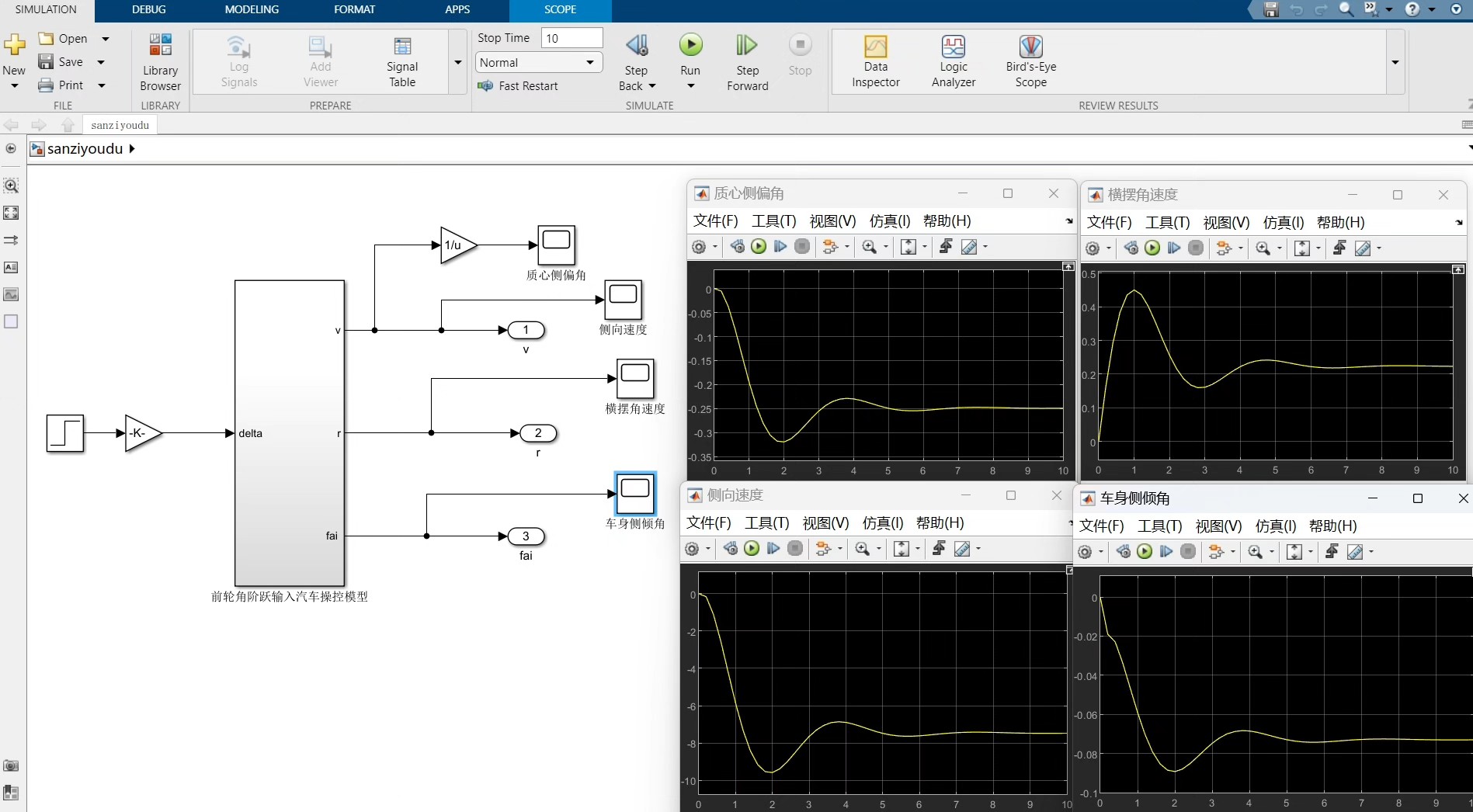
- 结果解读:帮助使用者理解仿真结果的含义。例如,不同工况下车辆的纵向、侧向加速度曲线代表了什么实际意义,横摆角速度等参数变化反映了车辆怎样的行驶状态等。
二/三自由度车辆动力学仿真模型福利
作为附赠内容,二自由度车辆动力学模型主要考虑车辆的侧向运动和横摆运动,三自由度模型在此基础上可能增加纵向运动。这两个模型相对七自由度模型结构更简单,对于初学者理解车辆动力学基本原理非常有帮助。在MATLAB中搭建它们的Simulink模型同样是通过各个功能模块的组合,只不过模块数量和复杂度会降低不少。
% 以二自由度车辆侧向运动方程为例
% 假设车辆质量m = 1000 kg,侧向加速度ay,侧向力Fy
m = 1000;
ay = 2; % m/s^2
Fy = m * ay;
这段简单代码展示了二自由度模型中侧向力的基本计算逻辑。

七自由度车辆动力学Matlab simulink仿真模型 dugoff轮胎模型 具体内容包含simulink模型+说明文档41 附赠二/三自由度车辆动力学仿真模型,MATLAB软件。

总之,通过七自由度车辆动力学Matlab Simulink仿真模型(尤其是其中的Dugoff轮胎模型)以及附赠的二/三自由度模型,无论是深入研究车辆动力学的学者,还是刚踏入这个领域的新手,都能从中获取丰富的知识和实践经验,助力在车辆动力学研究道路上更进一步。




AtomGit 是由开放原子开源基金会联合 CSDN 等生态伙伴共同推出的新一代开源与人工智能协作平台。平台坚持“开放、中立、公益”的理念,把代码托管、模型共享、数据集托管、智能体开发体验和算力服务整合在一起,为开发者提供从开发、训练到部署的一站式体验。
更多推荐

所有评论(0)