五相永磁同步电机的矢量控制与模型预测控制
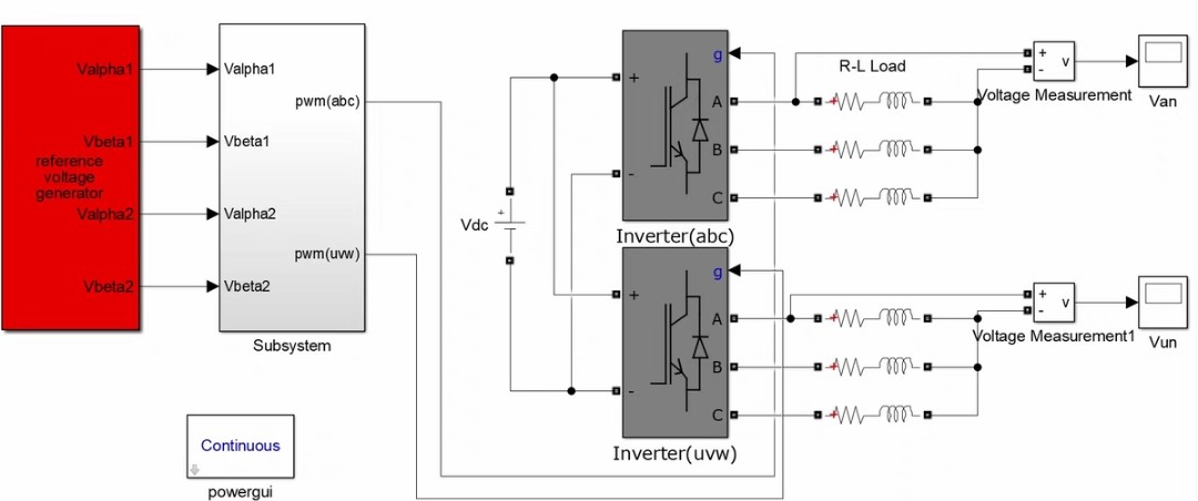
双三相、六相、五相永磁同步电机及感应电机控制(也可提供电机模型和参考资料)。 1、五相永磁同步电机矢量控制(FOC)(二矢量NTV,四矢量NFV)、模型预测控制(MPCC/MPTC)、 容错控制。 2、五相感应电机矢量控制(FOC)及模型预测控制(MPCC)。 3、双三永磁同步电机矢量控制(FOC)及模型预测控制(MPCC)。 4、双三相感应电机(异步电机)矢量控制(二电平SVPWM,三电平(NPC)SVPWM调制)。
永磁同步电机(PMSM)作为一类高性能电机,在工业自动化和电动汽车等领域得到了广泛应用。五相永磁同步电机由于具有更高的容错能力和可靠性,近年来也受到越来越多的关注。
1.1 五相PMSM的矢量控制(FOC)
矢量控制(FOC)通过将电机的定子电流分解为励磁分量和转矩分量,实现对电机转速和转矩的精确控制。五相PMSM的矢量控制需要考虑多相系统的特点,如相间耦合效应和空间分布特性。

双三相、六相、五相永磁同步电机及感应电机控制(也可提供电机模型和参考资料)。 1、五相永磁同步电机矢量控制(FOC)(二矢量NTV,四矢量NFV)、模型预测控制(MPCC/MPTC)、 容错控制。 2、五相感应电机矢量控制(FOC)及模型预测控制(MPCC)。 3、双三永磁同步电机矢量控制(FOC)及模型预测控制(MPCC)。 4、双三相感应电机(异步电机)矢量控制(二电平SVPWM,三电平(NPC)SVPWM调制)。
在矢量控制中,常用的坐标变换包括Clarke变换和Park变换。以下是一个简单的Park变换代码示例:
def park_transform(i_a, i_b, i_c, theta):
"""
Park变换,将静止三相坐标系转换为旋转二相坐标系。
"""
cos_theta = math.cos(theta)
sin_theta = math.sin(theta)
i_d = (i_a * cos_theta + i_b * sin_theta - i_c * 0.5)
i_q = (-i_a * sin_theta + i_b * cos_theta + i_c * 0.5)
return i_d, i_q
这个函数通过给定的三相电流和转子角度,计算出d轴和q轴的电流值,从而实现坐标系的变换。
1.2 模型预测控制(MPCC/MPTC)
模型预测控制(MPC)是一种基于状态空间模型的控制方法,通过对未来系统的状态进行预测,选择最优的控制输入。五相PMSM的模型预测控制在转矩跟踪和磁链调节方面表现优异。

一个简单的模型预测控制框架可以表示为:
% 系统状态
x = [i_d, i_q, omega]';
% 状态空间模型
x_next = A*x + B*u;
% 优化问题
[control_input, cost] = optimize(A, B, Q, R, x, x_ref);
% 应用控制输入
u = control_input;
其中,A和B是状态空间模型的系统矩阵,Q和R是优化权重矩阵。通过不断迭代优化,实现对电机状态的实时控制。
五相感应电机的矢量控制与模型预测控制
感应电机(IM)由于其坚固耐用和成本低廉的特点,在工业应用中占据重要地位。五相感应电机在容错和可靠性方面具有优势,其矢量控制和模型预测控制方法与永磁同步电机有相似之处,但也有一些不同之处。
2.1 五相感应电机的矢量控制(FOC)
五相感应电机的矢量控制同样采用Clarke和Park变换,但在控制策略上需要考虑转子磁链的影响。以下是一个简单的矢量控制环:
def vector_control(i_d, i_q, v_d_ref, v_q_ref):
"""
矢量控制环,计算电压误差并输出控制信号。
"""
error_d = v_d_ref - i_d
error_q = v_q_ref - i_q
v_alpha = proportional_control(error_d)
v_beta = proportional_control(error_q)
return v_alpha, v_beta
通过调节d轴和q轴的电压,实现对定子磁链和转矩的精确控制。
2.2 模型预测控制(MPCC)
五相感应电机的模型预测控制需要考虑转子磁链和定子电压的动态特性。以下是一个简单的模型预测控制示例:
% 系统状态
x = [i_s_d, i_s_q, omega]';
% 状态空间模型
x_next = A*x + B*u;
% 优化问题
[control_input, cost] = optimize(A, B, Q, R, x, x_ref);
% 应用控制输入
u = control_input;
通过不断预测和优化,实现对感应电机的高性能控制。
双三相永磁同步电机与感应电机的控制
双三相电机系统由于其冗余性和高可靠性,广泛应用于航空航天和工业自动化领域。双三相永磁同步电机和感应电机的矢量控制和模型预测控制方法与五相电机有相似之处,但也有一些特定的控制策略。
3.1 双三相PMSM的矢量控制(FOC)
双三相永磁同步电机的矢量控制需要考虑两组三相绕组的相互耦合。以下是一个简单的矢量控制代码示例:
def vector_control_dts(i_a1, i_a2, i_b1, i_b2, i_c1, i_c2):
"""
双三相永磁同步电机矢量控制。
"""
# Park变换
i_d1, i_q1 = park_transform(i_a1, i_b1, i_c1, theta1)
i_d2, i_q2 = park_transform(i_a2, i_b2, i_c2, theta2)
# 转矩和磁链控制
v_d, v_q = torque_control(i_d1, i_q1, i_d2, i_q2)
return v_d, v_q
通过分别对两组三相绕组进行Park变换和矢量控制,实现对双三相永磁同步电机的精准控制。
3.2 双三相感应电机的矢量控制(SVPWM)
双三相感应电机的矢量控制通常采用空间矢量脉宽调制(SVPWM)技术。以下是一个简单的SVPWM代码示例:
def svpwm(v_alpha, v_beta, v0, Ts):
"""
空间矢量脉宽调制。
"""
# 计算空间矢量
v1 = v_alpha
v2 = v_beta
v3 = -v1 - v2
# 计算占空比
duty_cycle = compute_duty_cycle(v1, v2, v3, Ts)
return duty_cycle
通过空间矢量的合成,实现对感应电机的高效驱动。
总结
五相和双三相永磁同步电机及感应电机的矢量控制和模型预测控制方法,不仅提高了电机的控制性能,还增强了系统的可靠性和容错能力。这些方法在工业自动化、电动汽车和航空航天等领域具有重要的应用价值。
AtomGit 是由开放原子开源基金会联合 CSDN 等生态伙伴共同推出的新一代开源与人工智能协作平台。平台坚持“开放、中立、公益”的理念,把代码托管、模型共享、数据集托管、智能体开发体验和算力服务整合在一起,为开发者提供从开发、训练到部署的一站式体验。
更多推荐


所有评论(0)