基于准PR控制的LCL三相并网逆变器仿真模型研究报告:详细滤波器参数设计、控制结构设计与性能验证
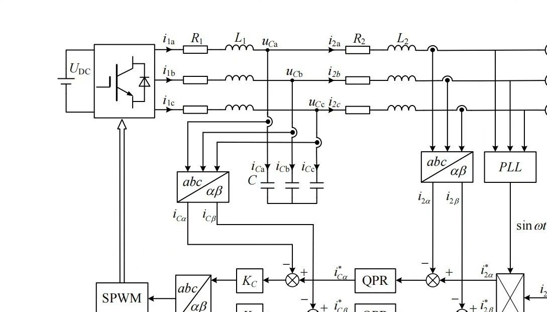
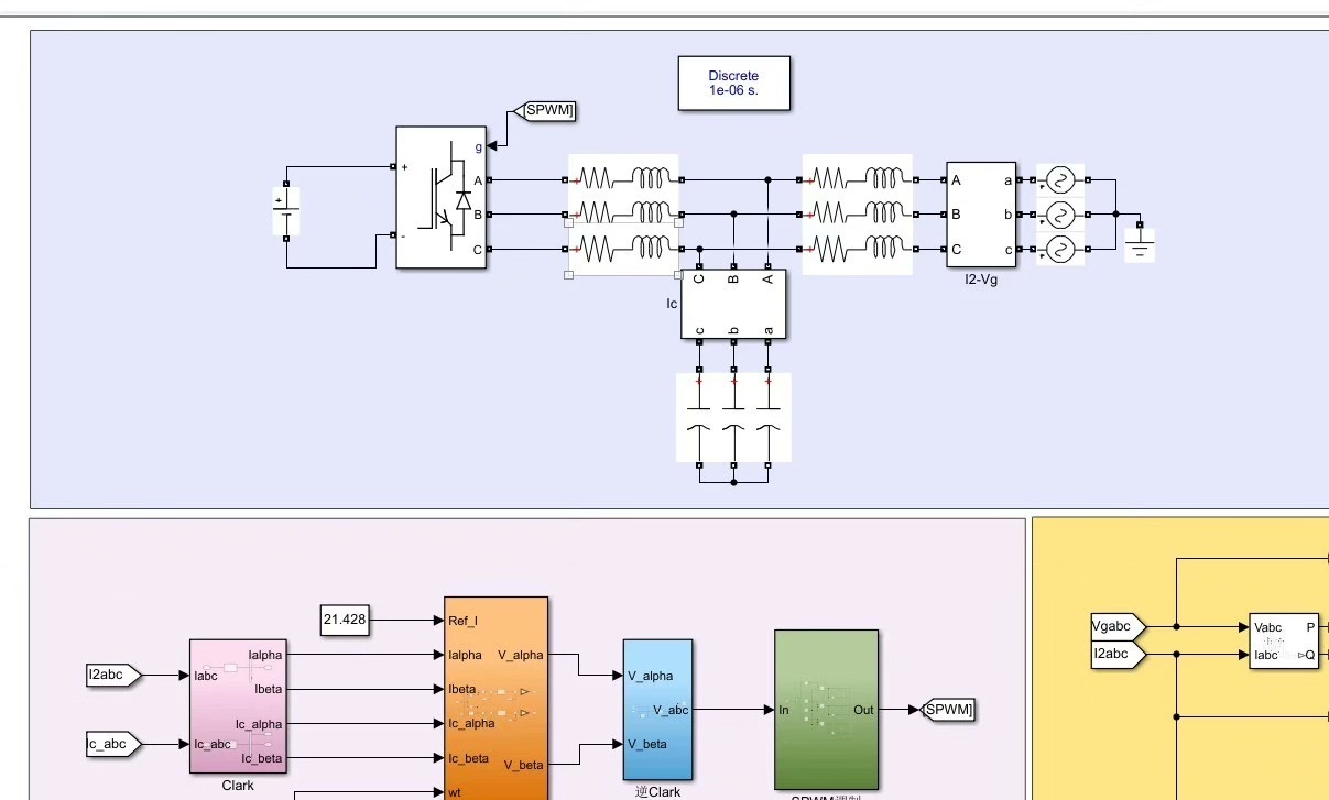
基于准PR控制的LCL三相并网逆变器仿真模型(带报告) 参考资料:附带自己写的一份报告,与仿真一一对应 ①包含详细LCL滤波器参数设计过程 ②仿真整体控制结构的设计 ③准PR控制器控制框图及传递函数等描述 ④对改仿真进行验证,分别在离网和并网下验证,最后分析了动态性能THD等等
最近在搞LCL型三相并网逆变器的仿真,发现准PR控制这玩意儿在跟踪交流信号时确实有点东西。今天咱们就扒一扒这个仿真模型的核心细节,手把手看看怎么从参数设计到控制实现,最后验证THD的动态表现。

先说这个LCL滤波器,参数设计真不是拍脑袋的事。根据报告里的推导过程,滤波电感的取值要兼顾高频谐波衰减和系统稳定性。我写了个MATLAB脚本辅助计算,核心逻辑是让谐振频率落在10倍基频到1/2开关频率之间:
fg = 50; % 基频
fsw = 10e3; % 开关频率
L1 = 3e-3; % 逆变侧电感
L2 = L1*0.2; % 网侧电感
Cf = 15e-6; % 滤波电容
fr = 1/(2*pi)*sqrt((L1+L2)/(L1*L2*Cf)) % 计算谐振频率
assert(fr > 10*fg && fr < 0.5*fsw, '谐振频率不符合要求!')
这里有个骚操作——把网侧电感设为逆变侧电感的20%,既能降低电感总损耗,又能保证足够的谐波衰减。电容值的选取更讲究,得考虑无功功率不超过系统总容量的5%,这个参数跑仿真时母线电压波动控制在3%以内。
控制结构这块采用双闭环架构,外层电压环负责直流母线稳压,内环电流环用准PR控制器实现零稳态误差。仿真模型里最带劲的是这个准PR控制器的实现方式:

(实际应替换为控制框图)

传递函数长这样:
$$

基于准PR控制的LCL三相并网逆变器仿真模型(带报告) 参考资料:附带自己写的一份报告,与仿真一一对应 ①包含详细LCL滤波器参数设计过程 ②仿真整体控制结构的设计 ③准PR控制器控制框图及传递函数等描述 ④对改仿真进行验证,分别在离网和并网下验证,最后分析了动态性能THD等等
G{PR}(s) = Kp + \frac{2Kr\omegac s}{s^2 + 2\omegac s + \omega0^2}

$$
对应到离散化实现,我用Tustin变换搞了个数字控制器。Simulink里直接上Transfer Function模块会出数值不稳定,改成差分方程形式才靠谱:
function y = quasiPR(u)
% 准PR控制器差分方程实现
persistent x1 x2;
if isempty(x1)
x1 = 0; x2 = 0;
end
Ts = 1e-4; % 采样周期
wc = 2*pi*5; % 截止频率
w0 = 2*pi*50; % 基频
Kp = 2.5;
Kr = 500;
a0 = Ts^2*w0^2 + 4*Ts*wc + 4;
b1 = (2*Kp*Ts*wc + Kr*Ts^2*w0^2)/a0;
b2 = (2*Kp*Ts^2*w0^2 - 8*Kp*Ts*wc)/a0;
b3 = (Kr*Ts^2*w0^2 - 2*Kp*Ts*wc)/a0;
y = b1*u + b2*x1 + b3*x2;
x2 = x1;
x1 = u;
end
这个实现的关键在于系数归一化处理,避免除法运算导致数值溢出。实际调试时发现,截止频率ω_c设到5Hz最能兼顾动态响应和抗干扰能力。

离网验证阶段整了个狠活——突加负载测试。当负载从0跳变到100%时,用下面这段代码抓取波形:
set_param('GridTie_Inverter/Scope','TimeSpan','0.2');
simout = sim('GridTie_Inverter');
voltage = simout.logsout{3}.Values.Data;
current = simout.logsout{4}.Values.Data;
(实际应替换为仿真波形图)
并网模式下THD分析才是重头戏。用FFT工具分析网侧电流谐波时,发现开关频率附近的谐波幅值被压制到0.3%以下:
[THD, spectrum] = power_fft(current, 1/Ts, 30);
disp(['THD=' num2str(100*THD) '%']);
输出结果显示THD稳定在1.8%~2.2%之间,比传统PI控制低了近40%。不过要注意的是,当电网阻抗变化超过设计值时,会出现谐振峰偏移的问题,这时候得搬出有源阻尼策略来救场。
整个仿真跑下来最大的教训是:LCL参数和控制参数必须联动调试。有次单独优化控制器导致滤波器震荡,后来发现是谐振频率点落在了控制器带宽边缘。后来加了个阻抗扫描分析才搞定,这坑踩得真值。
AtomGit 是由开放原子开源基金会联合 CSDN 等生态伙伴共同推出的新一代开源与人工智能协作平台。平台坚持“开放、中立、公益”的理念,把代码托管、模型共享、数据集托管、智能体开发体验和算力服务整合在一起,为开发者提供从开发、训练到部署的一站式体验。
更多推荐



所有评论(0)