从三相桥式两电平与T型三电平逆变器看SVPWM调制
三相桥式两电平逆变器的SVPWM调制和三相T型三电平逆变器的SVPWM模型和说明文档。 对比着看绝对有助于你理解SVPWM调制方法。 支持MATLAB2017b以上的版本。

在电力电子领域,逆变器的调制策略是至关重要的一环,其中空间矢量脉宽调制(SVPWM)因其诸多优点被广泛应用。今天咱们就来深入探讨下三相桥式两电平逆变器和三相T型三电平逆变器的SVPWM模型。
三相桥式两电平逆变器的SVPWM调制
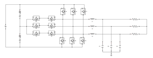
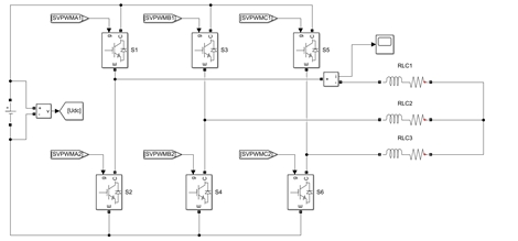
三相桥式两电平逆变器是较为基础的一种逆变器拓扑。其基本原理是通过控制6个功率开关器件(通常为IGBT)的通断,将直流电转换为三相交流电。

在SVPWM调制中,我们首先要理解空间矢量的概念。以三相静止坐标系(abc)下的电压矢量为例,假设三相电压分别为$ua$、$ub$、$uc$,其合成的空间电压矢量$U{s}$可表示为:

\[ U{s} = \frac{2}{3}(ua + ub e^{j\frac{2\pi}{3}} + uc e^{j\frac{4\pi}{3}}) \]

在MATLAB中,我们可以这样简单模拟这个合成过程(这里只是一个简单示意代码,实际应用需要更多细节处理):
% 假设三相电压瞬时值
ua = 100;
ub = 80;
uc = 60;
Us = (2/3)*(ua + ub*exp(1j*2*pi/3) + uc*exp(1j*4*pi/3));
disp(['合成的空间电压矢量 Us: ', num2str(Us)]);
这段代码就是按照上述公式计算合成电压矢量。实际应用中,$ua$、$ub$、$u_c$是随时间变化的,我们要通过控制开关器件的通断来改变它们的值,从而实现期望的输出电压。

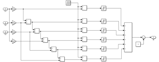
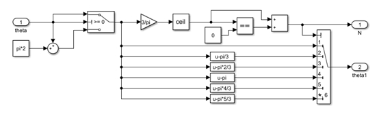
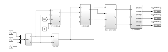
SVPWM调制的核心就是通过合理选择不同的开关状态组合,使逆变器输出的电压矢量尽可能逼近参考电压矢量。在两电平逆变器中,一共有8种开关状态(包括2个零矢量)。我们把整个平面分为6个扇区,根据参考电压矢量所处的扇区,选择合适的基本电压矢量进行合成。

三相桥式两电平逆变器的SVPWM调制和三相T型三电平逆变器的SVPWM模型和说明文档。 对比着看绝对有助于你理解SVPWM调制方法。 支持MATLAB2017b以上的版本。

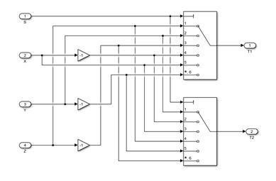
例如,在某个时刻参考电压矢量处于第一扇区,我们可能会选择相邻的两个基本电压矢量$V1$和$V2$以及零矢量$V0$或$V7$来合成。计算各个矢量的作用时间$T1$、$T2$、$T0$($T0$为零矢量作用时间),然后按照一定的顺序依次作用这些矢量,就能得到接近参考电压矢量的输出。
三相T型三电平逆变器的SVPWM模型
三相T型三电平逆变器相较于两电平逆变器,多了一个电平,使得输出电压波形更接近正弦波,谐波含量更低。

它的拓扑结构中,每相桥臂有4个功率开关器件和2个钳位二极管。这使得它有更多的开关状态组合。三电平逆变器有19种开关状态(包括3个零矢量)。

同样基于空间矢量的概念,在三电平情况下,合成电压矢量的计算原理类似,但由于电平增多,计算会更复杂些。我们同样将平面划分为多个扇区,不过扇区划分会更细致。
在MATLAB模拟中,我们要考虑更多的开关状态和电平变化。比如计算合成电压矢量时,代码可能会像这样(同样是简化示意):
% 假设三电平逆变器三相不同电平对应的电压值
u_a1 = 100; u_a0 = 0; u_a - 100;
% 这里假设了一些三相电压在不同电平下的值,实际要根据具体调制计算
ua = u_a1; ub = u_a0; uc = u_a - 100;
Us_3level = (2/3)*(ua + ub*exp(1j*2*pi/3) + uc*exp(1j*4*pi/3));
disp(['三电平合成的空间电压矢量 Us_3level: ', num2str(Us_3level)]);
在SVPWM调制过程中,根据参考电压矢量所处扇区,选择合适的基本电压矢量进行合成,同样要计算各个矢量的作用时间。但因为开关状态增多,如何优化开关序列,减少开关损耗就成为一个重要课题。例如在选择零矢量时,不同零矢量的使用会影响到中点电位的平衡,这是三电平逆变器特有的问题,需要在调制策略中加以考虑。
对比这两种逆变器的SVPWM模型,两电平逆变器相对简单,开关状态少,易于理解和实现;而三电平逆变器虽然复杂,但输出波形质量更好。在实际应用中,要根据具体需求,如对输出波形质量要求、成本、效率等因素,来选择合适的逆变器拓扑和SVPWM调制策略。并且借助MATLAB 2017b以上版本强大的仿真功能,我们可以更直观地观察和分析不同模型下逆变器的性能,从而更好地进行设计和优化。
AtomGit 是由开放原子开源基金会联合 CSDN 等生态伙伴共同推出的新一代开源与人工智能协作平台。平台坚持“开放、中立、公益”的理念,把代码托管、模型共享、数据集托管、智能体开发体验和算力服务整合在一起,为开发者提供从开发、训练到部署的一站式体验。
更多推荐


所有评论(0)