探索考虑需求响应的调频模型在Simulink中的实现
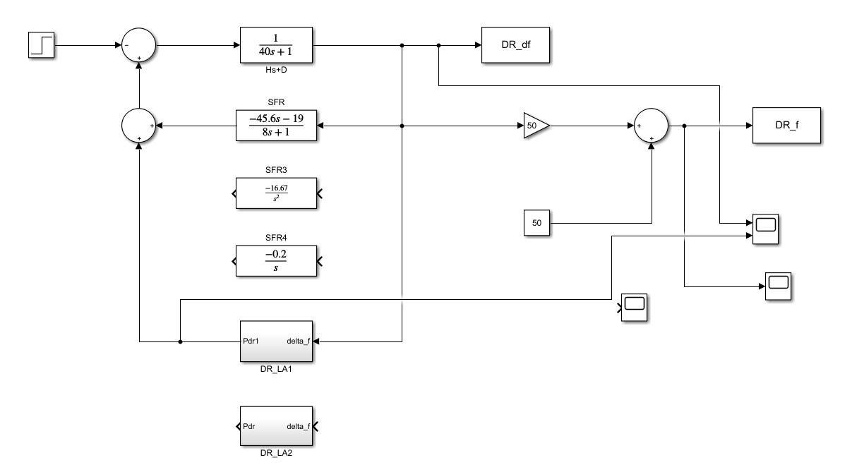
调频模型simulink 考虑需求响应的调频模型,将需求响应参与调频的过程分为两阶段,第一阶段主要用来快速求解频率最低点,第二阶段用来求解频率稳定值,有具体的对应参考资料

在电力系统领域,频率稳定至关重要,而考虑需求响应的调频模型为维持频率稳定提供了新思路。今天咱就唠唠这个模型在Simulink里是咋回事。
两阶段需求响应调频模型概述
这个模型把需求响应参与调频的过程划分为两个阶段。第一阶段的核心任务是迅速找到频率最低点。为啥要这么快找出来呢?因为频率快速下降阶段如果不及时把控,可能引发一系列电力系统的不稳定问题。就好比一辆高速行驶的汽车,得赶紧知道它刹车后最短能在啥位置停下,才能避免后续可能的碰撞啥的。

第二阶段则专注于求解频率稳定值。这就像是汽车停下后,得稳稳当当的,不能还在那晃悠。系统频率最终得稳定在一个合理的数值,才能保证各种电气设备正常工作。
在Simulink中的实现
第一阶段:寻找频率最低点
咱先从Simulink模型搭建说起。在模型里,我们得设置一些关键模块来模拟电力系统的动态过程。比如,我们会用到电源模块、负载模块以及一些用来模拟线路特性的模块。

调频模型simulink 考虑需求响应的调频模型,将需求响应参与调频的过程分为两阶段,第一阶段主要用来快速求解频率最低点,第二阶段用来求解频率稳定值,有具体的对应参考资料

下面咱来点代码,以MATLAB代码辅助说明(假设这部分代码用来模拟第一阶段的频率计算):
% 假设初始参数
base_frequency = 50; % 额定频率50Hz
load_change = 0.2; % 负载变化量
system_inertia = 5; % 系统惯性
% 计算频率变化
delta_f1 = load_change / system_inertia;
lowest_frequency = base_frequency - delta_f1;
这里代码的意思呢,就是先设定一些系统参数,像额定频率、负载变化量以及系统惯性。然后通过负载变化量除以系统惯性得到频率的变化量deltaf1,最后用额定频率减去这个变化量,就得到了频率最低点的估算值lowestfrequency。在Simulink里,对应的模块连接和参数设置就是按照类似这样的逻辑来的。通过一些信号处理模块和计算模块,实时处理系统参数,从而快速算出频率最低点。
第二阶段:求解频率稳定值
第二阶段稍微复杂点。在Simulink模型中,我们要引入需求响应控制模块。这个模块会根据系统频率的实时变化,调整负载的响应。
继续看代码(假设这部分代码用于模拟第二阶段频率稳定值的计算):
% 需求响应系数
dr_coefficient = 0.5;
% 计算考虑需求响应后的频率变化
delta_f2 = (load_change - dr_coefficient * load_change) / system_inertia;
stable_frequency = base_frequency - delta_f2;
这里呢,定义了一个需求响应系数drcoefficient,表示需求响应能抵消多少负载变化的影响。用负载变化量减去需求响应抵消的部分,再除以系统惯性,得到新的频率变化量deltaf2,进而算出频率稳定值stable_frequency。在Simulink里,就是通过一系列的反馈控制和计算模块,来实现这个过程,确保系统频率最终稳定在预期值。
参考资料的价值
这里提到的具体对应参考资料可太重要了。它们不仅能提供更准确的系统参数取值范围,还包含了很多前人的实践经验。比如,有些参考资料里会详细介绍不同电力系统场景下,需求响应系数该怎么调整,才能让调频效果最佳。这些参考资料就像是老手给的秘籍,照着做能少走不少弯路。
总之,考虑需求响应的调频模型在Simulink中的实现,为电力系统频率稳定分析提供了一个强大的工具。通过分阶段模拟和合理的模块搭建、代码辅助,能更好地理解和优化电力系统的调频过程。希望各位电力领域的小伙伴,都能从这个模型里找到自己想要的答案,一起为稳定可靠的电力系统贡献力量!
AtomGit 是由开放原子开源基金会联合 CSDN 等生态伙伴共同推出的新一代开源与人工智能协作平台。平台坚持“开放、中立、公益”的理念,把代码托管、模型共享、数据集托管、智能体开发体验和算力服务整合在一起,为开发者提供从开发、训练到部署的一站式体验。
更多推荐



所有评论(0)