光储并网VSG系统Matlab/simulink仿真模型探索
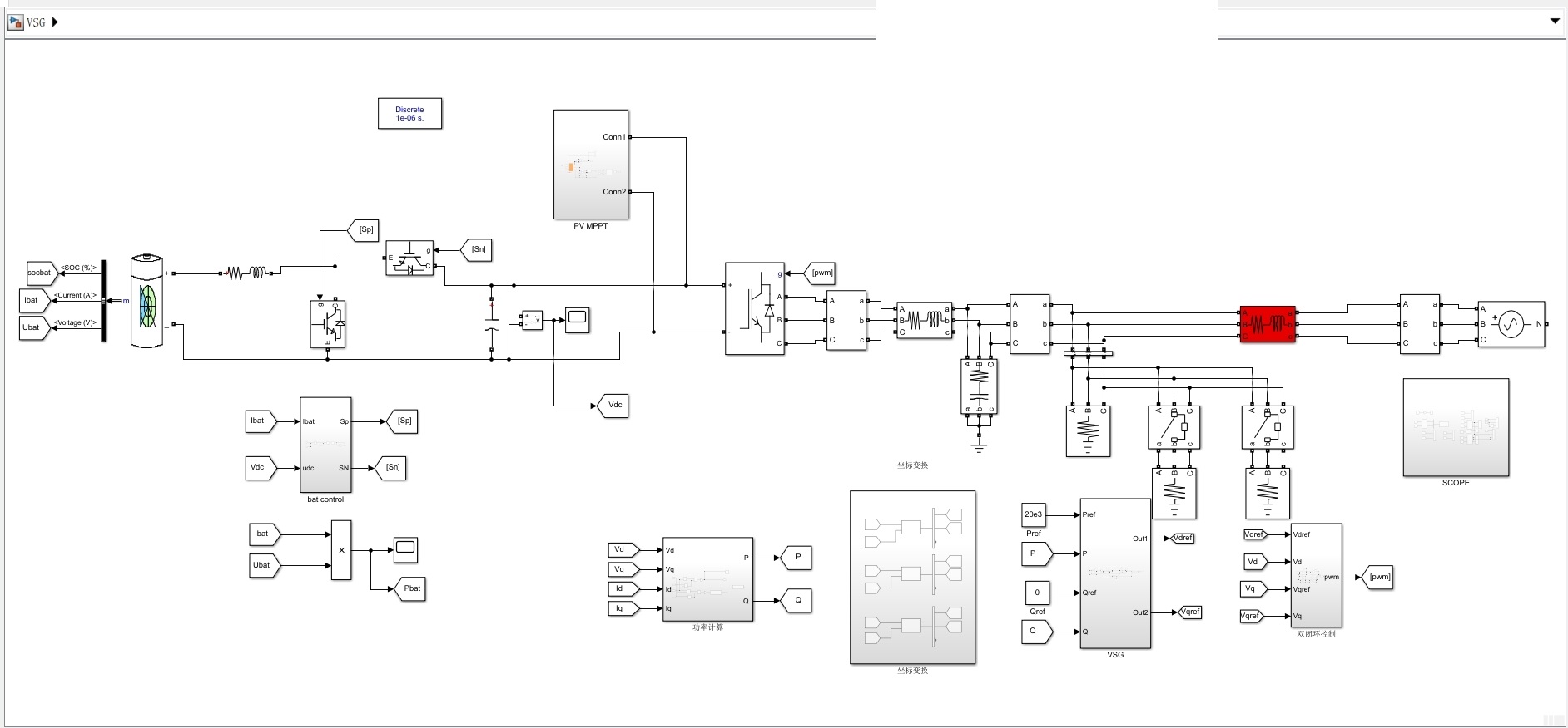
光储并网VSG系统Matlab/simulink仿真模型,附参考文献。 系统前级直流部分包括光伏阵列、变换器、储能系统和双向dcdc变换器,后级交流子系统包括逆变器LC滤波器,交流负载。 光储并网VSG系统在稳态时可以保持系统的频率维持在50Hz,当负荷突增导致频率突然下降时,在VSG控制下经过短暂的动态过程,系统频率恢复至额定值,系统稳定运行,VSGPref为20kW,Qref为0。 附参考文献

在当今能源转型的大背景下,光储并网系统因其能够有效整合太阳能与储能资源,成为了研究热点。其中,基于虚拟同步发电机(VSG)控制的光储并网系统更是凭借其出色的稳定性与适应性,备受关注。今天咱就唠唠这光储并网VSG系统Matlab/simulink仿真模型。
系统架构剖析
整个系统分为前后两级。前级直流部分那可是“藏龙卧虎”,包含了光伏阵列、变换器、储能系统以及双向DC - DC变换器 。光伏阵列作为光能收集器,将太阳能转化为直流电,就像勤劳的小蜜蜂采蜜一样,源源不断地提供能源。变换器呢,负责对光伏阵列输出的电能进行处理,让它变得更“规矩”,符合后续系统的要求。储能系统就像是一个“能量储蓄罐”,在电能富裕时存储起来,电能不足时释放出来,起到稳定系统能量的作用。双向DC - DC变换器则像是一个智能的“搬运工”,灵活地在储能系统和其他部分之间搬运电能。

而后级交流子系统也不简单,由逆变器、LC滤波器和交流负载组成。逆变器的作用至关重要,它把前级处理好的直流电逆变成交流电,就像是一个神奇的“魔法盒子”,完成了从直流到交流的神奇转变。LC滤波器则像一个精细的“筛子”,将逆变器输出的交流电中的杂波过滤掉,让输出的电能更加纯净,适合交流负载使用。
稳态与动态特性表现
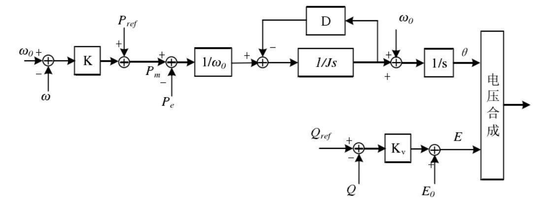
在稳态运行的时候,这光储并网VSG系统就像一个训练有素的士兵,稳稳地把系统频率维持在50Hz。可一旦遇到负荷突增这种“突发状况”,频率就会像坐过山车一样突然下降。不过别担心,在VSG控制这个“智慧大脑”的指挥下,经过一段短暂的动态过程,系统频率又能“顽强”地恢复至额定值,继续稳定运行。这里设定的VSGPref为20kW,Qref为0,这就像是给系统设定了一个“工作指标”,让它按照这个标准去运行。
Matlab/simulink仿真模型搭建思路(代码示意)
咱在Matlab/simulink里搭建这个模型的时候,那可是步步精心。比如说光伏阵列部分,我们可以利用Simulink里的相关模块来模拟它的输出特性。假设用一个简单的光伏电池模型代码示例(这里只是示意简化代码,非完整真实代码):
% 定义光伏电池参数
V_oc = 30; % 开路电压
I_sc = 5; % 短路电流
n_s = 1; % 串联电池片数
n_p = 1; % 并联电池串数
% 计算光伏电池输出电流
function I = pv_current(V)
I = I_sc * n_p * (1 - 0.005 * (V / n_s / V_oc))
end
这里通过定义一些基本参数,然后编写函数来模拟光伏电池在不同电压下的输出电流。在实际Simulink模型搭建中,会用到对应的光伏阵列模块,并将这些参数合理设置进去。

光储并网VSG系统Matlab/simulink仿真模型,附参考文献。 系统前级直流部分包括光伏阵列、变换器、储能系统和双向dcdc变换器,后级交流子系统包括逆变器LC滤波器,交流负载。 光储并网VSG系统在稳态时可以保持系统的频率维持在50Hz,当负荷突增导致频率突然下降时,在VSG控制下经过短暂的动态过程,系统频率恢复至额定值,系统稳定运行,VSGPref为20kW,Qref为0。 附参考文献

再说说逆变器部分,它的控制代码也是关键。比如采用简单的SPWM调制方式(同样为示意代码):
% 定义载波频率和调制波频率
f_c = 10000; % 载波频率
f_m = 50; % 调制波频率
t = 0:0.00001:0.02; % 时间向量
m = 0.8; % 调制比
% 生成载波和调制波
carrier = sin(2 * pi * f_c * t);
modulating_wave = m * sin(2 * pi * f_m * t);
% 比较生成SPWM波
spwm = (modulating_wave > carrier);
这段代码通过设定载波频率、调制波频率等参数,生成了SPWM波,用于控制逆变器的开关动作,实现直流电到交流电的转换。

通过这样一步步搭建各个部分,并合理设置参数和控制算法,就能在Matlab/simulink里构建出完整的光储并网VSG系统仿真模型,进而深入研究它的各种特性。
参考文献
[此处可按照实际参考文献格式依次罗列相关文献,比如:[1]作者1.文献名1[文献类型标识].期刊名1,发表年份,卷号(期号):起止页码. 具体内容需根据真实参考文献来写]

希望通过对这个光储并网VSG系统Matlab/simulink仿真模型的介绍,能让大家对这类系统有更深入的理解,一起探索更多能源领域的奥秘。


AtomGit 是由开放原子开源基金会联合 CSDN 等生态伙伴共同推出的新一代开源与人工智能协作平台。平台坚持“开放、中立、公益”的理念,把代码托管、模型共享、数据集托管、智能体开发体验和算力服务整合在一起,为开发者提供从开发、训练到部署的一站式体验。
更多推荐



所有评论(0)