Simulink电子节气门控制模型:探索发动机的精准调控
simulink电子节气门控制模型发动机电子节气门控制模型,有说明文档,教程。
在汽车工程领域,发动机电子节气门控制对于优化发动机性能起着关键作用。而Simulink作为强大的系统建模与仿真工具,为创建高效的电子节气门控制模型提供了便利。今天咱们就来深入探讨一下这个Simulink电子节气门控制模型,并且还有详细的说明文档和教程哦。
一、为什么选择Simulink构建电子节气门控制模型
Simulink拥有直观的图形化界面,工程师无需繁琐的代码编写就能快速搭建复杂系统模型。对于电子节气门控制这样涉及到机械、电子以及控制算法等多领域交叉的系统而言,Simulink能让我们清晰地看到各个模块之间的交互关系,大大提高建模效率与可理解性。
二、模型构建基础
1. 节气门系统原理
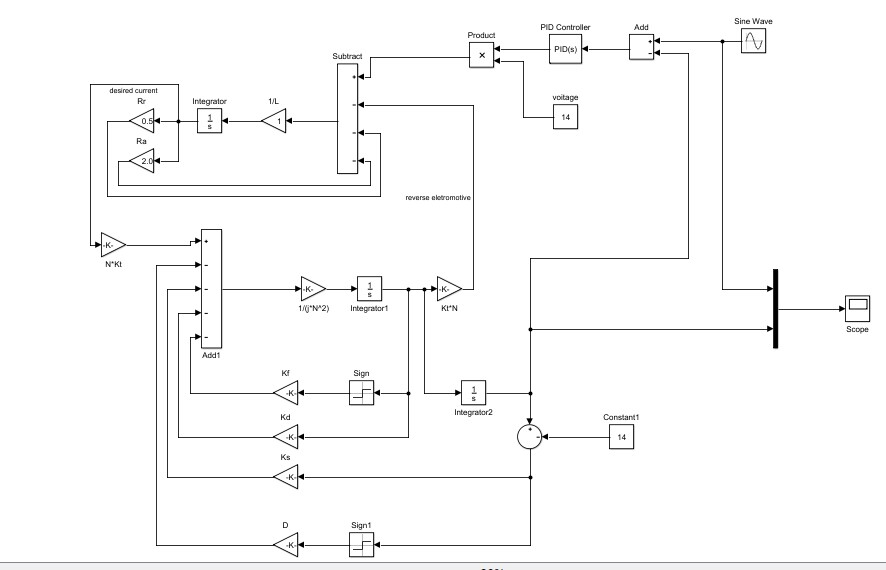
电子节气门通过接收电子信号来控制节气门开度,进而调节进入发动机的空气量。简单来说,发动机控制单元(ECU)会根据诸如油门踏板位置、发动机转速等多种输入信号,计算出合适的节气门开度指令,驱动电机来调整节气门的开启角度。
2. Simulink模块准备
在Simulink中,我们会用到多种模块来构建这个模型。比如:
- 输入模块:像“Step”模块可以模拟油门踏板位置的阶跃变化,作为节气门开度控制的初始输入信号。在Simulink中,将“Step”模块拖入模型窗口,通过设置其参数,如“Step time”(阶跃时间)、“Initial value”(初始值)和“Final value”(终值),就能模拟不同的油门踏板动作场景。代码层面,虽然Simulink主要是图形化操作,但这些参数设置其实对应着底层代码中对信号的初始化和变化设定。例如,下面这段简单的MATLAB代码可以实现类似“Step”模块阶跃信号的生成逻辑:
t = 0:0.01:10; % 时间向量
step_time = 2;
initial_value = 0;
final_value = 1;
y = initial_value * ones(size(t));
y(t >= step_time) = final_value;
plot(t, y);
xlabel('Time (s)');
ylabel('Step Signal Value');
- 控制算法模块:“PID Controller”(比例 - 积分 - 微分控制器)模块常用于调节节气门开度。PID控制器依据设定值与实际反馈值的误差,通过比例、积分和微分环节的运算,输出控制信号给节气门驱动电机。以简单的PID控制代码为例(假设使用Python和控制库
control):
import control
import numpy as np
import matplotlib.pyplot as plt
# 定义PID参数
kp = 0.5
ki = 0.1
kd = 0.2
# 时间向量
t = np.linspace(0, 10, 1000)
# 设定值
r = np.ones(len(t))
# 模拟系统
num = [1]
den = [1, 1]
sys = control.TransferFunction(num, den)
# PID控制器
kp_term = kp
ki_term = ki / np.poly1d([1, 0])
kd_term = kd * np.poly1d([1, 0])
pid = kp_term + ki_term + kd_term
sys_pid = control.feedback(pid * sys, 1)
# 仿真
tout, yout = control.step_response(sys_pid, T=t)
# 绘图
plt.plot(t, r, 'b--', label='Reference')
plt.plot(tout, yout, 'r-', label='Response')
plt.xlabel('Time (s)')
plt.ylabel('Output')
plt.legend()
plt.grid(True)
plt.show()
这段Python代码实现了一个简单的PID控制系统仿真,在Simulink中,“PID Controller”模块帮我们封装了这些复杂的控制算法实现,通过图形化设置参数就能轻松应用到模型中。
- 输出模块:“Scope”模块用于实时显示节气门开度等信号的变化,方便我们直观地观察模型运行效果。这就好比在代码调试中,我们通过打印输出关键变量的值来了解程序运行状态,“Scope”模块以可视化的方式呈现信号变化,让我们能更快速地分析模型性能。
三、搭建Simulink电子节气门控制模型步骤
- 创建新模型:打开MATLAB,进入Simulink界面,点击“新建模型”按钮,创建一个空白的模型窗口。
- 添加模块:从Simulink模块库中找到前面提到的各类模块,如“Step”模块、“PID Controller”模块、“Scope”模块等,依次拖入到模型窗口中。
- 连接模块:使用信号线将各个模块按照节气门控制的逻辑关系连接起来。例如,“Step”模块的输出连接到“PID Controller”模块的设定值输入端口,“PID Controller”模块的输出连接到模拟节气门驱动电机的模块输入,而节气门位置反馈信号再连接回“PID Controller”模块的反馈输入端口。这个连接过程就像是在代码中建立函数调用和数据传递关系,确保整个系统能够协同工作。
- 设置模块参数:双击每个模块,根据实际节气门系统参数和控制要求,设置相应的参数。比如“PID Controller”模块,需要根据系统特性合理调整比例、积分、微分系数,使节气门控制达到最佳效果。
四、模型仿真与优化
搭建好模型后,点击“运行”按钮进行仿真。通过观察“Scope”模块中显示的节气门开度等信号曲线,我们可以分析模型性能。如果发现节气门响应速度过慢或者出现超调等问题,就需要回到模型中,调整“PID Controller”等相关模块的参数,再次运行仿真,直到达到满意的控制效果。这个过程就像在代码中不断调试参数,优化程序性能一样。
五、说明文档与教程的重要性
一份详细的说明文档对于这个模型至关重要。它不仅记录了模型的构建思路、各个模块的功能及参数设置依据,还能帮助其他工程师快速理解和复用这个模型。教程则可以以循序渐进的方式,从模型原理讲解开始,一步步引导新手完成模型搭建、仿真和优化,加速知识传递与技能提升。

simulink电子节气门控制模型发动机电子节气门控制模型,有说明文档,教程。
总之,Simulink电子节气门控制模型为发动机电子节气门的研究与开发提供了高效的平台,结合详细的说明文档和教程,无论是汽车领域的专业人士还是爱好者,都能深入探索发动机精准控制的奥秘。

AtomGit 是由开放原子开源基金会联合 CSDN 等生态伙伴共同推出的新一代开源与人工智能协作平台。平台坚持“开放、中立、公益”的理念,把代码托管、模型共享、数据集托管、智能体开发体验和算力服务整合在一起,为开发者提供从开发、训练到部署的一站式体验。
更多推荐
所有评论(0)