基于LQR最优控制算法的车辆轨迹跟踪控制实践
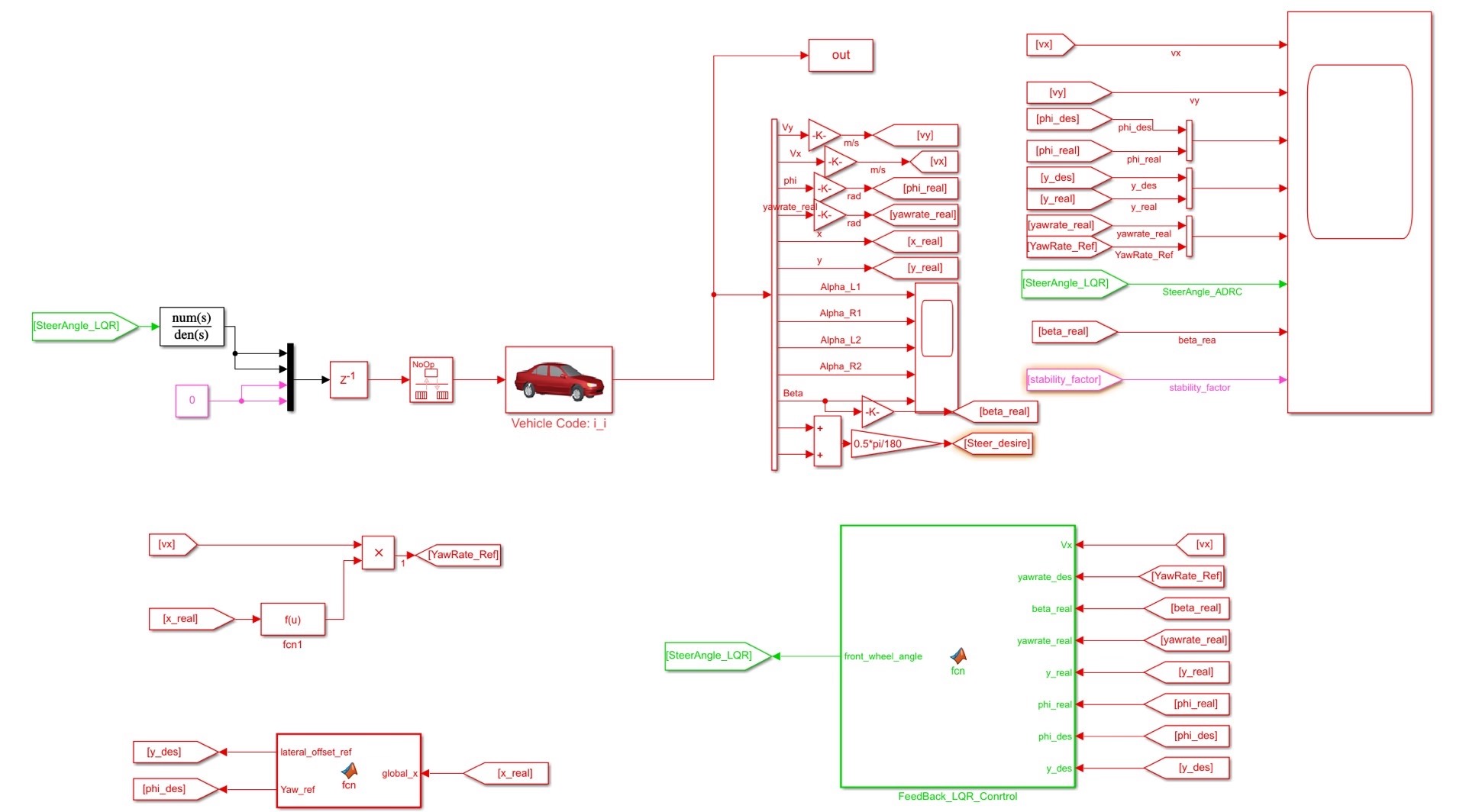
基于LQR最优控制算法实现的轨迹跟踪控制,建立了基于车辆的质心侧偏角、横摆角速度,横向误差,航向误差四自由度动力学模型作为控制模型,通过最优化航向误差和横向误差,实时计算最优的K值,计算期望的前轮转角实现轨迹跟踪,仿真效果良好,有对应的资料,包运行和。
在自动驾驶领域,实现精准的轨迹跟踪控制是关键任务之一。今天来聊一聊基于LQR(线性二次型调节器)最优控制算法达成这一目标的相关内容,顺便带大家看看具体代码实现以及背后的原理。
控制模型建立
我们选用基于车辆的质心侧偏角、横摆角速度,横向误差,航向误差四自由度动力学模型作为控制模型。这个模型能较为全面地反映车辆行驶状态,为后续的控制算法提供基础。
质心侧偏角与横摆角速度
质心侧偏角($\beta$)和横摆角速度($\omega_r$)是描述车辆行驶稳定性的重要参数。在车辆动力学中,它们的关系可以通过一系列方程来描述,比如:

\[ \dot{\beta} = \frac{1}{m Vx} ( -2 C{f} (\beta + \frac{lf}{Vx} \omegar) + 2 C{r} (\frac{lr}{Vx} \omega_r - \beta)) \]
\[ \dot{\omegar} = \frac{1}{Iz} ( 2 lf C{f} (\beta + \frac{lf}{Vx} \omegar) - 2 lr C{r} (\frac{lr}{Vx} \omegar - \beta)) \]

这里,$m$ 是车辆质量,$Vx$ 是纵向速度,$Cf$ 和 $Cr$ 分别是前后轮的侧偏刚度,$lf$ 和 $lr$ 分别是质心到前后轴的距离,$Iz$ 是车辆绕 $z$ 轴的转动惯量。
横向误差与航向误差
横向误差($ey$)和航向误差($e{\theta}$)用于衡量车辆当前位置与期望轨迹的偏差。假设车辆当前位置为 $(x, y)$,期望轨迹上对应点为 $(xd, yd)$,航向角为 $\theta$,期望航向角为 $\theta_d$,则:
\[ ey = (y - yd) \cos \thetad - (x - xd) \sin \theta_d \]

基于LQR最优控制算法实现的轨迹跟踪控制,建立了基于车辆的质心侧偏角、横摆角速度,横向误差,航向误差四自由度动力学模型作为控制模型,通过最优化航向误差和横向误差,实时计算最优的K值,计算期望的前轮转角实现轨迹跟踪,仿真效果良好,有对应的资料,包运行和。
\[ e{\theta} = \theta - \thetad \]
LQR算法实现轨迹跟踪
LQR的核心思想是通过最优化一个性能指标,实时计算出最优的控制输入。在我们的场景中,就是要最优化航向误差和横向误差,从而实时计算最优的 $K$ 值,来得到期望的前轮转角实现轨迹跟踪。
性能指标
定义性能指标 $J$ 为:

\[ J = \int_{0}^{\infty} ( \mathbf{x}^T \mathbf{Q} \mathbf{x} + \mathbf{u}^T \mathbf{R} \mathbf{u} ) dt \]
其中,$\mathbf{x}$ 是状态向量,包含质心侧偏角、横摆角速度、横向误差、航向误差;$\mathbf{u}$ 是控制输入,这里就是前轮转角;$\mathbf{Q}$ 和 $\mathbf{R}$ 是权重矩阵,通过调整它们可以平衡状态跟踪和控制输入的大小。
代码实现
下面是一段简化的Python代码示例(使用 numpy 库)来计算LQR的反馈增益 $K$:
import numpy as np
def lqr(A, B, Q, R):
# 解离散代数Riccati方程
X = np.matrix(np.zeros(A.shape))
i = 0
maxiter = 150
eps = 1e-6
while i < maxiter:
Xn = A.T * X * A - A.T * X * B * np.linalg.inv(R + B.T * X * B) * B.T * X * A + Q
if (np.linalg.norm(Xn - X) < eps):
break
X = Xn
i = i + 1
K = np.linalg.inv(R + B.T * X * B) * B.T * X * A
return K
# 假设已经定义好系统矩阵A、B,权重矩阵Q、R
A = np.array([[0, 1, 0, 0],
[0, -1, 0, 0],
[0, 0, 0, 1],
[0, 0, 0, -1]])
B = np.array([[0],
[1],
[0],
[1]])
Q = np.diag([1, 1, 1, 1])
R = np.diag([1])
K = lqr(A, B, Q, R)
print("计算得到的反馈增益K:", K)
代码分析
在这段代码中,定义了 lqr 函数来求解LQR的反馈增益 $K$。通过迭代求解离散代数Riccati方程,逐步逼近最优解。while 循环中,不断更新 $X$ 的值,直到两次迭代之间的差值小于设定的精度 eps。最后根据公式计算出反馈增益 $K$。

在实际使用中,需要根据车辆动力学模型准确确定系统矩阵 $A$ 和 $B$,以及根据控制需求合理选择权重矩阵 $Q$ 和 $R$。
仿真效果
通过搭建基于上述模型和算法的仿真环境,得到了良好的轨迹跟踪效果。车辆能够快速且稳定地跟踪期望轨迹,横向误差和航向误差都能被有效控制在较小范围内。这得益于LQR算法能够实时根据车辆状态调整控制输入,实现最优控制。
如果你对这方面感兴趣,相关资料一应俱全,包运行哦,大家可以自行探索和实践,进一步优化算法和模型,说不定能在自动驾驶的研究上更进一步呢。
以上就是本次关于基于LQR最优控制算法实现车辆轨迹跟踪控制的分享啦,欢迎交流讨论。
AtomGit 是由开放原子开源基金会联合 CSDN 等生态伙伴共同推出的新一代开源与人工智能协作平台。平台坚持“开放、中立、公益”的理念,把代码托管、模型共享、数据集托管、智能体开发体验和算力服务整合在一起,为开发者提供从开发、训练到部署的一站式体验。
更多推荐



所有评论(0)