探索 Z 源逆变器的多种 SPWM 仿真模型
Z源逆变器,简单升压SPWM,三次谐波升压SPWM,最大升压SPWM,SVPWM的仿真模型,可用于学习研究。

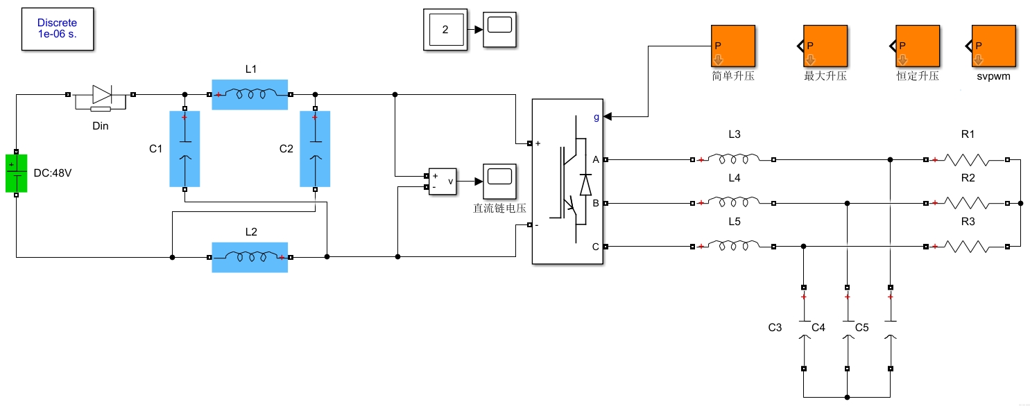
在电力电子领域,Z 源逆变器因其独特的结构和性能优势,越来越受到关注。今天咱就来唠唠 Z 源逆变器中几种常见的 SPWM 仿真模型,包括简单升压 SPWM、三次谐波升压 SPWM、最大升压 SPWM 以及 SVPWM,这些模型对于学习和研究 Z 源逆变器可是相当有用。
简单升压 SPWM
简单升压 SPWM 是一种基础的调制方式。在这个模型里,我们通过控制脉冲宽度来实现电压的升压。

Z源逆变器,简单升压SPWM,三次谐波升压SPWM,最大升压SPWM,SVPWM的仿真模型,可用于学习研究。

先来看段简单的代码示例(以 Python 结合相关电力电子仿真库为例,假设这里有个虚拟的库 power_sim):
import power_sim
# 初始化 Z 源逆变器参数
zsource_inv = power_sim.ZSourceInverter(Vdc=100, L=0.001, C=0.0001)
# 设置简单升压 SPWM 参数
modulation_index = 0.8
frequency = 50
spwm_signal = power_sim.SimpleBoostSPWM(zsource_inv, modulation_index, frequency)
# 进行仿真计算
sim_result = power_sim.simulate(zsource_inv, spwm_signal)
在这段代码中,我们首先初始化了 Z 源逆变器的基本参数,像直流输入电压 Vdc、电感 L 和电容 C。然后设定简单升压 SPWM 的调制指数 modulation_index 和频率 frequency 来生成对应的 SPWM 信号。最后通过仿真函数得到仿真结果。简单升压 SPWM 通过对调制指数的调整,可以改变输出电压的大小,但它的升压能力相对有限。
三次谐波升压 SPWM
三次谐波升压 SPWM 则在简单升压的基础上,巧妙地利用了三次谐波的特性来进一步提升升压能力。
# 生成三次谐波升压 SPWM 信号
thd_spwm_signal = power_sim.ThirdHarmonicBoostSPWM(zsource_inv, modulation_index, frequency)
# 进行基于三次谐波升压 SPWM 的仿真
thd_sim_result = power_sim.simulate(zsource_inv, thd_spwm_signal)
这里我们生成三次谐波升压 SPWM 信号并进行仿真。三次谐波注入到调制波中,在不改变基波频率和相位的情况下,能够增加调制波的幅值,从而在相同的直流母线电压下,获得更高的输出线电压基波幅值,提升了升压效果。这种方式在不增加额外硬件成本的前提下,有效地提高了逆变器的性能。
最大升压 SPWM
最大升压 SPWM 旨在实现 Z 源逆变器的最大升压能力。它通过更精确的调制策略来达到这一目标。
# 生成最大升压 SPWM 信号
max_boost_spwm_signal = power_sim.MaxBoostSPWM(zsource_inv, modulation_index, frequency)
# 进行最大升压 SPWM 的仿真
max_boost_sim_result = power_sim.simulate(zsource_inv, max_boost_spwm_signal)
最大升压 SPWM 对调制波的优化更为精细,充分挖掘了 Z 源网络的升压潜力。它能够在特定的条件下,将输出电压提升到接近理论最大值,为需要高升压比的应用场景提供了可能。不过,这种调制方式对控制算法的要求相对较高,需要更精确的参数设置和实时调整。
SVPWM
SVPWM,即空间矢量脉宽调制,它与前面几种 SPWM 方式有着不同的思路。SVPWM 从空间矢量的角度出发,通过合理地选择和切换逆变器的开关状态,来合成期望的输出电压矢量。
# 生成 SVPWM 信号
svpwm_signal = power_sim.SVPWM(zsource_inv, modulation_index, frequency)
# 进行 SVPWM 的仿真
svpwm_sim_result = power_sim.simulate(zsource_inv, svpwm_signal)
SVPWM 的优势在于它能使逆变器输出的电压更接近正弦波,降低谐波含量,同时提高直流电压的利用率。在三相逆变器系统中,SVPWM 通过对六个基本电压矢量和两个零矢量的组合与作用时间的控制,实现对输出电压矢量的精确合成。相比传统的 SPWM 方式,SVPWM 在电机驱动等对电压质量要求较高的应用场景中表现更为出色。
这几种 Z 源逆变器的 SPWM 仿真模型,各有特点和优势。简单升压 SPWM 易于理解和实现,是入门学习的好选择;三次谐波升压 SPWM 和最大升压 SPWM 则在升压能力上不断突破;而 SVPWM 在优化输出电压质量方面有着独特的优势。通过对这些模型的学习和研究,我们能更深入地掌握 Z 源逆变器的工作原理和性能特点,为实际应用提供有力的支持。希望大家可以动手实践,用这些仿真模型探索 Z 源逆变器更多的奥秘。
AtomGit 是由开放原子开源基金会联合 CSDN 等生态伙伴共同推出的新一代开源与人工智能协作平台。平台坚持“开放、中立、公益”的理念,把代码托管、模型共享、数据集托管、智能体开发体验和算力服务整合在一起,为开发者提供从开发、训练到部署的一站式体验。
更多推荐


所有评论(0)