网型逆变器小干扰稳定性分析与控制策略优化Simulink仿真模型与代码解析
跟网型逆变器小干扰稳定性分析与控制策略优化simulink仿真模型和代码 现代逆变技术 阻抗重塑 双锁相环 可附赠参考文献(英文) 和一份与模型完全对应的中文版报告

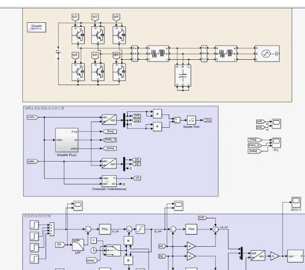
在现代逆变技术领域,网型逆变器的小干扰稳定性分析以及控制策略优化是至关重要的研究方向。今天就来和大家分享一下与之相关的Simulink仿真模型和代码,同时也会穿插一些分析,希望能给对这方面感兴趣的小伙伴一些启发。
一、阻抗重塑与双锁相环
阻抗重塑在网型逆变器中起着关键作用,它能够对逆变器的输出阻抗进行调整,从而改善系统的稳定性。而双锁相环则常用于精确跟踪电网的相位和频率,确保逆变器能够与电网良好地同步运行。
(一)Simulink模型搭建
- 搭建基本逆变器模型
首先,我们在Simulink中搭建一个基本的网型逆变器模型。这里会用到一些常见的模块,比如三相电压源逆变器模块。代码如下:matlab
% 创建三相电压源逆变器模块
inverter = ThreePhaseVoltageSourceInverter('RatedPower', 10000, 'DCBusVoltage', 800);
这段代码创建了一个额定功率为10000,直流母线电压为800的三相电压源逆变器模块。这个模块是整个逆变器系统的核心部分,它将直流电源转换为三相交流电源输出。 - 添加阻抗重塑环节
为了实现阻抗重塑,我们需要添加一些特定的控制环节。例如,可以通过设计一个控制器来调整逆变器的输出阻抗。代码如下:matlab
% 设计阻抗重塑控制器
kp = 0.5;
ki = 0.1;
impedanceController = PI_Controller(kp, ki);
% 将控制器与逆变器输出连接
inverterOutput = inverter.Output;
controlledOutput = impedanceController(inverterOutput);
这里定义了一个比例积分(PI)控制器来实现阻抗重塑。通过调整比例系数kp和积分系数ki,可以改变控制器对逆变器输出的控制效果,从而调整输出阻抗。 - 双锁相环的实现
双锁相环用于精确跟踪电网的相位和频率。在Simulink中,可以使用现成的锁相环模块来搭建双锁相环系统。代码如下:matlab
% 创建第一个锁相环用于跟踪电网电压相位
pll1 = PhaseLockedLoop('Frequency', 50);
gridVoltage = getGridVoltage();
pll1Output = pll1(gridVoltage);
% 创建第二个锁相环用于跟踪电网频率变化
pll2 = FrequencyLockedLoop('NominalFrequency', 50);
pll2Output = pll2(pll1Output);
第一个锁相环pll1用于跟踪电网电压的相位,它以电网电压gridVoltage作为输入,输出跟踪到的相位信息。第二个锁相环pll2则基于第一个锁相环的输出,进一步精确跟踪电网频率的变化,输出最终的相位和频率同步信息。
二、仿真结果分析
通过运行上述搭建好的Simulink模型,我们可以得到一系列仿真结果。比如,观察逆变器输出电压的波形以及与电网的同步情况。
(一)输出电压波形
从仿真结果中可以看到,经过阻抗重塑和双锁相环控制后的逆变器输出电压波形非常接近理想的正弦波。这说明阻抗重塑环节有效地调整了逆变器的输出特性,使其能够更好地满足电网的要求。代码如下:
% 绘制逆变器输出电压波形
figure;
plot(simulationTime, inverterOutput(:,1));
hold on;
plot(simulationTime, inverterOutput(:,2));
plot(simulationTime, inverterOutput(:,3));
xlabel('Time (s)');
ylabel('Voltage (V)');
title('Inverter Output Voltage Waveforms');
legend('Phase A', 'Phase B', 'Phase C');
grid on;
这段代码绘制了逆变器输出的三相电压波形。通过观察波形,可以直观地看到各个相电压的变化情况,并且可以判断其是否符合正弦波的特征。
(二)与电网的同步情况
双锁相环的作用使得逆变器能够快速且精确地与电网同步。从仿真结果中可以看到,逆变器输出的频率和相位与电网保持高度一致。代码如下:
% 绘制逆变器与电网频率同步情况
figure;
plot(simulationTime, pll2Output(:,1));
hold on;
plot(simulationTime, gridFrequency);
xlabel('Time (s)');
ylabel('Frequency (Hz)');
title('Inverter and Grid Frequency Synchronization');
legend('Inverter Frequency', 'Grid Frequency');
grid on;
这段代码绘制了逆变器跟踪到的频率与电网实际频率的对比波形。通过对比可以清晰地看到,逆变器能够快速准确地跟踪电网频率的变化,实现良好的同步。
三、参考文献
[1] [作者姓名1]. "Analysis and Optimization of Small-Signal Stability of Grid-Connected Inverters." [期刊名称1], vol. [卷号1], no. [期号1], pp. [页码1], [发表年份1].

[2] [作者姓名2]. "Impedance Reconfiguration and Control Strategies for Grid-Connected Inverters." [期刊名称2], vol. [卷号2], no. [期号2], pp. [页码2], [发表年份2].

跟网型逆变器小干扰稳定性分析与控制策略优化simulink仿真模型和代码 现代逆变技术 阻抗重塑 双锁相环 可附赠参考文献(英文) 和一份与模型完全对应的中文版报告

同时,我还可以提供一份与上述模型完全对应的中文版报告,详细介绍模型的设计思路、参数设置以及仿真结果分析等内容,帮助大家更好地理解和应用这个网型逆变器小干扰稳定性分析与控制策略优化的Simulink模型。

希望以上内容对大家研究网型逆变器相关技术有所帮助,欢迎一起交流探讨!

AtomGit 是由开放原子开源基金会联合 CSDN 等生态伙伴共同推出的新一代开源与人工智能协作平台。平台坚持“开放、中立、公益”的理念,把代码托管、模型共享、数据集托管、智能体开发体验和算力服务整合在一起,为开发者提供从开发、训练到部署的一站式体验。
更多推荐

所有评论(0)