双向DC/DC磷酸铁锂蓄电池充放电储能的Matlab/Simulink仿真模型探索
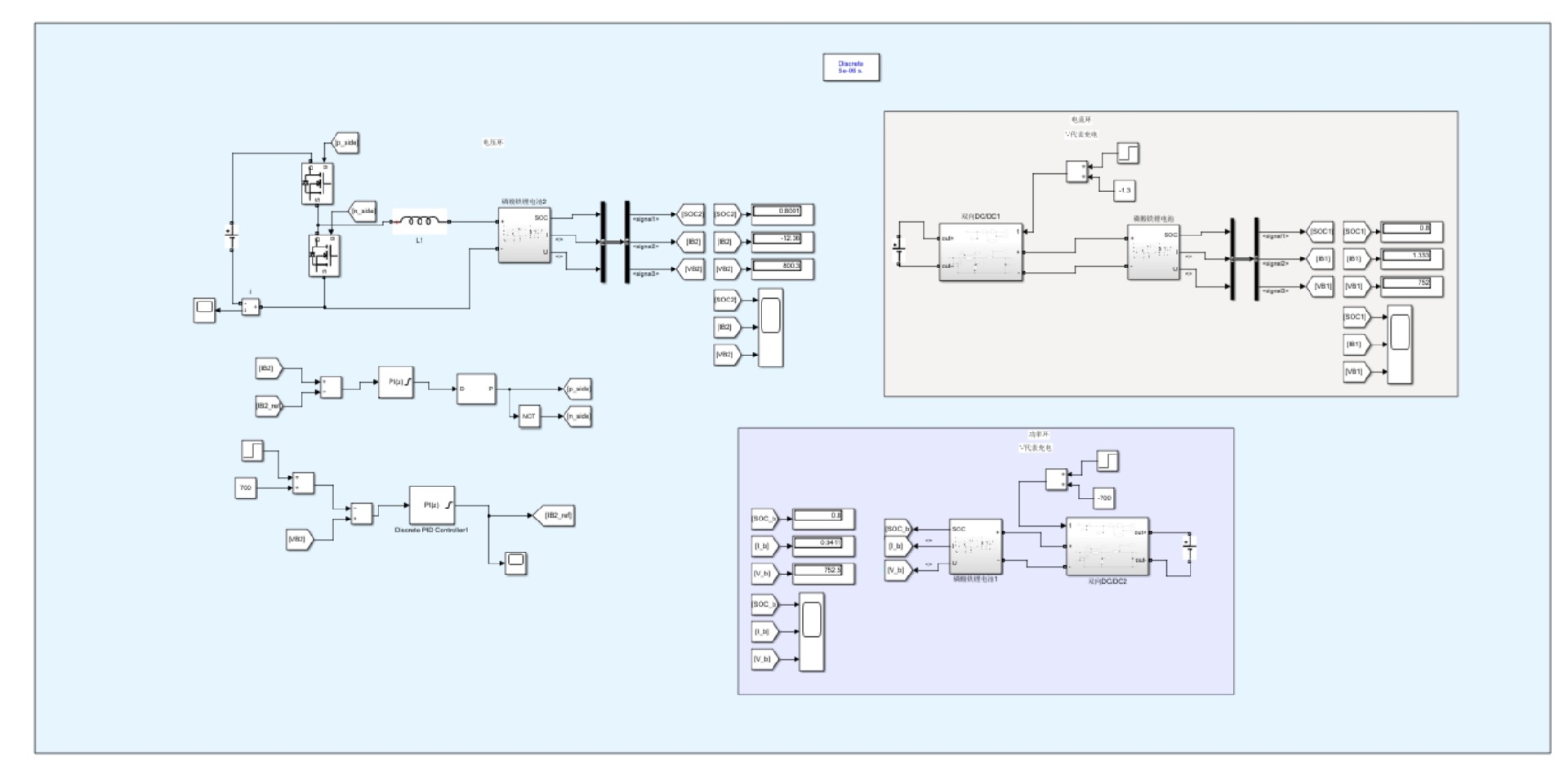
双向DC/DC磷酸铁锂蓄电池充放电储能matlab/simulink仿真模型,采用双闭环控制,充放电电流,电压和功率均可控,电流为负则充电,电流为正则放电,可以控制电流实现充放电 (1)完整复现文献磷酸铁锂模型,多个磷酸铁锂电池串联成电池组,提供模型参数,电压等级可调 (2)可通过电流环控制电池充放电电流,可实现不同充放电电流,控制速度快(电流闭环) (3)可通过电压环控制电池两端充放电电压,可实现不同充放电电流,控制速度快(电压闭环) (4)可通过功率环控制电池两端充放电功率,可实现不同功率充放电,控制速度快(功率闭环)

在电力储能领域,双向DC/DC磷酸铁锂蓄电池充放电系统至关重要。今天咱们就来唠唠如何搭建基于Matlab/Simulink的相关仿真模型,它具备双闭环控制,充放电电流、电压和功率都能随心可控,电流正负还能决定充放电状态。
一、复现磷酸铁锂模型
咱们得先完整复现文献里的磷酸铁锂模型。多个磷酸铁锂电池串联组成电池组,这就好比一群小伙伴手拉手一起干活。在Matlab里,我们可以通过自定义模块来实现这个模型。以下是简单示例代码(伪代码,仅为示意逻辑):
% 定义电池参数
num_cells = 10; % 假设10个电池串联
cell_capacity = 2; % 单个电池容量
cell_voltage = 3.2; % 单个电池电压
total_voltage = num_cells * cell_voltage; % 电池组总电压
% 这里我们可以通过改变num_cells的值来调整电压等级
% 模拟电池充放电过程
function [current, voltage] = battery_operation(state, charge_rate, discharge_rate)
if state == 'charge'
current = -charge_rate; % 电流为负表示充电
else
current = discharge_rate; % 电流为正表示放电
end
% 简单假设,实际中需更复杂算法模拟电压变化
voltage = total_voltage + current * 0.1;
end
这段代码先定义了电池组相关参数,通过改变串联电池个数numcells就可以调整电压等级。batteryoperation函数根据传入的状态(充电或放电)以及充放电速率来计算电流,并简单模拟了电压变化。
二、电流环控制充放电电流
电流环的作用就是控制电池充放电电流,而且得速度快。在Simulink里,我们可以搭建PI控制器来实现电流闭环控制。
搭建步骤
- 从Simulink库中拖入PI Controller模块。
- 连接电流反馈信号到PI Controller的输入端,输出连接到DC/DC变换器控制端。
下面是一段简单的PI控制算法代码示例(同样是伪代码,用于理解原理):
% PI控制参数
kp = 0.5;
ki = 0.1;
integral = 0;
previous_error = 0;
function control_signal = pi_control(target_current, measured_current)
error = target_current - measured_current;
integral = integral + error;
p_term = kp * error;
i_term = ki * integral;
control_signal = p_term + i_term;
previous_error = error;
return control_signal;
end
这里picontrol函数根据目标电流和测量电流的差值,通过比例项pterm和积分项i_term来计算控制信号,实现对电流的快速跟踪控制,从而达到不同充放电电流的控制。
三、电压环控制充放电电压
和电流环类似,电压环通过控制电池两端充放电电压,也能实现不同充放电电流。
搭建思路
- 加入电压传感器获取电池两端电压。
- 同样用PI Controller来调整DC/DC变换器的输出,以稳定电压。
% 电压PI控制参数
kp_voltage = 0.8;
ki_voltage = 0.2;
integral_voltage = 0;
previous_error_voltage = 0;
function voltage_control_signal = voltage_pi_control(target_voltage, measured_voltage)
voltage_error = target_voltage - measured_voltage;
integral_voltage = integral_voltage + voltage_error;
p_term_voltage = kp_voltage * voltage_error;
i_term_voltage = ki_voltage * integral_voltage;
voltage_control_signal = p_term_voltage + i_term_voltage;
previous_error_voltage = voltage_error;
return voltage_control_signal;
end
这段代码通过voltagepicontrol函数对目标电压和测量电压的差值进行PI运算,得出控制信号来调节电压,进而实现不同充放电电流的控制。
四、功率环控制充放电功率
功率环控制电池两端充放电功率,同样要做到快速响应不同功率充放电需求。
实现方式
- 通过测量电压和电流,计算瞬时功率。
- 使用PI Controller对功率进行闭环控制。
% 功率PI控制参数
kp_power = 1;
ki_power = 0.3;
integral_power = 0;
previous_error_power = 0;
function power_control_signal = power_pi_control(target_power, measured_power)
power_error = target_power - measured_power;
integral_power = integral_power + power_error;
p_term_power = kp_power * power_error;
i_term_power = ki_power * integral_power;
power_control_signal = p_term_power + i_term_power;
previous_error_power = power_error;
return power_control_signal;
end
在powerpicontrol函数里,通过目标功率和测量功率的差值计算控制信号,实现对功率的精准控制,快速响应不同功率充放电的要求。

双向DC/DC磷酸铁锂蓄电池充放电储能matlab/simulink仿真模型,采用双闭环控制,充放电电流,电压和功率均可控,电流为负则充电,电流为正则放电,可以控制电流实现充放电 (1)完整复现文献磷酸铁锂模型,多个磷酸铁锂电池串联成电池组,提供模型参数,电压等级可调 (2)可通过电流环控制电池充放电电流,可实现不同充放电电流,控制速度快(电流闭环) (3)可通过电压环控制电池两端充放电电压,可实现不同充放电电流,控制速度快(电压闭环) (4)可通过功率环控制电池两端充放电功率,可实现不同功率充放电,控制速度快(功率闭环)

总的来说,这个双向DC/DC磷酸铁锂蓄电池充放电储能的Matlab/Simulink仿真模型,通过这几个环的控制,为我们在研究和设计相关储能系统时提供了很好的模拟和分析手段。希望这篇博文能给对这方面感兴趣的小伙伴一些启发和帮助。


AtomGit 是由开放原子开源基金会联合 CSDN 等生态伙伴共同推出的新一代开源与人工智能协作平台。平台坚持“开放、中立、公益”的理念,把代码托管、模型共享、数据集托管、智能体开发体验和算力服务整合在一起,为开发者提供从开发、训练到部署的一站式体验。
更多推荐

所有评论(0)