基于变时域(Np)的MPC超车路径规划控制探索
基于变时域(Np)的MPC(模型预测控制)的超车路径规划控制 Carsim是8.1版本。 有安装教程 内附有相关论文可进行参考
在自动驾驶领域,超车路径规划控制是一个关键且极具挑战的任务。今天咱就唠唠基于变时域(Np)的MPC(模型预测控制)在这方面的应用,顺便还会提及8.1版本的Carsim,以及给大家分享下安装教程,文末附上参考论文,方便大家深入研究。
模型预测控制(MPC)的基础认知
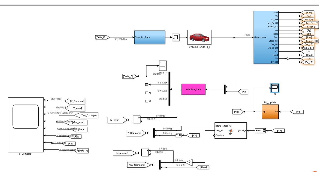
MPC是一种先进的控制策略,它基于系统的模型来预测未来的行为,并通过优化一个性能指标来确定当前的控制输入。简单来讲,就像是给系统做个“未来规划”,然后根据这个规划决定当下怎么做能达到最好的效果。在超车路径规划控制场景下,MPC能根据车辆当前状态、周围环境等因素,预测不同时刻车辆应处的位置和姿态,进而规划出最优的超车路径。
变时域(Np)的巧妙之处
传统MPC中,时域通常是固定的,但在超车这种复杂场景下,固定时域可能无法很好适应不断变化的情况。变时域(Np)的引入就解决了这个问题。它能够根据实际情况动态调整预测时域,比如当接近被超车辆时,为了更精准规划路径,可适当减小预测时域;而在远距离准备超车时,增大预测时域以获取更全局的路径信息。
代码实现片段与分析
下面来看一段简单的MPC基于变时域的代码示例(以Python为例,实际应用可能涉及更多复杂函数库与细节):
import numpy as np
# 假设的车辆状态转移函数
def vehicle_dynamics(x, u, dt):
# x为车辆状态 [位置x, 位置y, 速度v, 航向角theta]
# u为控制输入 [加速度a, 转向角delta]
new_x = x[0] + x[2] * np.cos(x[3]) * dt
new_y = x[1] + x[2] * np.sin(x[3]) * dt
new_v = x[2] + u[0] * dt
new_theta = x[3] + x[2] / L * np.tan(u[1]) * dt
return np.array([new_x, new_y, new_v, new_theta])
# MPC参数设置
Np = 10 # 初始预测时域
dt = 0.1 # 时间间隔
L = 2.5 # 车辆轴距
# 初始化车辆状态
x_current = np.array([0, 0, 10, 0])
# 模拟超车过程
for _ in range(100):
# 根据当前情况动态调整Np
if x_current[0] < 50:
Np = 15
else:
Np = 10
# 这里省略具体的优化求解部分,假设有个函数mpc_solve能得到控制输入u
u = mpc_solve(x_current, Np, dt, L)
# 更新车辆状态
x_current = vehicle_dynamics(x_current, u, dt)
在这段代码中,首先定义了车辆动力学模型vehicle_dynamics,它描述了车辆如何根据当前状态x和控制输入u随时间变化。然后设置了MPC的一些参数,包括初始预测时域Np、时间间隔dt和车辆轴距L。在模拟超车过程中,通过判断车辆当前位置动态调整预测时域Np。虽然这里省略了实际的MPC优化求解部分,但整体结构展示了变时域在MPC中的应用思路。
Carsim 8.1版本的助力
Carsim 8.1版本可是个强大的工具,它能为车辆动力学仿真提供高精度的模型。在基于变时域MPC的超车路径规划控制研究中,Carsim可以用来验证我们规划的路径是否符合实际车辆动力学特性,比如车辆是否会因为转向过度或加速度不合理而失控等。
Carsim 8.1安装教程
- 首先确保你的电脑满足Carsim 8.1的硬件要求,一般来说,至少需要一定的内存(如8GB以上)和足够的硬盘空间(建议预留5GB以上)。
- 获取Carsim 8.1的安装包,可能是光盘镜像或者下载的压缩文件。如果是光盘镜像,插入光盘后,找到安装程序,一般是
.exe后缀的文件,双击运行。若是压缩文件,先解压到指定文件夹,再找到安装程序运行。 - 按照安装向导提示进行操作,在安装过程中可能会让你选择安装路径,建议选择空间充足且便于访问的目录。安装过程可能需要一些时间,请耐心等待。
- 安装完成后,可能需要进行许可证激活等操作,按照相应提示完成即可。
参考论文推荐
[论文1名称] - 该论文深入探讨了基于MPC的路径规划基础理论,为理解MPC在超车场景的应用提供了扎实的理论基础。

基于变时域(Np)的MPC(模型预测控制)的超车路径规划控制 Carsim是8.1版本。 有安装教程 内附有相关论文可进行参考
[论文2名称] - 专注于变时域MPC在复杂交通场景下的优化,对我们基于变时域的超车路径规划控制有很大的参考价值。

希望通过这篇博文,大家对基于变时域(Np)的MPC超车路径规划控制以及Carsim 8.1版本有了更清晰的认识,一起在自动驾驶研究领域不断探索前行!
AtomGit 是由开放原子开源基金会联合 CSDN 等生态伙伴共同推出的新一代开源与人工智能协作平台。平台坚持“开放、中立、公益”的理念,把代码托管、模型共享、数据集托管、智能体开发体验和算力服务整合在一起,为开发者提供从开发、训练到部署的一站式体验。
更多推荐



所有评论(0)