高压直流输电在线监测Matlab仿真模型:包含故障监测与GUI界面参数设置功能
高压直流输电在线监测Matlab仿真模型 本设计对故障监测,同时设置了GUI界面,可以设置参数等等
一、系统开发背景与核心目标
在电力系统“强直弱交”特性持续增强的背景下,大规模直流互联引发的送、受端交流系统相互影响日益凸显,对特高压交直流电力系统的安全稳定运行构成威胁。高压直流输电技术凭借输送容量大、功率快速可控、输电损耗低等优势,广泛应用于长距离输电和异步联网场景,但换相失败等故障问题亟待精准监测与控制。

本系统以CIGRE HVDC标准测试系统为载体,基于MATLAB/GUI开发,核心目标是通过电磁暂态仿真分析直流输电系统运行特性,实现仿真模型调用、运行数据图形化展示、控制参数设定等功能,帮助使用者掌握直流输电系统运行原理,为系统运行监测与故障分析提供技术支撑。
二、核心技术依托与基础参数
(一)核心开发工具
系统采用MATLAB/Simulink/SimPowerSystem作为仿真平台,用于搭建高压直流输电系统电磁暂态模型,实现稳态与暂态过程仿真;借助MATLAB/GUI进行可视化操作与监测界面设计,通过编写专用程序实现各类控制功能;全程以CIGRE HVDC Benchmark System标准参数体系为依据,确保仿真模型的规范性与准确性。
(二)系统核心参数
CIGRE HVDC标准测试系统关键参数为系统设计与运行提供基础依据,具体如下:
- 直流系统:额定电压500kV,额定容量1000MW,直流线路电阻0.41Ω/km,直流线路与平波电抗器总电感1.194H;
- 整流侧:交流系统电压345kV、频率50Hz,短路比(SCR)2.5∠84°,触发角α=20°;配置二阶高通滤波器(252.5Mvar)、C型阻尼滤波器(252.2Mvar)及固定电容器(125Mvar);换流变压器参数为345/213.4557kV、603.73MVA,漏抗0.18p.u.;
- 逆变侧:交流系统电压230kV、频率50Hz,短路比(SCR)2.5∠75°,关断角γ=15°;滤波器配置与整流侧一致;换流变压器参数为230/209.2288kV、591.79MVA;
- 辅助元件:串联RC阻尼电路电阻5000Ω,电容0.05μF;整流侧交流等值系统为R-R-L型,逆变侧为R-L-L型,二者在低次谐波范围内呈现不同阻抗特性。
三、核心功能模块说明
(一)仿真模型搭建与初始化功能
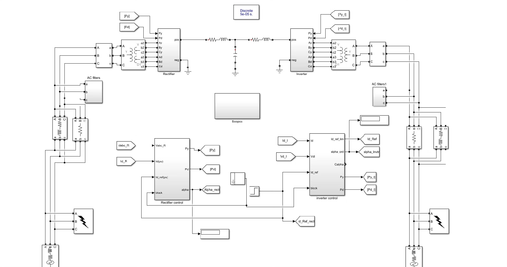
该模块是系统运行的基础,核心任务是依据CIGRE HVDC标准参数,在Simulink中构建完整的高压直流输电系统模型,涵盖一次系统与控制系统两大部分。

一次系统模型包括整流侧与逆变侧的交流系统、换流变压器、12脉冲桥结构换流阀、各类滤波器(二阶高通滤波器、C型阻尼滤波器)、固定电容器、直流线路及平波电抗器等核心电气设备,所有设备参数均严格遵循标准测试系统要求。控制系统模型包含极控制系统与阀控系统,采用定电流控制策略,为后续参数调节与故障响应提供控制基础。模型搭建完成后,自动完成参数初始化配置,确保系统具备启动运行的基础条件。
(二)故障场景模拟与数据采集功能
该模块专注于模拟高压直流输电系统常见故障场景,并同步采集关键电气量数据,为暂态特性分析提供原始数据支撑。

支持的故障场景包括整流侧交流系统三相故障、逆变侧交流系统三相故障及逆变侧单相故障,同时可进行无故障稳态仿真作为对比参考。故障参数可灵活配置,包括故障启动时间、持续时长及故障电阻等,以模拟不同严重程度的故障情况。

高压直流输电在线监测Matlab仿真模型 本设计对故障监测,同时设置了GUI界面,可以设置参数等等

数据采集环节以0.1ms的采样步长,同步捕捉8类核心电气量的动态变化,具体包括整流侧交流电压与电流、逆变侧交流电压与电流、直流侧电压与电流、触发角α及关断角γ。采集的数据以标准化格式保存,便于后续离线分析与场景复现。
(三)换相失败分析功能
换相失败是直流输电系统最严重的故障之一,该模块专门针对这一故障类型,开展全方位分析以揭示故障机理与恢复特性。

分析过程以关断角γ=10°作为换相失败判断阈值,通过自动遍历采集的暂态数据,精准识别换相失败的发生时间与恢复时间,计算故障恢复持续时长,并同步记录故障发生时的逆变侧交流电压等关键状态参数。基于直流系统电压电流动态方程(Udr - Udi = Rd×Idc + Ld×(dIdc/dt)),量化分析故障过程中的能量平衡关系,深入揭示换相失败的本质原因。

同时,通过多维度图形化展示,直观呈现换相失败过程中关断角γ、直流电压与电流、逆变侧交流电压的变化趋势,自动生成标准化分析报告,明确故障触发条件、特征表现及恢复机制。
(四)GUI在线监测控制界面功能
该模块作为系统的用户交互核心,提供可视化操作环境,实现“一键操作、实时监测”的便捷体验,集成了仿真控制、参数配置、数据展示等全方位功能。

界面主要分为四大功能区域:一是标题区域,明确系统名称与核心用途;二是仿真控制区域,包含故障场景下拉选择框(提供4种场景选项)、控制参数配置输入框(可设定触发角α与关断角γ),以及仿真启动与停止按钮,操作流程简洁直观;三是数据图形化展示区域,通过3个子图分别呈现交流侧电压(整流侧与逆变侧对比)、直流侧电压与电流、控制角度(α与γ对比)的动态变化,数据实时更新无延迟;四是状态信息显示区域,实时反馈系统运行状态,包括等待启动、仿真中、仿真完成及错误提示等,方便用户及时掌握系统情况。
界面还具备参数有效性校验功能,对输入的触发角α(0-90°)与关断角γ(0-90°)进行范围限制,避免非法参数导致仿真失败;采用后台异步运行机制,确保仿真过程中界面不阻塞,操作流畅。
四、系统整体运行流程
- 模型初始化:系统启动后,自动创建CIGRE HVDC标准测试系统仿真模型,完成一次设备与控制系统的参数配置,为仿真运行奠定基础;
- 界面交互配置:用户通过GUI界面选择目标故障场景,根据需求设定触发角α、关断角γ等控制参数,完成仿真前准备;
- 仿真启动与数据采集:点击“启动仿真”按钮,系统自动启用指定故障模块(无故障场景则直接进入稳态仿真),运行电磁暂态仿真,同步采集核心电气量数据;
- 暂态与故障分析:仿真过程中,系统自动分析稳态特性、故障暂态响应,识别换相失败并开展量化分析,生成多维度数据曲线;
- 结果展示与存储:GUI界面实时更新数据曲线,仿真完成后自动保存数据文件与分析报告,支持后续查阅与复用;
- 二次操作:用户可切换故障场景、修改控制参数,重复启动仿真,实现多场景对比分析。
五、系统核心价值与应用场景
(一)核心价值
- 标准化建模:严格遵循CIGRE HVDC Benchmark System标准,确保仿真模型的权威性与结果的可比性;
- 自动化分析:实现故障模拟、数据采集、故障识别、机理分析全流程自动化,大幅降低人工操作成本;
- 可视化监测:通过直观的界面设计与图形展示,降低技术门槛,便于不同知识背景的使用者掌握系统运行状态;
- 数据支撑:生成的仿真数据与分析报告,可为高压直流输电系统的设计优化、故障防护提供可靠的数据参考。
(二)应用场景
- 学术研究:适用于高压直流输电系统暂态特性、换相失败机理等课题的研究与验证;
- 工程设计:辅助高压直流输电工程的控制系统参数优化与故障防护方案设计;
- 教学培训:作为电气工程专业学生的实践教学工具,直观展示直流输电系统运行与故障特性;
- 运维参考:为电力系统运维人员提供故障模拟数据,辅助制定故障应急处理预案。
AtomGit 是由开放原子开源基金会联合 CSDN 等生态伙伴共同推出的新一代开源与人工智能协作平台。平台坚持“开放、中立、公益”的理念,把代码托管、模型共享、数据集托管、智能体开发体验和算力服务整合在一起,为开发者提供从开发、训练到部署的一站式体验。
更多推荐



所有评论(0)