三相静止无功发生器SVG并网仿真模型说明报告
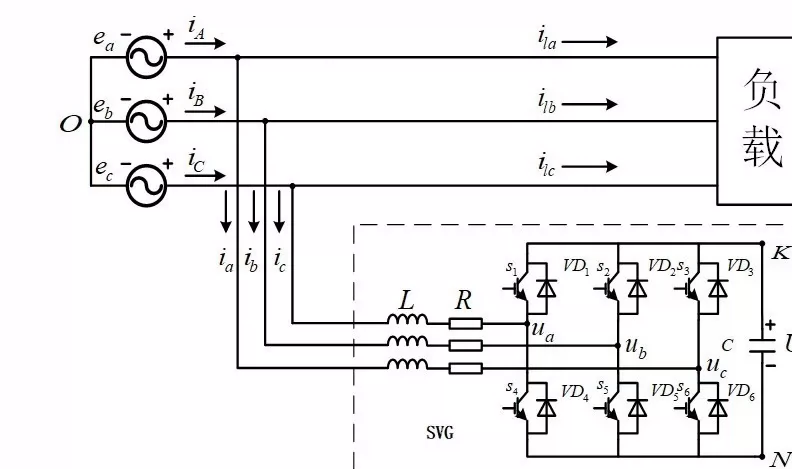
三相静止无功发生器SVG并网仿真模型(附说明报告)三相静 三相静止无功发生器SVG并网仿真模型(附说明报告) 三相静止无功发生器SVG并网仿真模型(附说明报告) 仿真带一份与仿真完全对应的31页Word报告可结合仿真快速入门学习SVG [1]报告内容:原理说明及仿真详细说明和结果分析(详细看展示的报告内容) 1.基于电压定向的双闭环控制策略,直流电压外环电流内环控制 2.分别采用正弦脉宽调制SPWM与SVPWM调制的静止无功发生器对比SVG交流侧输出电流的谐波含量 3.报告结尾附搭建仿真过程的参考文献 [2]主要参数有: 负载有功200KW 负载无功100Kvar 电网侧线电压为400V 系统频率50Hz 并网电感为1mH 直流侧电容电压800V 在三相静止无功发生器SVG系统仿真图中,主要包括三相电网电压模块、三相对称负载模块、电压型桥式变换器模块、脉宽调制信号发生模块、锁相环PLL模块、变换器控制模块等

一、引言

随着电力系统的不断发展,无功功率问题日益突出,对无功功率进行合理控制已成为电力系统的关键问题之一。三相静止无功发生器SVG作为一种重要的无功补偿设备,具有响应速度快、补偿效果良好等优点,得到了广泛的应用。本文将通过仿真模型详细介绍三相静止无功发生器SVG并网运行的原理、仿真过程及结果分析。

二、仿真模型介绍
- 系统构成
三相静止无功发生器SVG并网仿真模型主要包括三相电网电压模块、三相对称负载模块、电压型桥式变换器模块、脉宽调制信号发生模块、锁相环PLL模块、变换器控制模块等。
- 控制策略
本仿真模型采用基于电压定向的双闭环控制策略,直流电压外环电流内环控制。这种控制策略可以有效地实现SVG的快速响应和精确控制。

三、仿真过程及详细说明
- 仿真参数设置
负载有功:200KW;负载无功:100Kvar;电网侧线电压:400V;系统频率:50Hz;并网电感:1mH;直流侧电容电压:800V。
- 仿真过程
(1)正弦脉宽调制SPWM与SVPWM调制的静止无功发生器对比

在仿真过程中,我们分别采用了正弦脉宽调制SPWM和SVPWM调制,对比了SVG交流侧输出电流的谐波含量。通过对比分析,我们发现SVPWM调制能够有效降低输出电流的谐波含量,提高SVG的运行效率。

(2)并网运行仿真

三相静止无功发生器SVG并网仿真模型(附说明报告)三相静 三相静止无功发生器SVG并网仿真模型(附说明报告) 三相静止无功发生器SVG并网仿真模型(附说明报告) 仿真带一份与仿真完全对应的31页Word报告可结合仿真快速入门学习SVG [1]报告内容:原理说明及仿真详细说明和结果分析(详细看展示的报告内容) 1.基于电压定向的双闭环控制策略,直流电压外环电流内环控制 2.分别采用正弦脉宽调制SPWM与SVPWM调制的静止无功发生器对比SVG交流侧输出电流的谐波含量 3.报告结尾附搭建仿真过程的参考文献 [2]主要参数有: 负载有功200KW 负载无功100Kvar 电网侧线电压为400V 系统频率50Hz 并网电感为1mH 直流侧电容电压800V 在三相静止无功发生器SVG系统仿真图中,主要包括三相电网电压模块、三相对称负载模块、电压型桥式变换器模块、脉宽调制信号发生模块、锁相环PLL模块、变换器控制模块等

在并网运行仿真中,我们采用了基于电压定向的双闭环控制策略,实现了SVG的快速响应和精确控制。通过调整控制参数,使得SVG能够快速适应电网电压的变化,保持输出无功功率的稳定。

四、结果分析
通过仿真实验,我们得到了SVG并网运行时的电流波形、电压波形等数据。通过对这些数据进行分析,我们可以得出以下结论:
- SVPWM调制能够有效降低SVG交流侧输出电流的谐波含量,提高SVG的运行效率。
- 基于电压定向的双闭环控制策略能够实现SVG的快速响应和精确控制,使得SVG能够快速适应电网电压的变化,保持输出无功功率的稳定。
- 在负载有功200KW、负载无功100Kvar的条件下,SVG能够有效地进行无功补偿,提高电力系统的功率因数。
五、参考文献
[此处附搭建仿真过程的参考文献]
六、结语
本文通过仿真模型详细介绍了三相静止无功发生器SVG并网运行的原理、仿真过程及结果分析。希望能够帮助读者快速入门学习SVG,为电力系统的无功功率控制提供参考。
AtomGit 是由开放原子开源基金会联合 CSDN 等生态伙伴共同推出的新一代开源与人工智能协作平台。平台坚持“开放、中立、公益”的理念,把代码托管、模型共享、数据集托管、智能体开发体验和算力服务整合在一起,为开发者提供从开发、训练到部署的一站式体验。
更多推荐



所有评论(0)