感应异步电机无传感器矢量控制的完整C代码+仿真模型:基于电压模型+电流模型的磁链观测器实现
感应异步电机的无传感器矢量控制,完整的C代码+仿真模型: 1. 基于“电压模型+电流模型”的磁链观测器,实现转子磁场定向控制(FOC),可实现电机在低速、中高速段的高精度的转速估算; 代码已经成功移植到DSP芯片(TMS320F28335)和STM32F107中,对一台额定功率为33kW的异步电机进行了无传感器矢量控制,波形和试验台架数据见下图。 2. 可实现电机带满载零速启动,抗负载扰动性强,响应速度快,控制精度高; 3. SVPWM空间电压矢量调制,定子电流波形的畸变率低; 4.采用S-Function的方式,把C代码直接在simulink下进行仿真,所见即所得! 5.详细的算法原理推导,跟程序代码是完全对应的。
1. 系统定位与整体目标
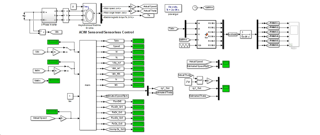
本套代码实现了一套完整的感应异步电机(ACIM)无传感器矢量控制(Sensorless Field-Oriented Control, FOC)系统,其核心目标是在不依赖编码器或霍尔传感器的前提下,精确估算电机转子的位置与转速,并在此基础上实现高性能的磁场定向控制。该系统已在 TMS320F28335 DSP 与 STM32F107 微控制器上成功部署,适用于额定功率高达 40kW 的工业级异步电机,具备零速满载启动、抗负载扰动强、动态响应快、电流波形畸变率低等关键性能优势。

感应异步电机的无传感器矢量控制,完整的C代码+仿真模型: 1. 基于“电压模型+电流模型”的磁链观测器,实现转子磁场定向控制(FOC),可实现电机在低速、中高速段的高精度的转速估算; 代码已经成功移植到DSP芯片(TMS320F28335)和STM32F107中,对一台额定功率为33kW的异步电机进行了无传感器矢量控制,波形和试验台架数据见下图。 2. 可实现电机带满载零速启动,抗负载扰动性强,响应速度快,控制精度高; 3. SVPWM空间电压矢量调制,定子电流波形的畸变率低; 4.采用S-Function的方式,把C代码直接在simulink下进行仿真,所见即所得! 5.详细的算法原理推导,跟程序代码是完全对应的。

代码采用模块化、结构体封装、宏驱动的 C 语言风格,便于在 Simulink 中通过 S-Function 进行“所见即所得”的仿真验证,同时兼顾定点数平台(如 TI IQmath)的移植需求,体现了高度的工程实用性与可扩展性。
2. 控制架构与核心流程
整个系统以固定采样周期(由 ISR_FREQUENCY = 0.55 kHz 定义,即约 1.82ms)运行,主控制流程可划分为以下六大功能阶段:
2.1 信号采集与坐标变换
系统首先采集三相定子电流(Isa, Isb, Isc)与直流母线电压(Udc)。
- 通过 Clarke 变换模块(
clarke.h),将三相电流转换为两相静止坐标系(αβ)下的分量(Iα, Iβ)。 - 同时,利用 PWM 占空比(Ta, Tb, Tc)与 Udc,通过 相电压重构模块(
volt_calc.h)计算出实际施加于电机的 αβ 坐标系电压(Vα, Vβ),避免对电压传感器的依赖。
2.2 转子磁链与位置估算(无传感器核心)
这是整个系统的技术核心,由 磁链观测器模块(aci_fe.h)实现:
- 采用 “电压模型 + 电流模型”融合策略:
- 电压模型:通过对反电动势积分估算定子磁链,再推导转子磁链。适用于中高速,但低速易受积分漂移影响。
- 电流模型:基于电机等效电路与转子时间常数计算转子磁链。低速性能好,但对参数敏感。
- 两者通过一个 PI 补偿器 动态校正误差,输出高鲁棒性的 αβ 坐标系转子磁链估计值(Ψdr, Ψqr)。
- 最终通过
atan2(Ψqr, Ψdr)计算出 转子磁链角度ThetaFlux,作为 FOC 所需的转子位置信息。
2.3 转速估算
由 速度估算器模块(aci_se.h)完成:
- 利用磁链角度变化率估算 同步转速(需处理角度跳变问题)。
- 结合电流与磁链信息计算 转差频率。
- 同步转速减去转差频率,得到 转子电角速度估计值,并转换为机械转速(rpm)。
- 内置低通滤波与限幅机制,确保估算结果平滑、可靠。
2.4 双闭环矢量控制
系统采用经典的 速度外环 + 电流内环 结构:
- 速度环(
pi.h):以设定转速为参考,估算转速为反馈,PI 控制器输出 q 轴电流参考值 Iq_ref(代表转矩指令)。 - d 轴电流参考值 Id_ref 通常设为弱磁或 MTPA(最大转矩电流比)对应的值(代码中默认 0.28 pu),用于控制励磁。
- 电流环:分别对 d/q 轴电流进行 PI 控制,输出 d/q 轴电压指令(Vdref, Vqref)。
2.5 逆变换与 SVPWM 调制
- 通过 逆 Park 变换(
ipark.h),将旋转坐标系(dq)下的电压指令转换回静止坐标系(αβ)。 - SVPWM 模块(
svgen.h)根据 Vαref / Vβref 计算三相占空比(Ta, Tb, Tc),实现空间电压矢量调制,确保直流母线电压利用率最高、电流 THD 最低。 - 模块还支持 死区补偿(通过
switch_conpensate),进一步提升低速性能。
2.6 辅助功能
- 斜坡发生器(
rampgen.h)与 斜坡控制器(rmp_cntl.h):用于平滑设定值变化,避免阶跃冲击。 - 增量式调试支持(
Settings.h中的BUILDLEVEL):从 LEVEL1(模块检查)到 LEVEL6(完整无感闭环),支持分阶段验证,极大提升开发效率。
3. 关键功能特性详解
3.1 全速域高精度位置/转速估算
磁链观测器的融合设计是系统能在 0 rpm 到额定转速 范围内稳定运行的关键。尤其在 零速满载启动 场景下,电流模型提供初始磁链方向,电压模型逐步接管,确保启动过程平稳无抖振。
3.2 鲁棒的参数适应性
虽然电流模型依赖转子电阻(Rr)等参数,但融合机制与 PI 补偿显著降低了对参数精度的敏感度。即使在电机温升导致 Rr 变化的情况下,系统仍能维持良好性能。
3.3 高效的仿真-实物一致性设计
- 所有运算通过
IQmathLib.h中的宏(如IQmpy,IQatan2PU)封装,模拟定点数行为。 - 在 Simulink 中通过
mex main.c编译为 S-Function,实现 “仿真即代码”,大幅缩短开发周期。 - 电机参数(Rs, Rr, Ls, Lr, Lm, 极对数等)与控制器参数(PI 增益、截止频率等)均在
Settings.h中集中定义,便于调试与移植。
3.4 多维度状态输出与可观测性
main.c 的输出端口多达 17 组,涵盖:
- PWM 占空比(Ta, Tb, Tc)
- 各坐标系电流/电压(abc, αβ, dq)
- 磁链估计值(电压模型 vs 电流模型)
- 补偿电压、滑差频率、估算转速(pu 与 rpm)
- 内部状态变量(如积分项、角度等)
这为 算法验证、故障诊断、性能调优 提供了丰富数据支持。
4. 总结
本代码不仅是一套可运行的无传感器矢量控制实现,更是一个高度工程化、模块清晰、调试友好、性能卓越的电机控制软件框架。其功能设计紧扣“无传感器”这一核心挑战,通过融合观测器、双闭环控制、SVPWM 调制等关键技术,实现了工业级异步电机的高性能驱动。代码结构与 Simulink 集成方式,使其成为从学术研究到产品落地的理想桥梁。







AtomGit 是由开放原子开源基金会联合 CSDN 等生态伙伴共同推出的新一代开源与人工智能协作平台。平台坚持“开放、中立、公益”的理念,把代码托管、模型共享、数据集托管、智能体开发体验和算力服务整合在一起,为开发者提供从开发、训练到部署的一站式体验。
更多推荐


所有评论(0)