探索PFC + 全桥LLC谐振变换器参数设计
PFC+全桥LLC谐振变化器参数设计资料(闭环仿真+参数设计报告) 资料内容: [1]PFC和LLC闭环仿真模型:纯在simulink中搭建,参数都是参考报告得到的,仿真验证了所设计出的参数合理 [2]52页详细的设计报告:与仿真和mathcad完全对应,方便快速深入学习LLC谐振变化器 [3]Mathcad计算书:无迹为了更好的理解参数设计,且方便自动设计不同参数的PFC或LLC变换器,因此整理了计算书,可以直接计算

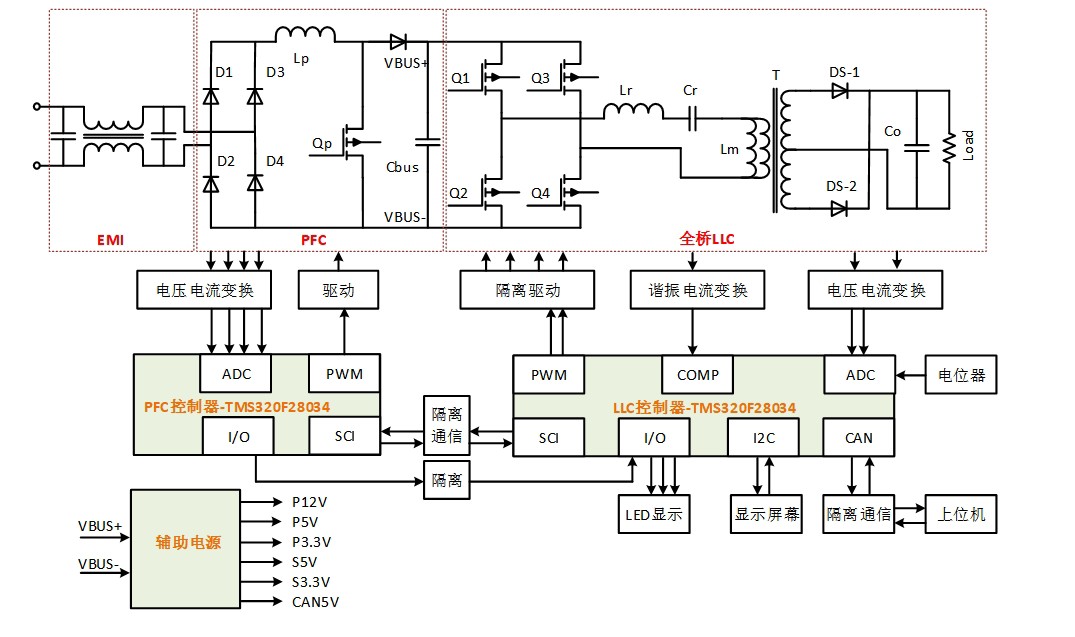
最近在研究电源相关技术时,发现了一份超有价值的资料——PFC + 全桥LLC谐振变换器参数设计资料,包含闭环仿真与参数设计报告,今天就来跟大家分享下。
一、PFC 和 LLC 闭环仿真模型
这个仿真模型是在Simulink中搭建的。Simulink可是MATLAB中的一个重要工具,它以图形化建模的方式,让我们能直观地搭建系统模型并进行仿真。就像搭积木一样,把各种模块按照系统的结构连接起来就行。

这里的参数都是参考报告得到的。在实际操作中,我按照报告里给出的数据,一个个设置到对应的模块参数中。比如,对于PFC部分,可能涉及到电感值、电容值等参数设置。
% 假设这是设置PFC电感值的代码片段
L_pfc = 10e - 3; % 设置PFC电感值为10mH
这一行代码就简单地设置了PFC电感的值。通过这样的参数设置,搭建好完整的PFC和LLC闭环仿真模型后,运行仿真,结果验证了所设计出的参数是合理的。这一步很关键,通过仿真我们能在实际制作电路之前,就检验参数的可行性,避免走很多弯路。
二、52页详细的设计报告
这份52页的详细设计报告可是个宝藏。它与仿真以及Mathcad完全对应。这种对应关系对于我们学习LLC谐振变换器来说太友好了。

比如说,在报告里会详细解释LLC谐振变换器的工作原理,从理论层面剖析每个参数是怎么影响变换器性能的。然后,当我们对照仿真模型看时,就能明白为什么在仿真中要设置这样的参数。像在分析谐振频率时:

LLC谐振变换器的谐振频率计算公式为:

\[ f{r} = \frac{1}{2\pi\sqrt{L{r}C_{r}}} \]

PFC+全桥LLC谐振变化器参数设计资料(闭环仿真+参数设计报告) 资料内容: [1]PFC和LLC闭环仿真模型:纯在simulink中搭建,参数都是参考报告得到的,仿真验证了所设计出的参数合理 [2]52页详细的设计报告:与仿真和mathcad完全对应,方便快速深入学习LLC谐振变化器 [3]Mathcad计算书:无迹为了更好的理解参数设计,且方便自动设计不同参数的PFC或LLC变换器,因此整理了计算书,可以直接计算

这里 \( L{r} \) 是谐振电感, \( C{r} \) 是谐振电容。在设计报告里会详细讲解这个公式的推导以及如何根据实际需求选择合适的 \( L{r} \) 和 \( C{r} \) 值,而在仿真模型中,就是依据这些理论计算出的值来设置相应参数的。这种理论与实践相结合的方式,能让我们快速且深入地学习LLC谐振变换器。
三、Mathcad计算书
Mathcad计算书的存在意义非凡。它是为了让我们更好地理解参数设计。比如说,对于不同功率需求的PFC或LLC变换器,我们可能需要不同的参数。

在Mathcad里,我们可以通过简单的输入输出设置来进行计算。以下是一个简单的示意(实际Mathcad操作更为复杂且可视化):

假设我们要计算PFC变换器的输出电压,已知输入电压 \( V{in} \) 、占空比 \( D \) ,输出电压 \( V{out} \) 的计算公式为:
\[ V{out} = \frac{V{in}}{1 - D} \]
在Mathcad中,我们可以定义变量,然后输入公式,就能直接得出结果。而且Mathcad的好处在于它能方便地自动设计不同参数的变换器,大大提高了设计效率。
这份PFC + 全桥LLC谐振变换器参数设计资料,从仿真模型、设计报告到计算书,形成了一个完整的体系,无论是对新手学习还是老手深入研究都非常有帮助。希望大家也能从中获取到有价值的信息,在电源设计领域更进一步。
AtomGit 是由开放原子开源基金会联合 CSDN 等生态伙伴共同推出的新一代开源与人工智能协作平台。平台坚持“开放、中立、公益”的理念,把代码托管、模型共享、数据集托管、智能体开发体验和算力服务整合在一起,为开发者提供从开发、训练到部署的一站式体验。
更多推荐


所有评论(0)