探索光伏蓄电池单相并网模型:从原理到仿真
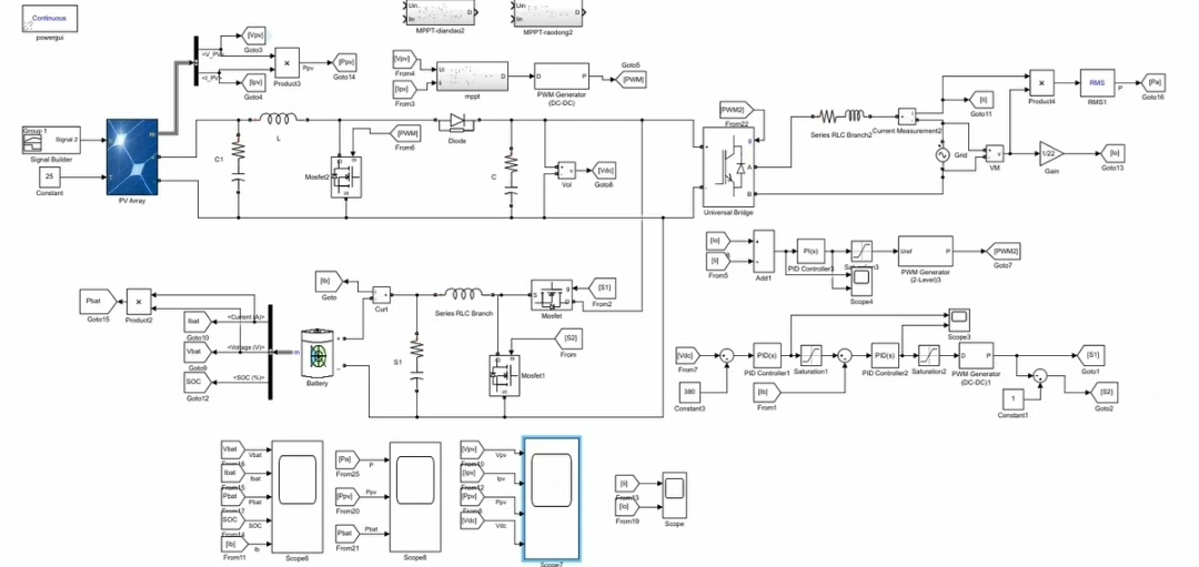
光伏蓄电池单相并网模型。 带参考文件,模型说明文件 模型内容: 1.光伏+MPPT+boost升压电路+桥式逆变 2.电池模型+电池控制器+直流母线控制 3.稳定交流负载+功率控制器+pwm调制 仿真结果: 1.直流母线380V稳定输出 2.逆变输出与单相220V电网同频同相 3.光伏功率充足时为电池充电,光伏输出不足电池放电

最近在研究光伏蓄电池单相并网模型,感觉收获还挺多,就想着来和大家分享分享。这个模型呢,其实有不少参考文件和模型说明文件,不过咱们先抛开文件,直接深入模型内容本身。
模型构成剖析
光伏与相关电路
模型的第一部分是“光伏 + MPPT + boost升压电路 + 桥式逆变” 。光伏板大家都很熟悉啦,它负责把太阳能转化为电能。但是这个电能的输出可不稳定,所以就需要最大功率点跟踪(MPPT)技术。

简单来讲,MPPT就像一个智能小管家,它能实时调整光伏板的工作状态,让光伏板始终输出最大功率。这里给个简单的代码示意(以Python为例,假设用一个简单的函数来模拟MPPT调整输出电压以追踪最大功率):
def mppt(voltage, current, power):
# 简单的MPPT逻辑,这里只是示意,实际更复杂
if new_power > power:
voltage += step_size
# 重新计算电流,这里简单假设电流与电压有线性关系,实际需要根据光伏特性曲线计算
current = calculate_current(voltage)
power = voltage * current
else:
voltage -= step_size
current = calculate_current(voltage)
power = voltage * current
return voltage, current, power
MPPT输出的电压经过boost升压电路进一步提升电压,这是因为后续的桥式逆变需要较高的直流输入电压。boost升压电路是一种常见的DC - DC变换器,它能把较低的输入电压转换为较高的输出电压。桥式逆变则将直流电转换为交流电,以便并入电网。
电池与控制部分
“电池模型 + 电池控制器 + 直流母线控制”这部分也很关键。电池模型模拟了实际蓄电池的充放电特性。电池控制器负责管理电池的充放电过程,确保电池安全、高效地工作。比如,当光伏功率充足时,电池控制器就会控制电池进行充电;当光伏输出不足时,电池就开始放电。

光伏蓄电池单相并网模型。 带参考文件,模型说明文件 模型内容: 1.光伏+MPPT+boost升压电路+桥式逆变 2.电池模型+电池控制器+直流母线控制 3.稳定交流负载+功率控制器+pwm调制 仿真结果: 1.直流母线380V稳定输出 2.逆变输出与单相220V电网同频同相 3.光伏功率充足时为电池充电,光伏输出不足电池放电

直流母线控制则是维持直流母线电压的稳定。直流母线就像是一个能量中转站,连接着光伏、电池和逆变部分。这里假设用PID控制器来稳定直流母线电压,代码如下(同样以Python为例):
class PID:
def __init__(self, kp, ki, kd):
self.kp = kp
self.ki = ki
self.kd = kd
self.prev_error = 0
self.integral = 0
def control(self, setpoint, process_variable):
error = setpoint - process_variable
p_term = self.kp * error
self.integral += error
i_term = self.ki * error
d_term = self.kd * (error - self.prev_error)
output = p_term + i_term + d_term
self.prev_error = error
return output
交流负载与调制部分
最后是“稳定交流负载 + 功率控制器 + pwm调制”。稳定交流负载模拟了实际电网中的用电设备。功率控制器负责控制输出到负载的功率,确保整个系统的功率平衡。而PWM调制则是将直流信号转换为模拟交流信号的关键步骤。通过控制PWM信号的占空比,可以调节输出电压的大小,使其与电网电压匹配。
仿真结果解读
稳定的直流母线输出
仿真结果显示直流母线能稳定输出380V。这意味着前面提到的直流母线控制部分工作良好,成功维持了母线电压的稳定,为后续的逆变过程提供了可靠的直流输入。
逆变输出与电网匹配
逆变输出与单相220V电网同频同相,这是并网成功的关键标志。说明桥式逆变和相关的控制策略准确地将直流电转换为与电网匹配的交流电,使得电能可以顺利并入电网。
灵活的充放电策略
当光伏功率充足时,系统为电池充电;而光伏输出不足时,电池放电。这种充放电策略保证了系统在不同光照条件下都能稳定运行,既充分利用了太阳能,又保证了负载的持续供电。
总的来说,这个光伏蓄电池单相并网模型通过各个部分的协同工作,实现了太阳能的有效利用和稳定的并网供电,在可再生能源领域有着重要的应用价值。后续有更多深入研究,再和大家分享啦!
AtomGit 是由开放原子开源基金会联合 CSDN 等生态伙伴共同推出的新一代开源与人工智能协作平台。平台坚持“开放、中立、公益”的理念,把代码托管、模型共享、数据集托管、智能体开发体验和算力服务整合在一起,为开发者提供从开发、训练到部署的一站式体验。
更多推荐


所有评论(0)