三相并网变流器的 SVG 应用:MATLAB 仿真探索
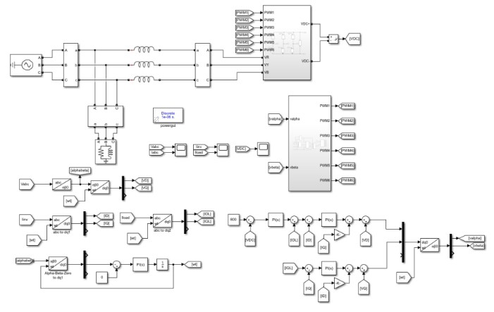
三相并网变流器的静止无功发生器(SVG)应用MATLAB仿真及学习资料 本材料为三相变流器作为静止无功发生器(SVG)的应用,SVG的主电路是利用电压型桥式电路或电流型桥式电路通过电感或直接接到电网中,通过调节SVG交流侧输出电压和电流相关参数的大小,这样就可以控制SVG交流输出的无功电流的大小,以此达到了对电网动态无功补偿的目的。 材料主要包括以三相变流器为基础的静止无功发生器(SVG)的数学模型工作原理,本模型采用基于坐标变换的双闭环电压定向的控制策略。 在三相静止无功发生器SVG系统仿真图中,主要包括三相电网电压模块、三相对称负载模块、电压型桥式变换器模块、脉宽调制信号发生模块、锁相环PLL模块、变换器控制模块等。 主要参数有:负载有功200KW、负载无功100Kvar、电网侧线电压为400V、系统频率50Hz、并网电感为1mH、直流侧电容电压800V。 该资料可以通过调整相应模块适应于其他三相变流器应用。

在电力系统领域,静止无功发生器(SVG)是提升电能质量的关键设备,特别是三相并网变流器在 SVG 中的应用,尤为引人注目。今天就来和大家分享下相关的 MATLAB 仿真及学习资料。
SVG 原理剖析
SVG 的主电路结构多样,可采用电压型桥式电路或电流型桥式电路,通过电感或直接与电网相连。其核心在于,通过调节 SVG 交流侧输出电压和电流参数,实现对无功电流大小的精准控制,进而达成电网动态无功补偿的目的。

以电压型桥式电路为例,简单代码示意如下(MATLAB 伪代码):
% 定义基本参数
Vdc = 800; % 直流侧电容电压
% 假设三相电压幅值和频率
Vmag = 400/sqrt(3);
f = 50;
omega = 2*pi*f;
这里先定义了 SVG 直流侧电容电压,以及三相电网电压的幅值和频率。后续对交流侧输出电压的调节就会基于这些基础参数。
数学模型与控制策略
材料中所涉及的以三相变流器为基础的 SVG 数学模型,采用基于坐标变换的双闭环电压定向控制策略。这种策略能有效实现对有功和无功功率的解耦控制,提高 SVG 的补偿性能。

在 MATLAB 中搭建此控制策略的框架大致如下:
% 双闭环控制参数设置
Kp1 = 0.5; Ki1 = 10; % 外环PI控制器参数
Kp2 = 0.1; Ki2 = 1; % 内环PI控制器参数
% 定义反馈信号和参考信号
ref_q = 100e3/Vmag; % 无功电流参考值
ref_p = 200e3/Vmag; % 有功电流参考值
iq = 0; ip = 0; % 初始无功、有功电流值
% 外环PI控制器
for k = 1:length(t)
error_q = ref_q - iq;
error_p = ref_p - ip;
integral_q = integral_q + error_q*dt;
integral_p = integral_p + error_p*dt;
vq_ref = Kp1*error_q + Ki1*integral_q;
vp_ref = Kp1*error_p + Ki1*integral_p;
% 内环PI控制器
error_vq = vq_ref - vq;
error_vp = vp_ref - vp;
integral_vq = integral_vq + error_vq*dt;
integral_vp = integral_vp + error_vp*dt;
d_ref = Kp2*error_vp + Ki2*integral_vp;
q_ref = Kp2*error_vq + Ki2*integral_vq;
% 此处省略坐标变换及调制信号生成代码
end
这段代码初步构建了双闭环控制的框架,外环根据无功和有功电流参考值与实际值的误差进行调节,内环则基于外环输出的电压参考值与实际值进一步调节,最终生成调制信号来控制变流器。
SVG 系统仿真图模块
在三相静止无功发生器 SVG 系统仿真图里,包含多个关键模块。三相电网电压模块提供系统电源,三相对称负载模块模拟实际用电负载,电压型桥式变换器模块实现交直流转换,脉宽调制信号发生模块控制变换器的开关动作,锁相环 PLL 模块精确跟踪电网相位,变换器控制模块执行整体的控制策略。

三相并网变流器的静止无功发生器(SVG)应用MATLAB仿真及学习资料 本材料为三相变流器作为静止无功发生器(SVG)的应用,SVG的主电路是利用电压型桥式电路或电流型桥式电路通过电感或直接接到电网中,通过调节SVG交流侧输出电压和电流相关参数的大小,这样就可以控制SVG交流输出的无功电流的大小,以此达到了对电网动态无功补偿的目的。 材料主要包括以三相变流器为基础的静止无功发生器(SVG)的数学模型工作原理,本模型采用基于坐标变换的双闭环电压定向的控制策略。 在三相静止无功发生器SVG系统仿真图中,主要包括三相电网电压模块、三相对称负载模块、电压型桥式变换器模块、脉宽调制信号发生模块、锁相环PLL模块、变换器控制模块等。 主要参数有:负载有功200KW、负载无功100Kvar、电网侧线电压为400V、系统频率50Hz、并网电感为1mH、直流侧电容电压800V。 该资料可以通过调整相应模块适应于其他三相变流器应用。

例如,利用 MATLAB 的 Simulink 搭建简单的三相电网电压模块:
- 打开 Simulink,新建模型。
- 在 Simulink 库中搜索“Three - Phase Voltage Source”模块并拖入模型。
- 双击模块,设置参数,如线电压幅值设为
400,频率设为50Hz。
主要参数设定及灵活性
给定的主要参数为:负载有功 200KW、负载无功 100Kvar、电网侧线电压为 400V、系统频率 50Hz、并网电感为 1mH、直流侧电容电压 800V。这些参数是仿真和实际应用的关键依据。

而且这份资料灵活性高,能够通过调整相应模块适用于其他三相变流器应用场景。比如改变负载有功无功功率,只需修改代码或 Simulink 模块中的对应参数值,就可以快速适配新的需求。
通过 MATLAB 仿真对三相并网变流器在 SVG 中的应用进行学习和研究,能让我们更深入理解其工作原理和控制策略,为实际电力系统中的无功补偿等应用奠定坚实基础。希望大家都能从这份资料和仿真探索中收获满满。
AtomGit 是由开放原子开源基金会联合 CSDN 等生态伙伴共同推出的新一代开源与人工智能协作平台。平台坚持“开放、中立、公益”的理念,把代码托管、模型共享、数据集托管、智能体开发体验和算力服务整合在一起,为开发者提供从开发、训练到部署的一站式体验。
更多推荐



所有评论(0)