汽车性能50个MATLAB仿真模型全套50个汽车性能建模与仿真源码模型,电子版matlab,simulink模型
汽车性能50个MATLAB仿真模型全套50个汽车性能建模与仿真源码模型,电子版matlab,simulink模型
50个simulink模型(所有模型罗列如下,没罗列就是没有,包含子模块总共50个。)
基于汽车驱动力-行驶阻力平衡图的汽车动力性仿真模型
基于汽车动力特性图的汽车动力性仿真模型
基于汽车功率平衡图的汽车动力性仿真模型
电动汽车动力性仿真模型
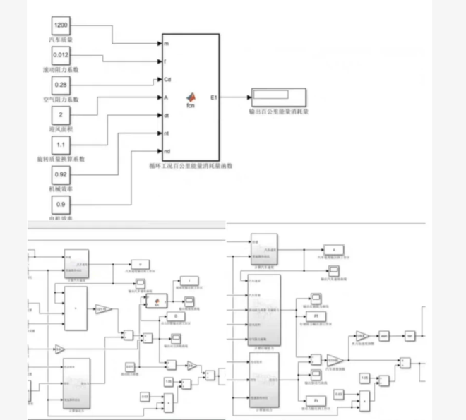
等速工况百公里能量消耗量仿真模型
循环工况百公里能量消耗量仿真模型
等速行驶工况电动汽车续驶里程仿真模型
循环工况电动汽车续驶里程仿真模型
汽车制动力分配仿真模型
汽车利用附着系数仿真模型
汽车制动效率仿真模型
制动初速度对汽车制动距离影响的仿真模型
附着系数对汽车制动距离的影响仿真模型
汽车ABS仿真模型
自由滚动轮胎侧偏特性仿真模型
基于魔术公式的轮胎动力学仿真模型
汽车横摆角速度增益仿真模型
汽车前、后轮侧偏角之差仿真模型
汽车转向半径比值仿真模型
汽车稳定性因数和静态储备系数仿真模型
两轮转向汽车瞬态响应时域特性仿真模型
汽车横摆角速度传递函数系数仿真模型
不同速度下的汽车横摆角速度传递函数仿真模型
不同轮胎侧偏刚度下的汽车横摆角速度传递函数仿真模型
不同转动惯量下的汽车横摆角速度传递函数仿真模型
四轮转向汽车操纵稳定性仿真模型
前轮转向和四轮转向的汽车操纵稳定性仿真模型
六轮转向汽车稳态横摆角速度增益仿真模型
六轮转向汽车时域特性仿真模型
汽车路面输入时域特性仿真模型
1/4被动悬架汽车平顺性仿真模型
汽车半主动悬架最优控制仿真模型
1/2被动悬架汽车平顺性仿真模型
基于模型预测控制的车道保持辅助系统仿真模型
车道保持辅助系统测试平台
自动紧急制动系统测试平台
基于模型预测控制的自适应巡航控制系统仿真模型
自适应巡航控制系统测试平台
基于非线性模型预测控制的路径跟踪系统仿真模型
路径跟踪系统测试平台

1% ==========================================
2% 模型名称:基于汽车驱动力-行驶阻力平衡图的动力性仿真
3% 功能:计算不同车速下的驱动力与行驶阻力,并绘制平衡图
4% ==========================================
5
6clear; clc; close all;
7
8% — 1. 车辆基本参数 (示例数据,可根据实际修改) —
9m = 1500; % 整车质量 (kg)
10g = 9.81; % 重力加速度 (m/s^2)
11Cd = 0.3; % 空气阻力系数
12A = 2.2; % 迎风面积 (m^2)
13rho = 1.225; % 空气密度 (kg/m^3)
14f = 0.015; % 滚动阻力系数
15r = 0.3; % 车轮半径 (m)
16eta_t = 0.9; % 传动效率
17i_g = [3.5, 2.0, 1.0]; % 各档变速器传动比 (示例3个档位)
18i_0 = 4.0; % 主减速器传动比
19T_e_max = 200; % 发动机最大转矩 (Nm) - 简化为常数,实际可用外特性曲线
20
21% — 2. 车速范围 (km/h 转 m/s) —
22v_kmh = 0:5:180; % 车速范围 km/h
23v_ms = v_kmh / 3.6; % 转换为 m/s
24
25% — 3. 计算行驶阻力 (F_resistance = F_roll + F_air) —
26F_roll = f * m * g * ones(size(v_ms)); % 滚动阻力 (近似常数)
27F_air = 0.5 * rho * Cd * A .* (v_ms.^2); % 空气阻力 (与速度平方成正比)
28F_total_resistance = F_roll + F_air; % 总行驶阻力
29
30% — 4. 计算各档位驱动力 (F_drive = (Te * ig * i0 * eta) / r) —
31% 注意:这里简化假设发动机转矩恒定为最大值,实际应查Map图
32F_drive = zeros(length(i_g), length(v_ms));
33
34for i = 1:length(i_g)
35 % 理论驱动力 (不考虑附着限制)
36 F_drive(i, 😃 = (T_e_max * i_g(i) * i_0 * eta_t) / r;
37
38 % 简单处理:超过该档位最高车速部分设为0 (可选)
39 % 实际仿真中需根据发动机最高转速限制车速
40end
41
42% — 5. 绘图:驱动力 - 行驶阻力平衡图 —
43figure(‘Color’, ‘w’);
44plot(v_kmh, F_total_resistance, ‘k-’, ‘LineWidth’, 2, ‘DisplayName’, ‘行驶阻力 (F_f + F_w)’);
45hold on;
46
47colors = [‘r’, ‘g’, ‘b’];
48for i = 1:length(i_g)
49 plot(v_kmh, F_drive(i, 😃, ‘–’, ‘Color’, colors(i), ‘LineWidth’, 1.5, …
50 ‘DisplayName’, sprintf(‘驱动力 (第%d档)’, i));
51end
52
53grid on;
54xlabel(‘车速 v (km/h)’);
55ylabel(‘力 F (N)’);
56title(‘汽车驱动力 - 行驶阻力平衡图’);
57legend(‘Location’, ‘best’);
58xlim([0, 180]);
59
60% — 6. 简单分析:最高车速 (驱动力曲线与阻力曲线的交点) —
61% 这里仅做示意,实际需用插值法求交点
62fprintf(‘提示:最高车速为驱动力曲线与行驶阻力曲线交点对应的车速。\n’);
AtomGit 是由开放原子开源基金会联合 CSDN 等生态伙伴共同推出的新一代开源与人工智能协作平台。平台坚持“开放、中立、公益”的理念,把代码托管、模型共享、数据集托管、智能体开发体验和算力服务整合在一起,为开发者提供从开发、训练到部署的一站式体验。
更多推荐


所有评论(0)