探索高压直流输电MATLAB/simulink模型及换相失败相关要点
三种高压直流输电MATLAB/simulink模型(两种详细模型和一种平均值模型)+模型所有信号的含义、流向、推导(原来是本人的课题,自己总结的很详细)+换相失败原理、分类、抑制、改进措施梳理(也是自己总结的)

在电力系统领域,高压直流输电(HVDC)凭借其独特优势,在长距离、大容量输电中占据重要地位。今天咱们就来唠唠三种高压直流输电MATLAB/simulink模型,以及与之紧密相关的换相失败问题。
三种高压直流输电MATLAB/simulink模型
两种详细模型
详细模型能精准刻画系统各元件动态特性。以基于晶闸管的传统HVDC详细模型为例:
% 创建一个简单的直流输电系统模型
model_name = 'HVDC_Detailed_Model';
new_system(model_name);
% 添加交流电源模块
ac_source = add_block('powerlib/AC Voltage Source', [model_name '/AC Source']);
set_param(ac_source, 'Amplitude', '100', 'Phase', '0', 'Frequency', '50');
% 添加换流变压器模块
transformer = add_block('powerlib/Three - Phase Transformer (Two - Windings)', [model_name '/Transformer']);
% 设置变压器参数,如变比等
set_param(transformer, 'Rated power (MVA)', '100', 'Rated voltage 1 (kV)', '110', 'Rated voltage 2 (kV)', '220');
在这个简单代码片段里,我们先创建了一个模型,接着添加交流电源模块,并设置其幅值、相位和频率等关键参数,这决定了交流侧输入特性。之后添加换流变压器,设置额定功率、额定电压等参数,它负责将交流电压变换到合适等级,为后续换流环节做准备。

三种高压直流输电MATLAB/simulink模型(两种详细模型和一种平均值模型)+模型所有信号的含义、流向、推导(原来是本人的课题,自己总结的很详细)+换相失败原理、分类、抑制、改进措施梳理(也是自己总结的)

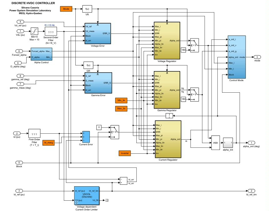
详细模型中信号流向:交流电源发出的交流电经换流变压器升压后进入换流器。在换流器中,通过晶闸管的触发控制,将交流电转换为直流电。直流信号沿着直流输电线路传输,到达受端后,再经逆变换流器变回交流电。这里信号含义丰富,交流侧电压信号幅值、相位等体现电源特性,直流侧电压电流信号反映输电能力。其推导涉及到电路原理、电磁感应定律等,例如换流器中晶闸管触发角与输出直流电压关系推导,基于理想开关模型结合电路方程可得:$Ud = \frac{3\sqrt{2}}{\pi}U{2l}\cos\alpha$,其中$Ud$为直流输出电压,$U{2l}$为换流变压器二次侧线电压,$\alpha$为触发角。
平均值模型
平均值模型相对简化,忽略部分高频动态,关注系统平均特性。
% 创建平均值模型
model_name_avg = 'HVDC_Average_Model';
new_system(model_name_avg);
% 添加等效直流电源模块
dc_source_avg = add_block('simulink/Sources/DC Voltage Source', [model_name_avg '/DC Source']);
set_param(dc_source_avg, 'Voltage', '100');
% 添加等效电阻模块模拟线路电阻
line_resistance = add_block('simulink/Electrical Sources/Resistor', [model_name_avg '/Line Resistance']);
set_param(line_resistance, 'Value', '1');
这里我们创建平均值模型,添加等效直流电源和线路电阻。直流电源模块代表经过换流后的直流输出平均电压,线路电阻模拟直流线路损耗。信号流向简单直接,从直流电源出发经线路电阻传输到负载。信号含义主要是平均电压、电流值,其推导基于系统稳态功率平衡和欧姆定律,如$P = UdId$,$Ud = IdR{line}$,$P$为传输功率,$R{line}$为线路电阻。
换相失败原理、分类、抑制及改进措施
原理
换相失败本质上是由于交流系统故障或其他原因,导致换流器中晶闸管无法在预定时刻关断或导通。例如在逆变侧,当交流母线电压降低或相位异常时,会使换相过程不能正常完成。从根本上讲,这打破了换相过程中电流、电压之间的正常时序关系。
分类
常见分类有两类,一类是由于交流系统故障导致的换相失败,比如交流线路短路,引起母线电压大幅下降,使得换相裕度角减小到临界值以下引发失败;另一类是由于触发脉冲异常,像脉冲丢失、延迟等,造成晶闸管导通顺序错误而换相失败。
抑制及改进措施
为抑制换相失败,可从多个角度着手。在控制策略上,采用先进的触发角控制算法,实时监测交流系统参数并调整触发角,保证换相裕度。代码层面可在触发角计算模块加入智能算法:
% 假设获取交流母线电压幅值Uac和相位Phi
Uac = get_AC_bus_voltage();
Phi = get_AC_bus_phase();
% 根据电压幅值和相位调整触发角alpha
if Uac < threshold
alpha = alpha + k*(threshold - Uac);
elseif Phi > max_allowed_phase
alpha = alpha + k1*(Phi - max_allowed_phase);
end
这里根据交流母线电压幅值和相位,当电压低于阈值或相位超出允许范围时,通过系数$k$和$k1$调整触发角。另外,可增强交流系统强度,如增加无功补偿装置,提高交流母线电压稳定性,从而降低换相失败风险。

总之,深入理解高压直流输电模型及换相失败相关知识,对保障电力系统稳定运行至关重要,希望这些分享能为大家带来一些启发。




AtomGit 是由开放原子开源基金会联合 CSDN 等生态伙伴共同推出的新一代开源与人工智能协作平台。平台坚持“开放、中立、公益”的理念,把代码托管、模型共享、数据集托管、智能体开发体验和算力服务整合在一起,为开发者提供从开发、训练到部署的一站式体验。
更多推荐



所有评论(0)