风光储联合发电系统的Matlab/Simulink仿真之旅
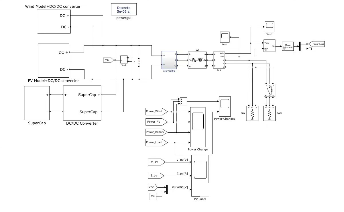
风光储联合发电系统 光伏风电储能能量管理matlab/sim ulink仿真包含永磁风力发电机模型、光伏发电模型、超级电容充放电模型和三相逆变模型能量管理控制方式为最大功率点跟踪MPPT。 t=1s, 永磁风力发电机的风速6m/s 突变为 7 m/s; t=2s, 光伏发电的光照强度从1200W/m2突变为1000W/m2; t=3s,负载功率由5kW突变为11kW; 具体仿真如下。
在如今追求清洁能源的时代,风光储联合发电系统凭借其独特优势,成为研究和应用的热门领域。今天咱们就来聊聊基于Matlab/Simulink对风光储联合发电系统的光伏、风电、储能能量管理的仿真实现。
模型搭建
永磁风力发电机模型
永磁风力发电机是将风能转化为电能的关键设备。在Matlab/Simulink中,我们可以通过相关模块库搭建其模型。比如利用“Wind Turbine”模块来模拟风力机捕获风能,其捕获的风能功率计算公式为:

\[ P{wind} = \frac{1}{2} \rho A v^3 Cp(\lambda, \beta) \]
其中,\(\rho\)是空气密度,\(A\)是风轮扫掠面积,\(v\)是风速,\(C_p\)是风能利用系数,\(\lambda\)是叶尖速比,\(\beta\)是桨距角。

这里的风速变化是仿真的关键参数之一,就像题目里提到的,在 \( t = 1s \) 时,风速从 \( 6m/s \) 突变为 \( 7m/s \)。通过设置风速的输入信号来模拟这一过程:
% 创建时间向量
t = 0:0.01:5;
% 初始风速
wind_speed = zeros(size(t));
% 在0 - 1s 风速为6m/s
wind_speed(t <= 1) = 6;
% 在1s后风速突变为7m/s
wind_speed(t > 1) = 7;
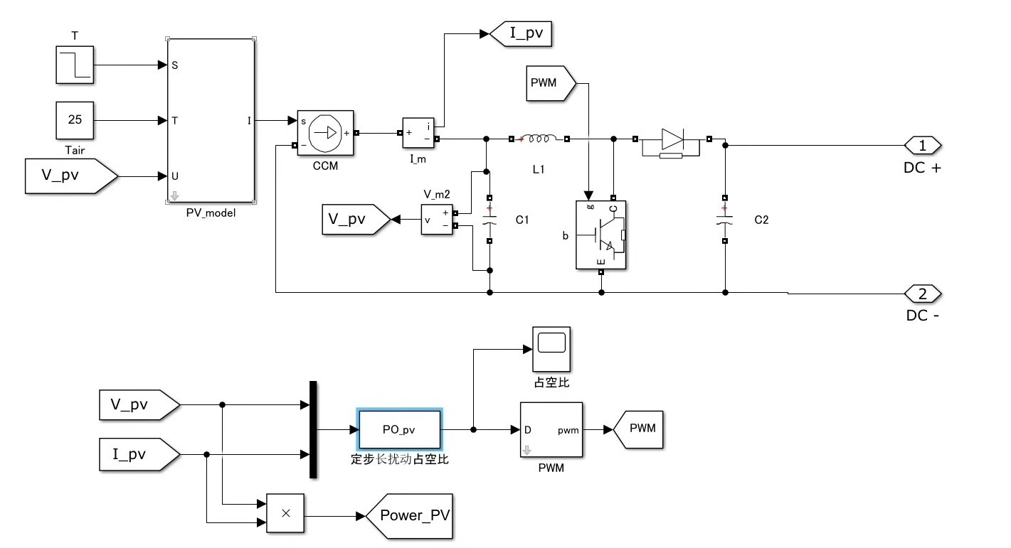
光伏发电模型
光伏发电模型依靠光照产生电能。在Simulink中,常用“PV Array”模块。其输出功率与光照强度、温度等因素有关,一般公式为:
风光储联合发电系统 光伏风电储能能量管理matlab/sim ulink仿真包含永磁风力发电机模型、光伏发电模型、超级电容充放电模型和三相逆变模型能量管理控制方式为最大功率点跟踪MPPT。 t=1s, 永磁风力发电机的风速6m/s 突变为 7 m/s; t=2s, 光伏发电的光照强度从1200W/m2突变为1000W/m2; t=3s,负载功率由5kW突变为11kW; 具体仿真如下。

\[ P{pv} = P{mp} \left( \frac{G}{G{ref}} \right) \left[ 1 + \alpha{P} (T - T_{ref}) \right] \]
其中,\(P{mp}\)是标准条件下的最大功率,\(G\)是实际光照强度,\(G{ref}\)是标准光照强度,\(\alpha{P}\)是功率温度系数,\(T\)是实际温度,\(T{ref}\)是标准温度。

按照题目设定,在 \( t = 2s \) 时,光照强度从 \( 1200W/m^2 \) 突变为 \( 1000W/m^2 \)。同样设置光照强度输入信号:
% 创建时间向量
t = 0:0.01:5;
% 初始光照强度
irradiance = zeros(size(t));
% 在0 - 2s 光照强度为1200W/m^2
irradiance(t <= 2) = 1200;
% 在2s后光照强度突变为1000W/m^2
irradiance(t > 2) = 1000;
超级电容充放电模型
超级电容作为储能设备,在系统功率波动时起到调节作用。其充放电过程可以通过一些基本电路元件搭建模型。例如,利用“Capacitor”模块和控制逻辑来实现充放电控制。充电时,电流流向电容使电容电压升高存储能量;放电时,电容释放能量提供给负载。
三相逆变模型
三相逆变模型负责将直流电转换为交流电,为负载供电。在Simulink中可使用“Three - Phase Voltage Source Inverter”模块实现。它通过控制开关管的通断,将直流电压转换为三相交流电压输出。
能量管理控制方式 - MPPT
最大功率点跟踪(MPPT)是保证风光储系统高效运行的核心技术。以光伏发电为例,实现MPPT的方法有很多,比如常用的扰动观察法。其基本思路是:不断扰动光伏电池的工作点,比较扰动前后的功率大小,如果功率增加则继续朝该方向扰动,否则改变扰动方向,从而使光伏电池始终工作在最大功率点附近。
以下是简单的扰动观察法代码示例:
% 初始化参数
delta = 0.01; % 扰动步长
P_old = 0; % 上一时刻功率
V = 0; % 初始电压
while true
V_new = V + delta; % 新的电压扰动值
I = get_photovoltaic_current(V_new); % 获取当前电压下的电流
P_new = V_new * I; % 计算新的功率
if P_new > P_old
V = V_new; % 如果功率增加,朝该方向继续扰动
P_old = P_new;
else
delta = -delta; % 如果功率减小,改变扰动方向
end
end
这段代码通过不断调整光伏电池输出电压,寻找最大功率点。
负载变化仿真
在 \( t = 3s \) 时,负载功率由 \( 5kW \) 突变为 \( 11kW \)。通过设置负载模块的功率输入信号来模拟这一变化。这一变化将考验风光储系统的能量平衡调节能力,储能设备需要及时响应补充功率缺额,保证系统稳定运行。

通过以上各个模型和控制策略的搭建与设置,在Matlab/Simulink中就能完成风光储联合发电系统能量管理的仿真,清晰地观察到系统在各种工况变化下的运行特性和响应情况,为实际系统的设计和优化提供有力参考。希望这篇博文能让你对风光储联合发电系统的仿真有更深入的了解!
AtomGit 是由开放原子开源基金会联合 CSDN 等生态伙伴共同推出的新一代开源与人工智能协作平台。平台坚持“开放、中立、公益”的理念,把代码托管、模型共享、数据集托管、智能体开发体验和算力服务整合在一起,为开发者提供从开发、训练到部署的一站式体验。
更多推荐


所有评论(0)