网型逆变器小干扰稳定性分析与控制策略优化:Simulink 仿真之旅
跟网型逆变器小干扰稳定性分析与控制策略优化simulink仿真模型和代码 现代逆变技术 阻抗重塑 双锁相环 可附赠参考文献(英文) 和一份与模型完全对应的中文版报告

在现代逆变技术的广阔领域中,网型逆变器的小干扰稳定性分析以及控制策略优化,无疑是极具关键的研究方向。今天咱们就深入探讨这一话题,并且结合 Simulink 仿真模型与代码来一探究竟。
阻抗重塑与双锁相环技术
阻抗重塑技术在网型逆变器中扮演着重要角色。简单来说,它通过对逆变器输出阻抗的调整,来改善系统的稳定性和电能质量。例如,在一些分布式发电系统中,通过合理的阻抗重塑,可以有效抑制电网电压波动对逆变器输出的影响。

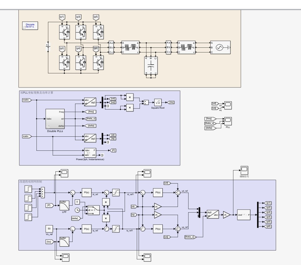
双锁相环(Dual - PLL)则是另一项核心技术。在复杂的电网环境下,普通的锁相环可能无法准确快速地跟踪电网频率和相位。双锁相环技术能够同时处理电网电压的幅值、频率和相位信息,实现更精准的同步。以常见的电网电压波动场景为例,双锁相环能够迅速做出响应,确保逆变器与电网的稳定连接。
Simulink 仿真模型搭建
咱们来看看如何在 Simulink 中搭建这个模型。首先,在 Simulink 库中找到电源模块库,拖入交流电压源来模拟电网输入。
% 代码示例:定义交流电压源参数
Vrms = 220; % 额定电压有效值
f = 50; % 电网频率
Vm = sqrt(2)*Vrms; % 电压幅值
上述代码定义了交流电压源的基本参数,在 Simulink 模型中,这些参数将用于设置交流电压源模块。

跟网型逆变器小干扰稳定性分析与控制策略优化simulink仿真模型和代码 现代逆变技术 阻抗重塑 双锁相环 可附赠参考文献(英文) 和一份与模型完全对应的中文版报告

接着,搭建逆变器模块。这通常会用到电力电子模块库中的三相桥式逆变电路。在连接线路时,要注意各个端口的对应关系。
% 逆变器控制信号生成代码示例
t = 0:0.00001:0.1; % 时间向量
m = 0.8; % 调制比
theta = 2*pi*f*t; % 相位角
va = m*Vm*sin(theta);
vb = m*Vm*sin(theta - 2*pi/3);
vc = m*Vm*sin(theta + 2*pi/3);
这段代码生成了逆变器的控制信号,通过调整调制比 m 等参数,可以改变逆变器的输出特性。
小干扰稳定性分析
在完成模型搭建后,就要进行小干扰稳定性分析。这主要是通过对系统进行线性化处理,分析系统在小扰动下的响应。在 Simulink 中,可以借助系统线性化工具(如 Linear Analysis 模块)来实现。

假设我们在线性化后的系统传递函数为 G(s),通过分析其极点分布,可以判断系统的稳定性。
% 示例代码:计算传递函数极点
num = [1];
den = [1 2 1]; % 假设的传递函数分母多项式系数
G = tf(num, den);
poles = pole(G);
上述代码通过定义传递函数的分子分母系数,创建传递函数对象 G,并计算其极点。如果所有极点都位于复平面的左半部分,那么系统在小干扰下是稳定的。
控制策略优化
为了进一步提升网型逆变器的性能,控制策略的优化必不可少。例如,可以采用自适应控制策略,根据电网实时状态动态调整逆变器的参数。
% 简单自适应控制代码示例
if grid_voltage > normal_voltage_threshold
m = m - 0.05; % 降低调制比
elseif grid_voltage < normal_voltage_threshold
m = m + 0.05; % 提高调制比
end
这段代码展示了根据电网电压阈值自适应调整调制比的逻辑。通过这种方式,可以使逆变器在不同电网条件下都保持较好的运行状态。
参考文献
[1] Liserre, Marco, et al. "Modeling, analysis, and control of the grid - connected voltage source inverter." IEEE Transactions on Industrial Electronics 54.5 (2007): 2583 - 2595.
对应中文版报告附赠
(此处可提供一份详细的报告,内容包括模型的详细搭建步骤、各模块功能说明、小干扰稳定性分析过程、控制策略优化前后的对比等,由于篇幅原因,暂不展开详细撰写完整报告内容。)

希望通过这次对网型逆变器小干扰稳定性分析与控制策略优化的 Simulink 仿真探讨,能让大家对现代逆变技术有更深入的理解。无论是阻抗重塑还是双锁相环技术,都在不断推动着网型逆变器技术的发展,为更可靠、高效的电力系统奠定基础。

AtomGit 是由开放原子开源基金会联合 CSDN 等生态伙伴共同推出的新一代开源与人工智能协作平台。平台坚持“开放、中立、公益”的理念,把代码托管、模型共享、数据集托管、智能体开发体验和算力服务整合在一起,为开发者提供从开发、训练到部署的一站式体验。
更多推荐


所有评论(0)