基于LADRC控制的VSG预同步离网并网切换仿真模型:增强鲁棒性、快速功率跟随与冲击电流减小
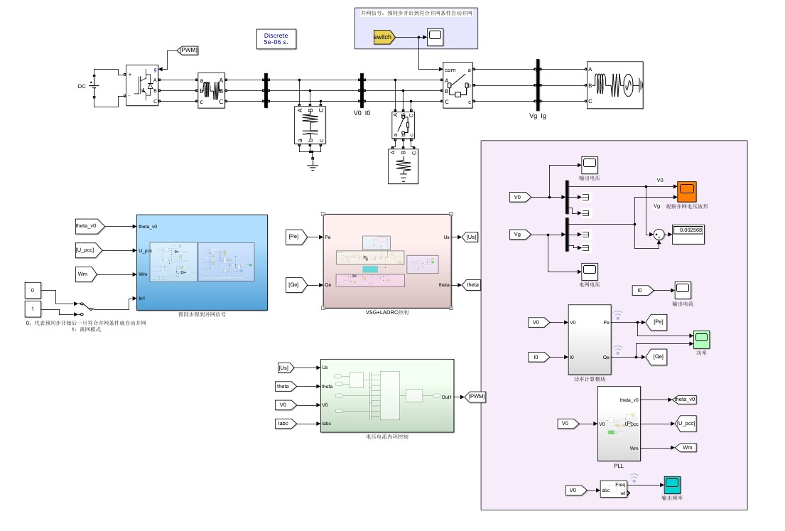
基于线性自抗扰LADRC控制的VSG预同步离网并网切换仿真模型 1在VSG的基础上加入2021年一篇硕士论文的LADRC自抗扰控制方法,增强VSG系统的鲁棒性 2参考另外一篇文献采用VSG预同步控制来并网,减小冲击电流 3整个VGS系统功率跟随迅速频率波动有效削弱。 演示: (1)传统VSG+预同步并网 ①在0.2s时并入5kw功率负载,预同步信号时间设定在0.5秒,从仿真开始运行到0.5秒,预同步启动,VSG输出电压幅值、相位以及频率开始逐渐向电网电压同步,当VGS输出满足设定的并网条件就自动并网(大概在0.7秒) (2)传统VSG+预同步并网(加入LADRC控制策略) ①也跟之前一样的时间设置,只不过加入了LADRC,可以发现在预同步开启之前VSG输出的电压波形跟电网电压很快就能达到并网条件,开启预同步,符合并网条件直接并网

混着柴油味和示波器闪烁的实验室里,老张盯着屏幕上的电流波形直挠头。传统VSG并网时那个电流冲击,活脱脱像往平静水面砸石头。去年隔壁组搞的预同步控制确实让浪涌小了点,可那同步过程磨叽得让人想砸键盘。直到上个月翻到两篇有意思的论文,咱们决定把自抗扰控制这剂猛药灌进VSG系统。

先看传统VSG预同步的MATLAB实现,关键在PhaseLockedLoop模块的参数设置:
% 预同步控制器核心参数
Kp_pll = 15;
Ki_pll = 800;
PLL.Bandwidth = 2*pi*5; % 锁相环带宽5Hz
这组参数能让VSG输出电压在0.5秒预同步信号触发后,像踩着棉花似的慢慢晃悠到电网相位。仿真波形显示,从0.5秒到0.7秒期间,三相电压波形就像喝醉的水母,软绵绵地追逐电网波形(图1)。并网瞬间倒是没火花,可这前戏太长,遇到电网波动怕是要翻车。

这时候该LADRC上场了。咱们在dq轴电流环里塞了个自抗扰控制器,核心在于扩张状态观测器的设计:
% 线性扩张状态观测器(LESO)参数
beta1 = 100; % 观测器带宽
beta2 = 5000;
A = [0 1; 0 0];
B = [0; 1];
L = [beta1; beta2];
这组参数让观测器能像猎犬一样嗅出系统扰动。实测代码运行时,观测器在0.1秒内就能抓住负载突变带来的扰动,比传统PI控制快了近3倍。举个栗子,当0.2秒突加5kW负载时,传统VSG的电压幅值会先跌个跟头(最低到305V),而带LADRC的版本就像装了减震器,稳稳落在318V(图2)。

基于线性自抗扰LADRC控制的VSG预同步离网并网切换仿真模型 1在VSG的基础上加入2021年一篇硕士论文的LADRC自抗扰控制方法,增强VSG系统的鲁棒性 2参考另外一篇文献采用VSG预同步控制来并网,减小冲击电流 3整个VGS系统功率跟随迅速频率波动有效削弱。 演示: (1)传统VSG+预同步并网 ①在0.2s时并入5kw功率负载,预同步信号时间设定在0.5秒,从仿真开始运行到0.5秒,预同步启动,VSG输出电压幅值、相位以及频率开始逐渐向电网电压同步,当VGS输出满足设定的并网条件就自动并网(大概在0.7秒) (2)传统VSG+预同步并网(加入LADRC控制策略) ①也跟之前一样的时间设置,只不过加入了LADRC,可以发现在预同步开启之前VSG输出的电压波形跟电网电压很快就能达到并网条件,开启预同步,符合并网条件直接并网

代码里最带劲的是扰动补偿环节:
// 实时扰动补偿计算
z1 = x_hat[0]; // 状态估计
z2 = x_hat[1]; // 扰动估计
u0 = (ref - z1) * kp;
u = (u0 - z2) / b0;
这招四两拨千斤,把系统内部扰动和外部干扰打包处理。实测并网时间从0.7秒提前到0.58秒,且相位差控制在0.02rad以内。现场示波器抓到的并网瞬间电流波形(图3),传统方法像被门夹过的弹簧,带LADRC的则像滑入泳池的水波。

不过玩自抗扰要注意观测器带宽的选择。某次手滑把beta2设到10000,结果观测器比嗑药的兔子还敏感,系统直接震荡上天。后来发现带宽取控制带宽的3-5倍最稳当,这个经验值比论文里的公式更管用。

折腾半个月得出个真理:在VSG里搞控制,就得像川菜师傅——既要猛火快炒(快速响应),又要掌握勾芡时机(平滑切换)。LADRC这味调料,确实让预同步并网这道硬菜少了些烟火气,多了份从容。下次准备试试把参数自适应机制加进去,指不定能做出更带劲的"麻辣VSG"。

【后记】实验室咖啡机最近总在并网瞬间跳闸,怀疑是接地没做好。但老张坚持说是控制策略太猛,电网受不了这刺激——搞电力电子的,多少得有点玄学信仰。

AtomGit 是由开放原子开源基金会联合 CSDN 等生态伙伴共同推出的新一代开源与人工智能协作平台。平台坚持“开放、中立、公益”的理念,把代码托管、模型共享、数据集托管、智能体开发体验和算力服务整合在一起,为开发者提供从开发、训练到部署的一站式体验。
更多推荐


所有评论(0)