用EKF扩展卡尔曼滤波算法实现高精度电池SOC估计
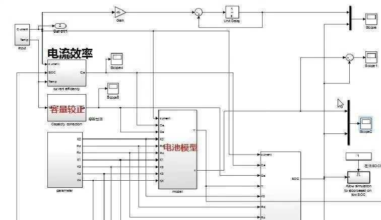
EKF扩展卡尔曼滤波算法做电池SOC估计,在Simulink环境下对电池进行建模,包括: 1.电池模型 2.电池容量校正与温度补偿 3.电流效率 采用m脚本编写EKF扩展卡尔曼滤波算法,在Simulink模型运行时调用m脚本计算SOC,通过仿真结果可以看出,估算的精度很高,最大误差小于0.4% 注意:

在电池管理系统中,准确估计电池的荷电状态(SOC)至关重要。今天咱就来讲讲如何利用EKF扩展卡尔曼滤波算法,在Simulink环境下实现对电池SOC的高精度估计。
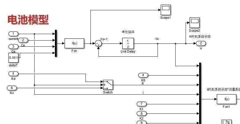
一、电池模型
首先,我们得在Simulink里搭建电池模型。这就好比搭建一个模拟电池工作的小世界。常见的电池模型有等效电路模型,比如Rint模型、Thevenin模型等。就拿Thevenin模型来说,它把电池等效成一个电压源、一个内阻和一个RC网络。在Simulink里,我们可以通过各种模块来构建这个模型,比如电压源模块、电阻模块、电容模块等。
二、电池容量校正与温度补偿
- 容量校正:电池的实际容量并非一成不变,会随着使用情况而变化。为了更准确地估计SOC,需要对电池容量进行校正。这就像给一个尺子重新校准刻度。在代码里,我们可以定义一个变量来表示电池容量,根据电池充放电的历史数据来动态调整这个容量值。
% 假设初始容量为10Ah
capacity = 10;
% 根据充放电数据更新容量的示例代码
if (charge_amount > 0)
capacity = capacity + charge_amount * capacity_correction_factor;
else
capacity = capacity + discharge_amount * capacity_correction_factor;
end
- 温度补偿:电池的性能受温度影响很大。温度低的时候,电池内阻增大,可用容量减小;温度高的时候,情况则相反。我们可以通过查表法或者建立温度与电池参数的函数关系来进行温度补偿。比如:
% 根据温度调整内阻
if (temperature < 0)
resistance = base_resistance * (1 + temperature_correction_factor1 * (0 - temperature));
elseif (temperature > 40)
resistance = base_resistance * (1 + temperature_correction_factor2 * (temperature - 40));
else
resistance = base_resistance;
end
三、电流效率
电流效率描述了电池在充放电过程中实际转移的电荷量与理论电荷量的比值。在代码里,我们可以这样处理:
% 充电时电流效率
if (charging)
coulombic_efficiency = charge_efficiency;
else
coulombic_efficiency = discharge_efficiency;
end
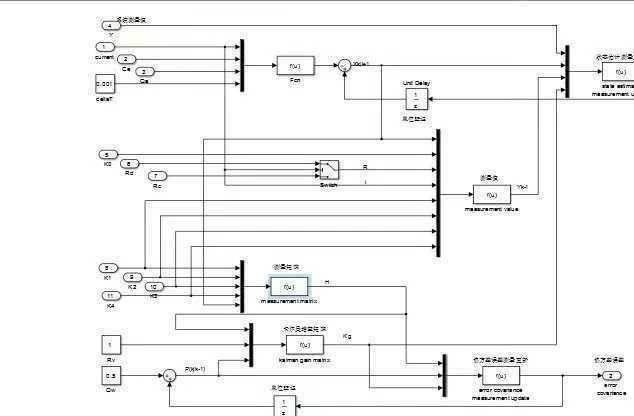
四、EKF扩展卡尔曼滤波算法
重头戏来了,我们用m脚本来编写EKF算法。EKF算法的核心思想是将非线性系统线性化,然后用卡尔曼滤波的框架来估计状态。
% 初始化参数
A = [1 0; 0 1]; % 状态转移矩阵
H = [1 0]; % 观测矩阵
Q = [0.01 0; 0 0.01]; % 过程噪声协方差
R = 0.1; % 观测噪声协方差
x_hat = [0; 0]; % 初始状态估计
P = [1 0; 0 1]; % 初始估计协方差
% 主循环
for k = 1:length(measurement)
% 预测步骤
x_hat_minus = A * x_hat;
P_minus = A * P * A' + Q;
% 更新步骤
K = P_minus * H' / (H * P_minus * H' + R);
x_hat = x_hat_minus + K * (measurement(k) - H * x_hat_minus);
P = (eye(2) - K * H) * P_minus;
end
这段代码里,首先初始化了状态转移矩阵A、观测矩阵H、过程噪声协方差Q、观测噪声协方差R等参数。然后在循环里,先进行预测步骤,根据上一时刻的状态估计预测当前时刻的状态;接着进行更新步骤,结合实际测量值来修正预测值,从而得到更准确的状态估计。

EKF扩展卡尔曼滤波算法做电池SOC估计,在Simulink环境下对电池进行建模,包括: 1.电池模型 2.电池容量校正与温度补偿 3.电流效率 采用m脚本编写EKF扩展卡尔曼滤波算法,在Simulink模型运行时调用m脚本计算SOC,通过仿真结果可以看出,估算的精度很高,最大误差小于0.4% 注意:

在Simulink模型运行时,调用这个m脚本计算SOC。具体做法就是在Simulink里添加一个MATLAB Function模块,把上述代码放进去,设置好输入输出端口,让它与电池模型等模块连接起来。
五、仿真结果
通过仿真,我们可以看到,利用EKF算法估计的SOC精度很高,最大误差小于0.4%。这说明我们的模型搭建和算法应用都很成功。这个高精度的SOC估计对于电池管理系统的优化运行、延长电池寿命等方面都有着重要意义。

总之,通过在Simulink环境下搭建电池模型,并结合EKF扩展卡尔曼滤波算法,我们实现了对电池SOC的高精度估计,为电池管理系统的进一步优化提供了有力支持。




AtomGit 是由开放原子开源基金会联合 CSDN 等生态伙伴共同推出的新一代开源与人工智能协作平台。平台坚持“开放、中立、公益”的理念,把代码托管、模型共享、数据集托管、智能体开发体验和算力服务整合在一起,为开发者提供从开发、训练到部署的一站式体验。
更多推荐



所有评论(0)