探秘电动汽车VCU与BMS的HIL仿真:从代码到实车的桥梁
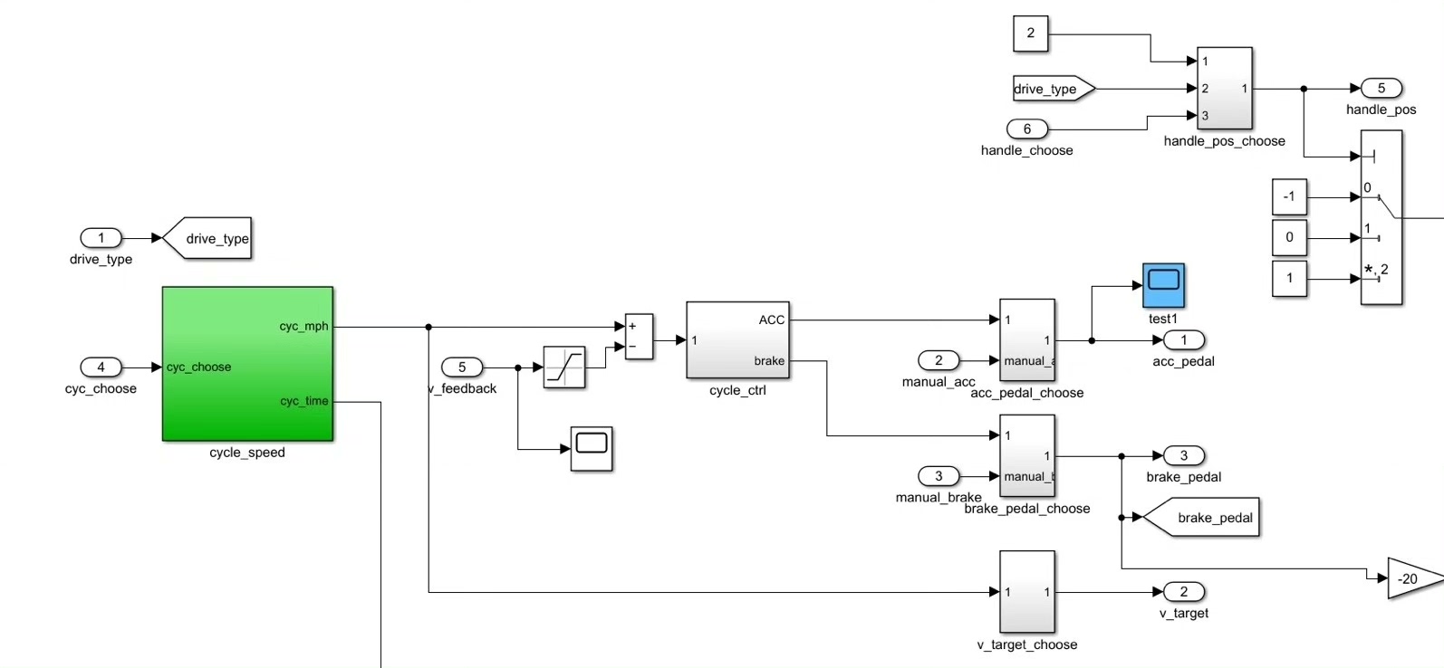
电动汽车VCU hil BMS hil硬件在环仿真 其中包含新能源电动汽车整车建模说明, hil模型包含驾驶员模块,仪表模块,BCU整车控制器模块,MCU电机模块,TCU变速箱模块,减速器模块,BMS电池管理模块,整车模块及HIL仿真接口模块等。 新能源电动汽车VCU hil BMS hil硬件在环仿真 文件包含电动汽车整车建模说明书, 模型包含驾驶员模块,仪表模块,BCU整车控制器模块,MCU电机模块,TCU变速箱模块,减速器模块,BMS电池管理模块,整车模块及HIL仿真接口模块等。
在新能源汽车的研发过程中,硬件在环(HIL)仿真扮演着越来越重要的角色。它不仅缩短了开发周期,还大大提高了测试的准确性。今天,我将带领大家深入了解电动汽车VCU(整车控制器)和BMS(电池管理系统)的HIL仿真技术,以及它们在整车建模中的应用。
一、HIL仿真:连接虚拟与现实的桥梁
HIL仿真是一种将被测控制器与仿真模型相结合的测试方法,它通过实时仿真来模拟实际工况,帮助开发人员在早期发现问题并进行优化。在电动汽车开发中,HIL仿真可以模拟各种极端工况,如高温、低温、高海拔等,为整车控制器和电池管理系统提供可靠的测试环境。
二、整车建模:构建虚拟原型
整车建模是HIL仿真的重要基础。通过建立精确的数学模型,我们可以将整车系统分解为多个模块,包括:
- 驾驶员模块:模拟驾驶员的操作
- 仪表模块:显示车辆状态信息
- BCU模块:整车控制器
- MCU模块:电机控制器
- TCU模块:变速箱控制器
- 减速器模块:模拟机械传动系统
- BMS模块:电池管理系统
- 整车模块:集成所有子系统
- HIL仿真接口模块:连接虚拟与现实
这些模块通过CAN总线进行通信,形成一个完整的虚拟整车系统。
三、VCU HIL仿真:大脑的实时测试
VCU是电动汽车的"大脑",负责协调各个子系统的运行。在HIL仿真中,VCU需要实时处理来自各个模块的信号,并做出相应的控制决策。

下面是一个VCU HIL仿真的核心代码片段:
// VCU主循环
void VCU_Main(void) {
// 读取驾驶员输入信号
driverInput = CAN_Read(DRIVER_MODULE_ID);
// 获取电池状态
batteryStatus = CAN_Read(BMS_MODULE_ID);
// 计算目标扭矩
targetTorque = CalculateTorque(driverInput, batteryStatus);
// 发送扭矩指令
CAN_Write(targetTorque, MCU_MODULE_ID);
}
这段代码展示了VCU的基本功能:读取输入信号、计算目标扭矩并发送指令。通过HIL仿真,我们可以实时监控VCU的输出,并验证其在各种工况下的性能。
四、BMS HIL仿真:电池安全的守护者
BMS负责监控电池状态,确保电池的安全运行。在HIL仿真中,我们需要模拟电池的充放电过程,并验证BMS的保护功能。
电动汽车VCU hil BMS hil硬件在环仿真 其中包含新能源电动汽车整车建模说明, hil模型包含驾驶员模块,仪表模块,BCU整车控制器模块,MCU电机模块,TCU变速箱模块,减速器模块,BMS电池管理模块,整车模块及HIL仿真接口模块等。 新能源电动汽车VCU hil BMS hil硬件在环仿真 文件包含电动汽车整车建模说明书, 模型包含驾驶员模块,仪表模块,BCU整车控制器模块,MCU电机模块,TCU变速箱模块,减速器模块,BMS电池管理模块,整车模块及HIL仿真接口模块等。

下面是一个BMS HIL仿真的代码片段:
// BMS主循环
void BMS_Main(void) {
// 读取电池温度
float temperature = ReadTemperature();
// 读取电池电压
float voltage = ReadVoltage();
// 检查过压状态
if (voltage > VOLTAGE_MAX) {
OverVoltageProtection();
}
// 检查过热状态
if (temperature > TEMPERATURE_MAX) {
OverTemperatureProtection();
}
}
这段代码展示了BMS的基本保护功能:过压保护和过热保护。通过HIL仿真,我们可以模拟各种故障工况,验证BMS的保护逻辑。
五、HIL仿真在开发中的优势
- 缩短开发周期:可以在硬件开发完成前进行测试
- 提高测试覆盖率:可以模拟极端工况
- 降低测试成本:减少对实车测试的依赖
- 提高系统可靠性:通过早期发现问题
六、总结与展望
随着新能源汽车的快速发展,HIL仿真技术将在整车开发中发挥越来越重要的作用。通过精确的整车建模和实时仿真,我们可以更高效地开发和验证VCU和BMS的功能,为电动汽车的安全性和可靠性提供保障。
在未来,随着AI和大数据技术的发展,HIL仿真将变得更加智能化和高效化,为新能源汽车的研发注入新的活力。

AtomGit 是由开放原子开源基金会联合 CSDN 等生态伙伴共同推出的新一代开源与人工智能协作平台。平台坚持“开放、中立、公益”的理念,把代码托管、模型共享、数据集托管、智能体开发体验和算力服务整合在一起,为开发者提供从开发、训练到部署的一站式体验。
更多推荐

所有评论(0)