双馈风机并网储能:电网频率一次调频仿真探索
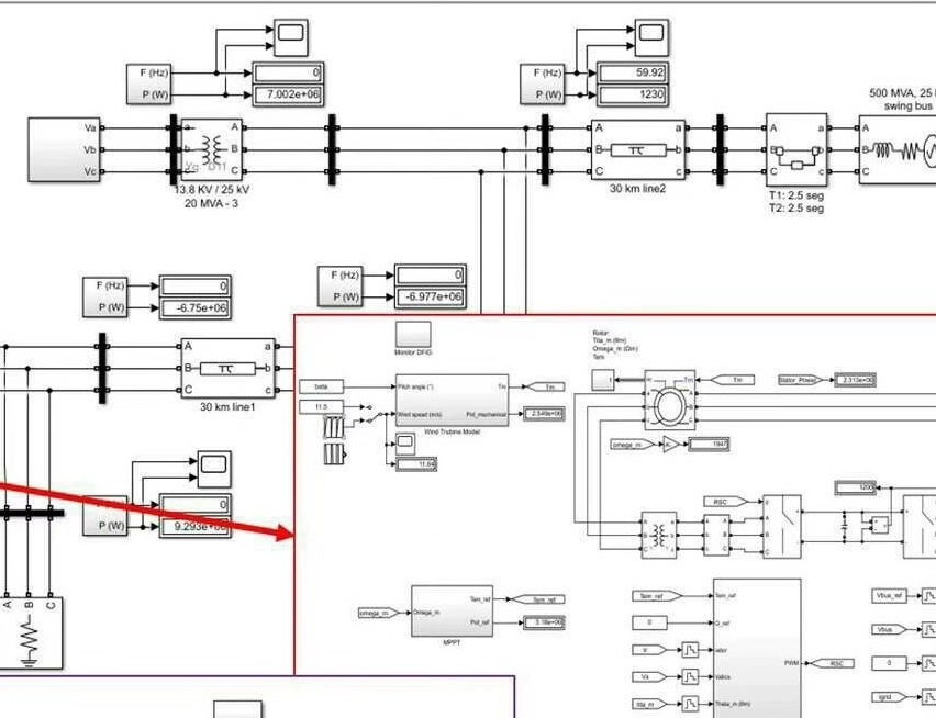
双馈风机并网储能 电网频率一次调频仿真 双馈风力发电机结合并网储能系统实现电网频率支撑仿真,包含完整的MATLAB/Simulink仿真文件,到手可运行。 有一篇6页的英文参考文献,仿真模型采用的控制方法法与文献相近、采用的电力系统结构与文献Fig5一致,但电力系统参数稍有不一致,并不是对文献的复现

在当今大力发展可再生能源的时代,风力发电占据着重要地位。然而,风电的间歇性和波动性给电网频率稳定带来了挑战。今天就来聊聊双馈风机并网储能实现电网频率一次调频的仿真。
一、双馈风机与并网储能的协同作用
双馈风力发电机(DFIG)具有变速恒频运行的优点,能够在不同风速下高效发电。但在电网频率波动时,其自身调节能力有限。而并网储能系统可以快速吸收或释放能量,与双馈风机配合,共同为电网频率提供支撑。
二、仿真实现与模型构建
本次仿真使用MATLAB/Simulink搭建完整模型。参考了一篇6页的英文文献,虽然在控制方法上与文献相近,电力系统结构也与文献Fig5一致,但电力系统参数稍有不同,并非对文献的复现。
双馈风机模型
以经典的双馈风机模型搭建为例,在Simulink中,我们可以利用电机模块库来构建双馈风机的定子和转子部分。
% 这里假设简单搭建双馈风机定子电压方程
% 定义参数
R_s = 0.01; % 定子电阻
L_s = 0.1; % 定子电感
omega = 2*pi*50; % 电网角频率
t = 0:0.0001:0.1; % 时间向量
% 计算定子电压
V_s = R_s*I_s + L_s*diff(I_s)/diff(t) + 1j*omega*L_s*I_s;
这段代码简单模拟了双馈风机定子电压的计算过程。Rs和Ls分别是定子电阻和电感,omega为电网角频率,通过这些参数结合电流Is计算定子电压Vs。实际模型中,还会涉及更复杂的电机动态方程和控制环节。
并网储能模型
并网储能系统通常由电池模型、变流器等部分组成。
% 简单的电池SOC(荷电状态)计算
SOC(1) = 1; % 初始SOC设为1
for k = 2:length(t)
I_bat = -P_bat(k)/V_bat; % 根据功率和电压计算电池电流
SOC(k) = SOC(k - 1) - (I_bat*dt)/(3600*C_bat); % 更新SOC
end
以上代码模拟了电池SOC的计算。Pbat是电池功率,Vbat为电池电压,Cbat是电池容量,随着时间t根据电流Ibat不断更新电池的SOC,以此来模拟电池的充放电状态。
控制策略
控制策略上与文献相近,旨在协调双馈风机和储能系统的输出。比如,当电网频率下降时,储能系统快速释放能量,同时双馈风机增加有功输出。
% 简单的频率控制逻辑
if freq < 50 - 0.05 % 假设频率偏差阈值为0.05Hz
P_ref = P_nom + k_p*(50 - freq); % 根据频率偏差调整功率参考值
% 这里的k_p是比例系数,P_nom是额定功率
% 通过调整P_ref来控制双馈风机和储能系统的功率输出
end
这段代码根据电网频率freq与额定频率50Hz的偏差,通过比例系数kp调整功率参考值Pref,进而控制双馈风机和储能系统的功率输出,以维持电网频率稳定。
三、仿真结果分析
通过运行搭建好的MATLAB/Simulink仿真文件(到手即可运行),可以观察到在电网频率波动时,双馈风机和并网储能系统协同工作的效果。比如在遭受功率扰动时,储能系统迅速响应,弥补了双馈风机响应速度上的不足,有效抑制了电网频率的波动幅度,使其尽快恢复到稳定范围。

双馈风机并网储能 电网频率一次调频仿真 双馈风力发电机结合并网储能系统实现电网频率支撑仿真,包含完整的MATLAB/Simulink仿真文件,到手可运行。 有一篇6页的英文参考文献,仿真模型采用的控制方法法与文献相近、采用的电力系统结构与文献Fig5一致,但电力系统参数稍有不一致,并不是对文献的复现

总之,双馈风机并网储能系统对于电网频率一次调频有着重要意义,通过本次仿真也进一步验证了这种协同方式的有效性和可行性。希望大家也能尝试在这个有趣的领域深入探索。


AtomGit 是由开放原子开源基金会联合 CSDN 等生态伙伴共同推出的新一代开源与人工智能协作平台。平台坚持“开放、中立、公益”的理念,把代码托管、模型共享、数据集托管、智能体开发体验和算力服务整合在一起,为开发者提供从开发、训练到部署的一站式体验。
更多推荐



所有评论(0)