三相光伏PV并网逆变器MATLAB仿真探索
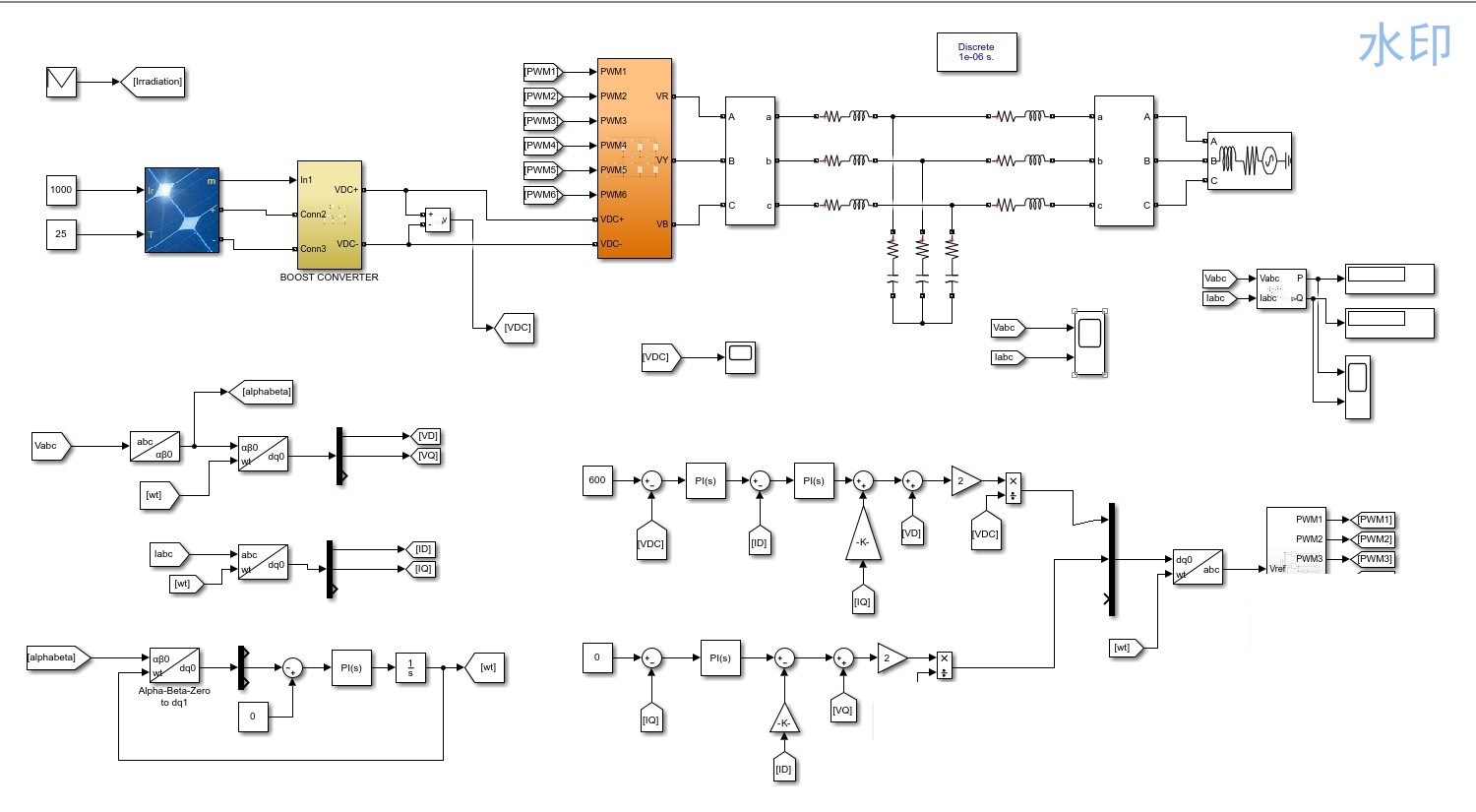
三相光伏PV并网逆变器MATLAB仿真 模型内容: 1.光伏+MPPT控制(boost+三相桥式逆变) 2.坐标变换+锁相环+dq功率控制+解耦控制+电流内环电压外环控制+spwm调制 3.LCL滤波 仿真结果: 1.逆变输出与三项380V电网同频同相 2.直流母线电压600V稳定 3.d轴电压稳定311V;q轴电压稳定为0V,有功功率高效输出

在可再生能源领域,三相光伏PV并网逆变器起着关键作用,它将光伏电池产生的直流电转换为交流电并接入电网。今天就来聊聊基于MATLAB的三相光伏PV并网逆变器仿真。
模型内容剖析
光伏 + MPPT控制(boost + 三相桥式逆变)
光伏部分,其输出特性受光照强度和温度影响。最大功率点跟踪(MPPT)控制就像是一个聪明的导航员,能让光伏系统始终工作在最大功率点附近,提升发电效率。常见的MPPT算法有扰动观察法、电导增量法等。这里采用boost电路实现MPPT控制。
% 简单的boost电路仿真示例
Vin = 100; % 输入电压,模拟光伏输出电压
D = 0.6; % 占空比
Vo = Vin / (1 - D); % 输出电压计算
fprintf('Boost电路输出电压: %.2f V\n', Vo);
上述代码简单模拟了boost电路,通过设置占空比D,计算出输出电压。实际中,占空比会根据MPPT算法动态调整。之后通过三相桥式逆变电路将直流电转换为三相交流电。
坐标变换 + 锁相环 + dq功率控制 + 解耦控制 + 电流内环电压外环控制 + SPWM调制
- 坐标变换:为了更好地分析和控制三相系统,常把三相静止坐标系下的物理量变换到两相旋转坐标系(dq坐标系)。比如abc - dq0变换,代码示例如下:
function [dq0] = abc2dq0(abc, theta)
T = [cos(theta) sin(theta) 0;
-sin(theta) cos(theta) 0;
0.5 0.5 0.5];
dq0 = T * abc;
end
- 锁相环(PLL):它的任务是精确跟踪电网电压的相位和频率,让逆变器输出与电网同频同相。
- dq功率控制:在dq坐标系下,实现对有功功率和无功功率的独立控制。
- 解耦控制:消除dq轴之间的耦合影响,提升系统控制性能。
- 电流内环电压外环控制:电流内环快速响应电流变化,电压外环维持直流母线电压稳定。
- SPWM调制:生成逆变器所需的驱动信号。通过调制正弦波与三角载波比较,决定功率开关的通断。
LCL滤波
LCL滤波器能有效抑制逆变器输出的高频谐波,提升电能质量。它由一个串联电感、一个电容和一个并联电感组成。
仿真结果解读
逆变输出与三相380V电网同频同相
这是并网的关键条件,通过锁相环和上述一系列控制策略实现。确保逆变器输出的交流电频率和相位与电网匹配,避免出现并网冲击,实现平滑接入。
直流母线电压600V稳定
得益于电压外环控制,它不断调节逆变器的直流侧电压,使其稳定在设定值600V,为逆变过程提供稳定的直流电源。
d轴电压稳定311V;q轴电压稳定为0V,有功功率高效输出
在dq坐标系下,这样的电压设定确保了有功功率的高效传输。d轴电压对应有功功率,q轴电压对应无功功率,q轴电压为0保证了只传输有功功率到电网。

三相光伏PV并网逆变器MATLAB仿真 模型内容: 1.光伏+MPPT控制(boost+三相桥式逆变) 2.坐标变换+锁相环+dq功率控制+解耦控制+电流内环电压外环控制+spwm调制 3.LCL滤波 仿真结果: 1.逆变输出与三项380V电网同频同相 2.直流母线电压600V稳定 3.d轴电压稳定311V;q轴电压稳定为0V,有功功率高效输出

通过MATLAB仿真,我们能深入了解三相光伏PV并网逆变器的工作原理和性能,为实际工程应用提供有力的理论支持和技术指导。

AtomGit 是由开放原子开源基金会联合 CSDN 等生态伙伴共同推出的新一代开源与人工智能协作平台。平台坚持“开放、中立、公益”的理念,把代码托管、模型共享、数据集托管、智能体开发体验和算力服务整合在一起,为开发者提供从开发、训练到部署的一站式体验。
更多推荐



所有评论(0)