光储并网直流微电网仿真模型:Matlab/Simulink 2018 实战
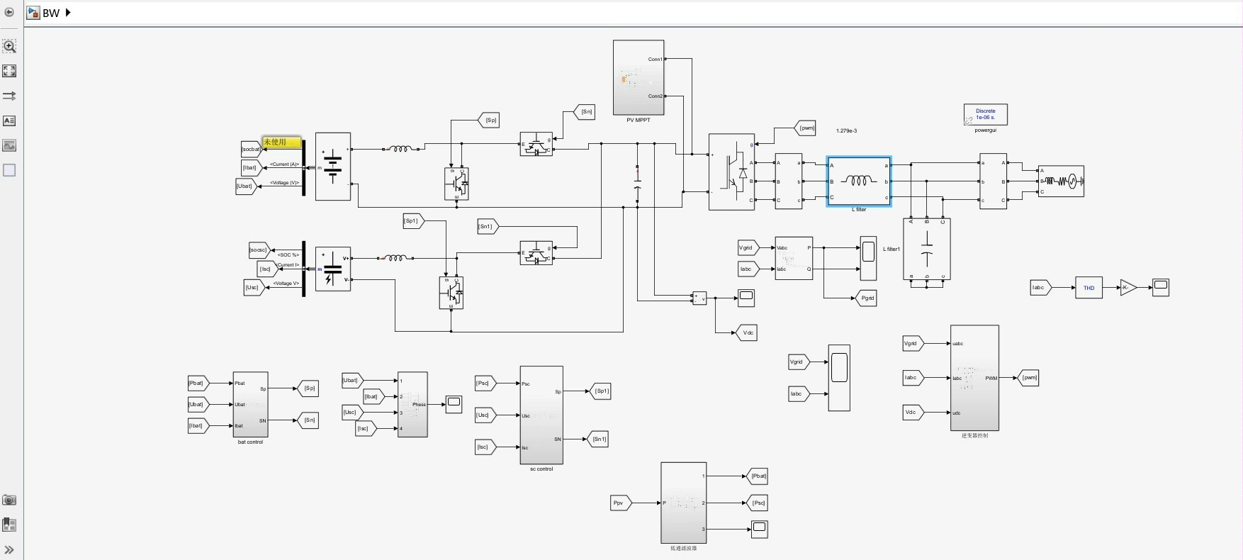
光储并网直流微电网仿真模型(matlab/simulink,2018),包含: 1.MPPT模块,实现光伏输入最大功率跟踪; 2.储能电池模块; 3.超级电容模块; 控制策略简介: 糸统使用二阶低通滤波法对光伏输出功率进行抑制,通过设置不同截止频率,高频功率给超级电容响应,中频给蓄电池响应,低频功率馈入电网,并网THDi小于5%,母线电压稳定,并网质量良好; 有对应文献;

在当今能源转型的大背景下,光储并网直流微电网成为了研究热点。今天就来和大家分享下基于Matlab/Simulink 2018搭建的光储并网直流微电网仿真模型。
模型构成模块
MPPT模块:追寻光伏最大功率的脚步
MPPT,也就是最大功率点跟踪模块,它的使命是让光伏输入始终保持在最大功率状态。在Matlab/Simulink里实现这个功能,我们可以采用经典的扰动观察法。代码示例如下:
% 假设光伏阵列输出电压为pv_voltage,输出电流为pv_current
pv_power = pv_voltage * pv_current;
delta_pv_power = diff(pv_power);
delta_pv_voltage = diff(pv_voltage);
if delta_pv_power * delta_pv_voltage > 0
% 如果功率和电压变化同号,增大占空比
duty_cycle = duty_cycle + step_size;
else
% 如果功率和电压变化异号,减小占空比
duty_cycle = duty_cycle - step_size;
end
这段代码通过比较前后时刻光伏功率和电压的变化,来调整占空比,从而追踪最大功率点。简单来说,如果功率和电压同时上升或下降,那就加大占空比;反之,则减小占空比。
储能电池模块:能量的稳定储存站
储能电池模块在整个微电网系统中起到“稳定器”的作用。它可以在光伏发电过剩时储存能量,在发电不足时释放能量。在Simulink中,我们可以使用电池模型库来搭建,比如选用铅酸电池模型。其参数设置要根据实际电池的容量、内阻等特性来调整。比如:
% 设置电池参数
battery_capacity = 100; % 单位Ah
battery_internal_resistance = 0.01; % 单位Ω
这里设置了电池容量和内阻,这些参数直接影响电池充放电性能。
超级电容模块:高频能量的快速响应者
超级电容模块擅长处理高频功率。它能够快速地吸收和释放能量,以应对系统中突发的功率变化。在Simulink中搭建超级电容模块时,我们需要关注其等效串联电阻(ESR)和电容值等参数。
% 设置超级电容参数
supercapacitance_capacitance = 1000; % 单位F
supercapacitance_esr = 0.001; % 单位Ω
较小的等效串联电阻能让超级电容更快地响应功率变化。
控制策略:系统和谐运作的指挥棒
系统采用二阶低通滤波法对光伏输出功率进行抑制,这是整个系统稳定运行的关键。通过设置不同截止频率,让高频功率由超级电容响应,中频由蓄电池响应,低频功率馈入电网。
% 定义截止频率
fc_high = 100; % 高频截止频率,单位Hz
fc_medium = 10; % 中频截止频率,单位Hz
% 设计二阶低通滤波器
[b_high, a_high] = butter(2, fc_high/(fs/2));
[b_medium, a_medium] = butter(2, fc_medium/(fs/2));
% 对光伏功率进行滤波
pv_power_high = filter(b_high, a_high, pv_power);
pv_power_medium = filter(b_medium, a_medium, pv_power);
pv_power_low = pv_power - pv_power_high - pv_power_medium;
在这段代码中,我们通过butter函数设计了二阶低通滤波器,fs是采样频率。根据不同截止频率,将光伏功率分解为高频、中频和低频部分,分别交给对应的储能元件或馈入电网。

光储并网直流微电网仿真模型(matlab/simulink,2018),包含: 1.MPPT模块,实现光伏输入最大功率跟踪; 2.储能电池模块; 3.超级电容模块; 控制策略简介: 糸统使用二阶低通滤波法对光伏输出功率进行抑制,通过设置不同截止频率,高频功率给超级电容响应,中频给蓄电池响应,低频功率馈入电网,并网THDi小于5%,母线电压稳定,并网质量良好; 有对应文献;

得益于这样的控制策略,最终实现了并网THDi小于5%,母线电压稳定,并网质量良好的效果。并且这个模型和策略在相关文献中有详细的理论支撑和实践验证。

总之,基于Matlab/Simulink 2018搭建的这个光储并网直流微电网仿真模型,为我们深入研究微电网系统提供了一个很好的平台,无论是对MPPT的优化,还是储能元件控制的改进,都有很大的探索空间。

AtomGit 是由开放原子开源基金会联合 CSDN 等生态伙伴共同推出的新一代开源与人工智能协作平台。平台坚持“开放、中立、公益”的理念,把代码托管、模型共享、数据集托管、智能体开发体验和算力服务整合在一起,为开发者提供从开发、训练到部署的一站式体验。
更多推荐


所有评论(0)