永磁同步电机MTPA与弱磁模型探索
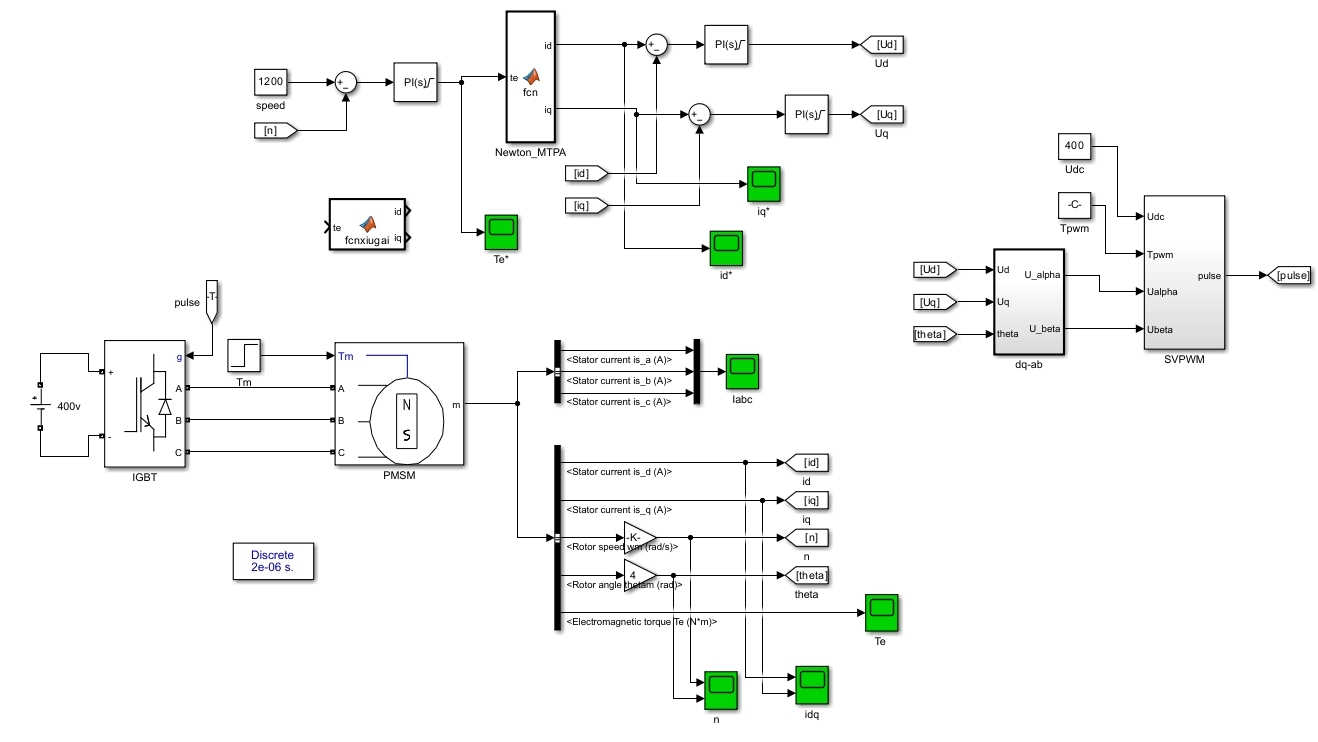
永磁同步电机MTPA最大转矩电流比 弱磁模型,主要包括公式法mtpa,查表法mtpa,牛顿法mtpa,变交轴弱磁,公式法弱磁,电压反馈弱磁,超前角弱磁等等。 保证都能正常运行。 有的方法有几套simulink模型,可以相互印证学习,同时配有文献文档,加深理解。 最后赠送永磁同步电机MTPA,MTPV,弱磁表格自动生成脚本。 matlab输入电机参数,自动生成mtpamtpv轨迹,非常实用。

在永磁同步电机(PMSM)的控制领域,最大转矩电流比(MTPA)和弱磁控制是提升电机性能的关键技术。今天就来跟大家唠唠这其中涉及的各种模型和方法。
MTPA方法
公式法MTPA
公式法MTPA是通过理论推导得出的数学公式来计算最优的电流矢量。其核心思路基于电机的电磁转矩方程和磁链方程。假设电机的电磁转矩 $Te$ 与交直轴电流 $iq$、$i_d$ 的关系为:

永磁同步电机MTPA最大转矩电流比 弱磁模型,主要包括公式法mtpa,查表法mtpa,牛顿法mtpa,变交轴弱磁,公式法弱磁,电压反馈弱磁,超前角弱磁等等。 保证都能正常运行。 有的方法有几套simulink模型,可以相互印证学习,同时配有文献文档,加深理解。 最后赠送永磁同步电机MTPA,MTPV,弱磁表格自动生成脚本。 matlab输入电机参数,自动生成mtpamtpv轨迹,非常实用。

$Te = 1.5p[\psif iq + (Ld - Lq)id i_q]$

其中 $p$ 是电机极对数,$\psif$ 是永磁体磁链,$Ld$、$Lq$ 分别是直轴和交轴电感。为了得到最大转矩电流比,我们对转矩关于电流求偏导并令其为零来求解最优的 $id$ 和 $i_q$ 关系。
% 以下是简单示意如何用matlab根据公式计算MTPA点
% 假设已知电机参数
p = 4; % 极对数
psi_f = 0.15; % 永磁体磁链
L_d = 0.005; % 直轴电感
L_q = 0.01; % 交轴电感
% 设定电流范围
i_d = -0.1:0.001:0.1;
i_q = zeros(size(i_d));
for k = 1:length(i_d)
% 根据公式求解i_q
i_q(k) = -psi_f / (2 * (L_d - L_q)) + sqrt((psi_f / (2 * (L_d - L_q)))^2 + T_e_desired / (1.5 * p * (L_d - L_q)));
end
在这段代码中,我们根据上述公式,在给定电机参数和期望转矩 Tedesired(这里未具体设定,实际应用中会根据需求给定)的情况下,计算出不同 id 对应的 iq,从而得到MTPA轨迹。
查表法MTPA
查表法MTPA是通过预先计算不同工况下的最优电流值,并将其存储在表格中。在实际运行时,根据电机的转速、转矩等实时参数查询表格获取对应的最优电流值。这种方法的优点是计算速度快,但缺点是需要大量的存储空间,并且精度受表格分辨率限制。
牛顿法MTPA
牛顿法是一种迭代求解非线性方程的方法,用于MTPA控制时,通过不断迭代更新电流值来逼近最优解。其基本步骤是根据当前的电流值计算目标函数(如转矩与电流比相关的函数)及其梯度,然后根据牛顿迭代公式更新电流值。
% 牛顿法求解MTPA示意代码
% 定义目标函数和其梯度函数
function [f, df] = mtpa_objective(i, params)
p = params.p;
psi_f = params.psi_f;
L_d = params.L_d;
L_q = params.L_q;
% 目标函数可以定义为转矩与电流幅值平方比
f = (1.5 * p * (psi_f * i(2) + (L_d - L_q) * i(1) * i(2))) / (i(1)^2 + i(2)^2);
% 计算梯度
df(1) = 1.5 * p * (L_d - L_q) * i(2) / (i(1)^2 + i(2)^2) - 2 * i(1) * (1.5 * p * (psi_f * i(2) + (L_d - L_q) * i(1) * i(2))) / (i(1)^2 + i(2)^2)^2;
df(2) = 1.5 * p * (psi_f + (L_d - L_q) * i(1)) / (i(1)^2 + i(2)^2) - 2 * i(2) * (1.5 * p * (psi_f * i(2) + (L_d - L_q) * i(1) * i(2))) / (i(1)^2 + i(2)^2)^2;
end
% 牛顿法迭代
params.p = 4;
params.psi_f = 0.15;
params.L_d = 0.005;
params.L_q = 0.01;
i_guess = [0.01; 0.05]; % 初始电流猜测值
tolerance = 1e-6; % 收敛容差
max_iter = 100;
for iter = 1:max_iter
[f, df] = mtpa_objective(i_guess, params);
i_update = i_guess - inv(jacobian(@(i) mtpa_objective(i, params), i_guess)) * [f; 0]; % 牛顿迭代公式
if norm(i_update - i_guess) < tolerance
break;
end
i_guess = i_update;
end
上述代码展示了如何用牛顿法求解MTPA点,通过不断迭代更新猜测的电流值 i_guess,直到满足收敛条件。
弱磁模型
变交轴弱磁
变交轴弱磁通过改变交轴电流 $iq$ 的大小来实现弱磁控制。在电机高速运行时,适当减小 $iq$ 可以降低电机的反电动势,从而拓宽电机的调速范围。
公式法弱磁
公式法弱磁同样基于电机的电磁方程,通过理论推导得出在不同转速下满足弱磁条件的电流指令。例如,根据电机的电压极限方程 $U{max} = \sqrt{(Rs id)^2 + (\omegae \psif + \omegae Lq iq)^2}$,在已知最大电压 $U{max}$ 和转速 $\omegae$ 的情况下,可以求解出满足电压限制的 $id$ 和 $iq$。
电压反馈弱磁
电压反馈弱磁是通过实时检测电机的端电压,并与设定的电压极限进行比较。当检测到电压接近极限时,调整电流指令以实现弱磁控制。这种方法具有实时性好的优点,但对电压检测的精度要求较高。
超前角弱磁
超前角弱磁是通过控制逆变器输出电压的相位超前角来实现弱磁。通过适当增大超前角,可以降低电机的反电动势,从而达到弱磁的目的。
Simulink模型与文献辅助
上述提到的部分方法都有几套Simulink模型。这些模型相互印证,能够帮助我们更直观地理解不同控制策略的运行效果。同时,配有相关的文献文档,文献中详细的理论分析和案例研究可以加深我们对MTPA和弱磁控制的理解。
自动生成脚本福利
最后给大家送上永磁同步电机MTPA、MTPV(最大转矩电压比)、弱磁表格自动生成脚本。通过在Matlab中输入电机参数,就能自动生成MTPA、MTPV轨迹。这对于快速评估电机性能和设计控制策略非常实用。
% MTPA和MTPV轨迹自动生成脚本示例
function [mtpa_table, mtpv_table] = generate_tables(params)
% 提取电机参数
p = params.p;
psi_f = params.psi_f;
L_d = params.L_d;
L_q = params.L_q;
R_s = params.R_s;
U_max = params.U_max;
% 设定工况范围
speed_range = 0:100:3000; % 转速范围
torque_range = 0:1:50; % 转矩范围
% 初始化表格
mtpa_table = zeros(length(speed_range), length(torque_range), 2);
mtpv_table = zeros(length(speed_range), length(torque_range), 2);
for i = 1:length(speed_range)
omega_e = speed_range(i) * pi / 30; % 电角速度
for j = 1:length(torque_range)
T_e = torque_range(j);
% 计算MTPA点
% 这里简化处理,实际可能更复杂
i_d_mtpa = -psi_f / (2 * (L_d - L_q)) + sqrt((psi_f / (2 * (L_d - L_q)))^2 + T_e / (1.5 * p * (L_d - L_q)));
i_q_mtpa = T_e / (1.5 * p * (psi_f + (L_d - L_q) * i_d_mtpa));
mtpa_table(i, j, 1) = i_d_mtpa;
mtpa_table(i, j, 2) = i_q_mtpa;
% 计算MTPV点(这里只是示意,实际算法更复杂)
% 根据电压极限等条件计算
i_d_mtpv = calculate_id_mtpv(omega_e, T_e, params);
i_q_mtpv = calculate_i_q_mtpv(omega_e, T_e, params);
mtpv_table(i, j, 1) = i_d_mtpv;
mtpv_table(i, j, 2) = i_q_mtpv;
end
end
end
以上脚本根据输入的电机参数 params,在设定的转速和转矩范围内计算并生成MTPA和MTPV表格,大家可以根据实际需求进一步完善和应用。希望这些内容能为大家在永磁同步电机控制的学习和研究中带来帮助!


AtomGit 是由开放原子开源基金会联合 CSDN 等生态伙伴共同推出的新一代开源与人工智能协作平台。平台坚持“开放、中立、公益”的理念,把代码托管、模型共享、数据集托管、智能体开发体验和算力服务整合在一起,为开发者提供从开发、训练到部署的一站式体验。
更多推荐



所有评论(0)