永磁同步电机矢量控制Matlab仿真之转速与转矩波形探秘
永磁同步电机矢量控制matlab控制仿真模型(vcpmsm) 转速、转矩波形
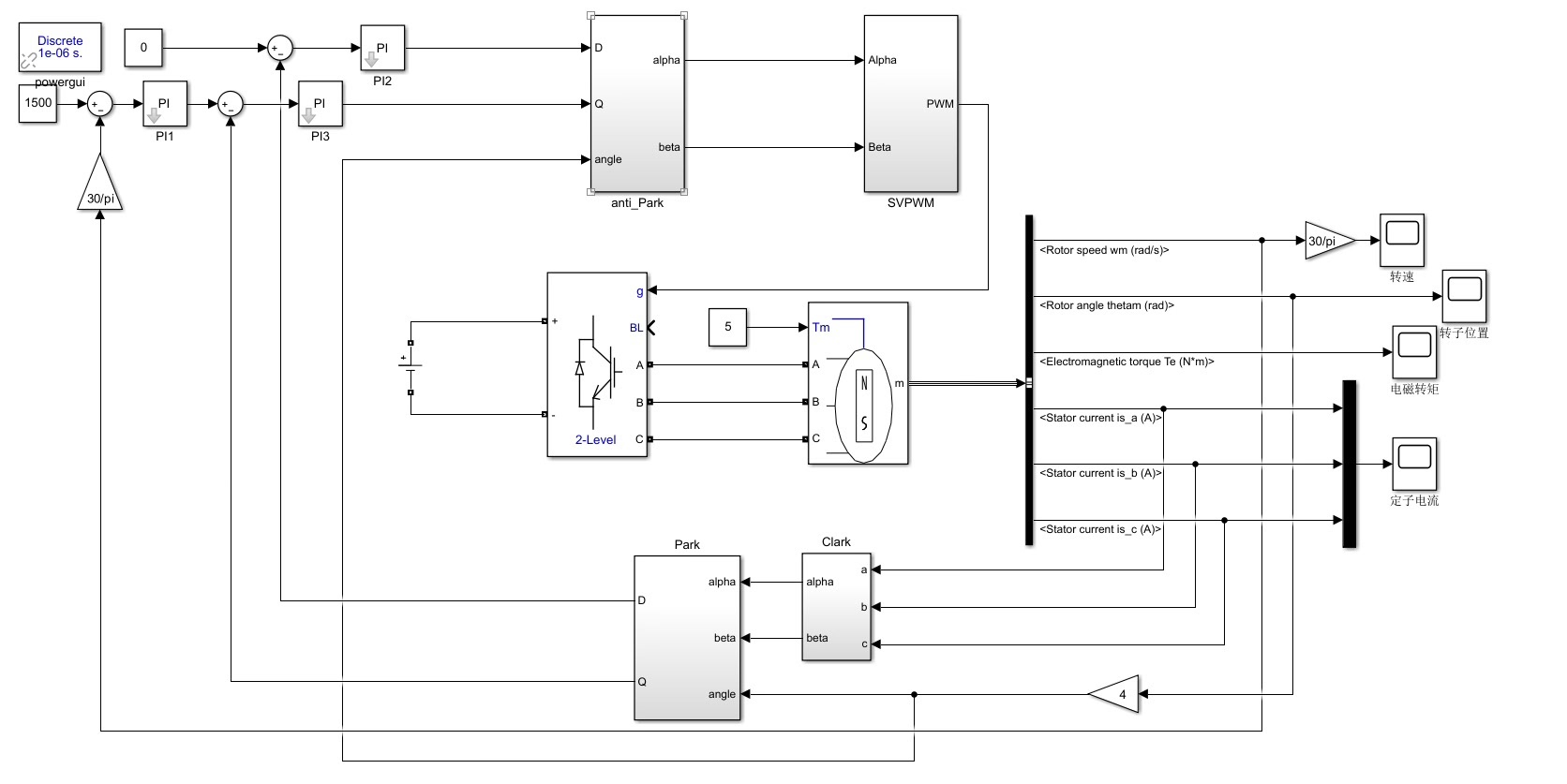
在永磁同步电机(PMSM)的矢量控制领域,Matlab仿真模型就像是一把神奇的钥匙,能帮助我们深入窥探电机运行的奥秘。今天咱就来唠唠这个永磁同步电机矢量控制的Matlab控制仿真模型(vcpmsm),重点瞅瞅转速和转矩波形。
一、仿真模型搭建基础
要构建vcpmsm模型,首先得理解PMSM的数学模型。在三相静止坐标系下,PMSM的电压方程可表示为:
\[ \begin{cases}

u{a} = R{s}i{a} + p\psi{a} \\
u{b} = R{s}i{b} + p\psi{b} \\
u{c} = R{s}i{c} + p\psi{c}

\end{cases} \]
永磁同步电机矢量控制matlab控制仿真模型(vcpmsm) 转速、转矩波形
其中,\( u{a}, u{b}, u{c} \) 是三相定子电压,\( i{a}, i{b}, i{c} \) 是三相定子电流,\( R{s} \) 是定子电阻,\( p \) 是微分算子,\( \psi{a}, \psi{b}, \psi{c} \) 是三相磁链。

在Matlab中,我们可以利用Simulink来搭建这个模型。以简单的PMSM模块搭建为例,代码如下(这里用的是Matlab脚本创建模块,实际也常用Simulink图形化界面搭建):
% 创建PMSM模块
model = 'vcpmsm';
open_system(model);
% 设置PMSM参数
pmsm = get_param([model '/PMSM'],'Object');
pmsm.PolePairs = 4; % 设置极对数
pmsm.StatorResistance = 0.8; % 设置定子电阻
pmsm.StatorInductance = 0.0085; % 设置定子电感
pmsm.FluxLinkage = 0.175; % 设置永磁体磁链
上述代码通过Matlab脚本打开了名为 vcpmsm 的模型,并对其中的PMSM模块参数进行了设置。极对数、定子电阻、定子电感和永磁体磁链等参数的设定,对电机的运行特性有着关键影响。
二、矢量控制策略实现
矢量控制的核心思想是将定子电流分解为励磁电流分量和转矩电流分量,从而实现对电机磁通和转矩的独立控制。在Matlab仿真中,我们通过一系列的坐标变换来达成这一目标。
从三相静止坐标系(abc)到两相静止坐标系(αβ)的变换代码如下:
function [i_alpha, i_beta] = abc_to_alpha_beta(i_a, i_b, i_c)
C = [1 -1/2 -1/2; 0 sqrt(3)/2 -sqrt(3)/2];
i_abc = [i_a; i_b; i_c];
i_alpha_beta = C * i_abc;
i_alpha = i_alpha_beta(1);
i_beta = i_alpha_beta(2);
end
这段代码定义了一个函数 abctoalphabeta,通过一个变换矩阵 C 将三相电流 ia, ib, ic 转换为两相静止坐标系下的电流 ialpha 和 ibeta。
接着,从两相静止坐标系(αβ)到两相旋转坐标系(dq)的变换代码:
function [i_d, i_q] = alpha_beta_to_dq(i_alpha, i_beta, theta)
C = [cos(theta) sin(theta); -sin(theta) cos(theta)];
i_alpha_beta = [i_alpha; i_beta];
i_dq = C * i_alpha_beta;
i_d = i_dq(1);
i_q = i_dq(2);
end
这里的 theta 是转子位置角,通过这个函数,我们进一步将电流转换到旋转坐标系下,得到用于独立控制磁通和转矩的 id 和 iq 分量。
三、转速与转矩波形分析
在搭建好模型并实现矢量控制后,我们就能获取到电机的转速和转矩波形啦。在Matlab仿真运行结束后,我们可以通过以下代码绘制波形:
% 获取转速数据
time = simout.time;
speed = simout.signals.values(:,1);
% 获取转矩数据
torque = simout.signals.values(:,2);
% 绘制转速波形
figure;
plot(time, speed);
xlabel('时间 (s)');
ylabel('转速 (rpm)');
title('永磁同步电机转速波形');
% 绘制转矩波形
figure;
plot(time, torque);
xlabel('时间 (s)');
ylabel('转矩 (N·m)');
title('永磁同步电机转矩波形');
从转速波形来看,如果电机运行稳定,波形应该是一条相对平滑的曲线,围绕给定转速值上下有小范围波动。若波形出现剧烈震荡,那可能是控制参数设置不合理,比如PI调节器的参数。像比例系数 \( Kp \) 过大可能导致系统响应过于灵敏,引发震荡;而积分系数 \( Ki \) 过大则可能使系统出现超调。

再看转矩波形,在启动瞬间,转矩会有一个较大的峰值,以克服电机的惯性使其加速。稳定运行后,转矩波形应保持在一个相对稳定的值附近,以维持电机的匀速转动。要是转矩波形波动较大,除了控制参数的问题,也可能和电机的负载特性有关,比如负载的突然变化会导致转矩波形产生相应波动。
通过对永磁同步电机矢量控制Matlab仿真模型中转速和转矩波形的分析,我们能更好地理解电机的运行状态,对优化控制策略、提高电机性能有着重要意义。希望今天分享的这些内容能给各位在研究PMSM矢量控制的小伙伴们一些帮助和启发。
AtomGit 是由开放原子开源基金会联合 CSDN 等生态伙伴共同推出的新一代开源与人工智能协作平台。平台坚持“开放、中立、公益”的理念,把代码托管、模型共享、数据集托管、智能体开发体验和算力服务整合在一起,为开发者提供从开发、训练到部署的一站式体验。
更多推荐



所有评论(0)