基于MATLAB/Simulink的4机10节点系统暂态稳定性仿真
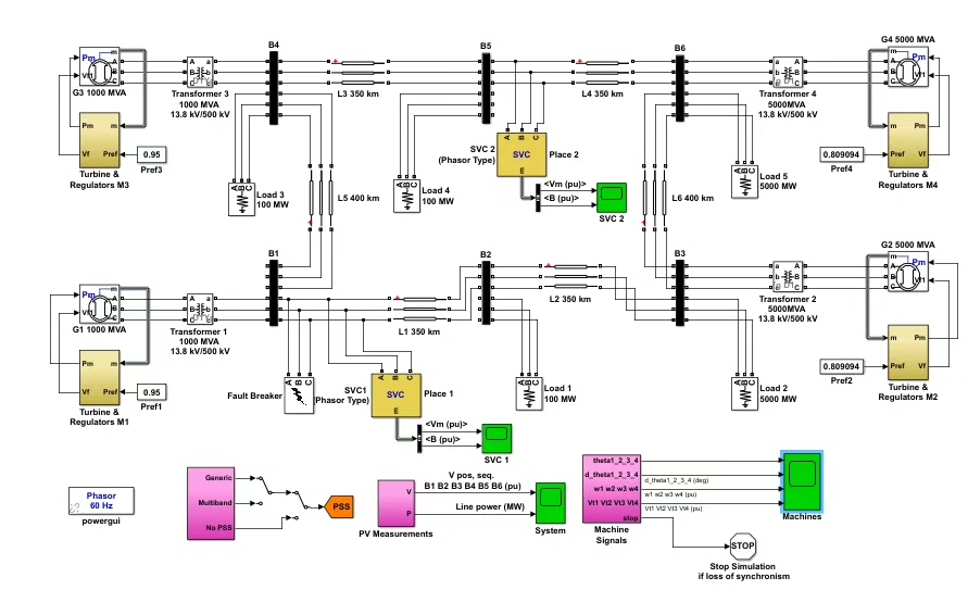
4机10节点系统暂态稳定性仿真/Simulink仿真 1.基于MATLAB/Simulink平台搭建4机10节点系统仿真模型,可以仿真单相接地/两相相间短路/两相接地短路/三相短路故障情况下 系统的暂态特性。 2.研究电力系统稳定器(power system stabilizer)PSS和静止无功补偿器(static var compensator)SVC对系统暂态稳定性的影响。

在电力系统中,暂态稳定性分析是评估系统在各种故障或扰动情况下的动态性能的重要手段。本文通过MATLAB/Simulink平台搭建4机10节点系统的仿真模型,研究单相接地、两相相间短路、两相接地短路及三相短路等故障情况下的暂态特性,并分析电力系统稳定器(PSS)和静止无功补偿器(SVC)对系统暂态稳定性的影响。
系统模型搭建
系统结构
4机10节点系统由两组双馈 wind turbine (WT)系统和两个配电网(Distribution feeder)组成,分别连接到母线1和母线2。系统中包含发电机、变压器、电缆和负载等元件。
模型搭建
在Simulink中,系统模型由以下几个部分组成:
- 发电机模型:采用定子电流调速系统,包含机械系统、发电机、调速系统和发电机本体模型。
- 变压器模型:采用双三次绕组模型,分别表示母线1、母线2和中间母线的连接关系。
- 电缆模型:采用参数化的线性阻抗模型,模拟不同线路的阻抗特性。
- 负载模型:采用定值负载模型,模拟各母线的负载特性。
参数设置
各元件的参数均根据标准参数设置,包括发电机的电抗、变压器的变比、电缆的阻抗等。具体参数设置在代码中进行详细说明。
故障仿真
故障类型
本文研究了以下四种典型故障:
- 单相接地短路:在母线1的A相引出点接地。
- 两相相间短路:在母线1的A和B相引出点短路。
- 两相接地短路:在母线1的A相引出点接地,同时A和B相短路。
- 三相短路:在母线1的A、B和C相引出点短路。
仿真过程
- 建立故障点:在母线1的指定相位引出点引入故障。
- 运行仿真:使用ode45求解器进行仿真,设置仿真时间至系统恢复稳定或达到最大时间(20s)。
- 记录结果:记录各线路电流、电压和发电机转速的变化曲线。
结果分析
通过波形图和时间曲线分析,可以观察系统在不同故障情况下的暂态特性,包括过电压、电流倍频谐波和系统稳定性等。
电力系统稳定器(PSS)和静止无功补偿器(SVC)分析
理论背景
PSS和SVC是电力系统中常用的稳定增强装置,通过调整系统频率和电压特性,提高系统的暂态稳定性。
仿真研究
- PSS分析:
- 在单相接地短路故障下,分别加入PSS,调整其参数(如积分时间、增益等)。
- 通过对比有无PSS的仿真结果,观察系统过电压的幅值和持续时间的变化。
- SVC分析:
- 在两相相间短路故障下,分别加入SVC,调整其无功功率调节范围。
- 通过对比有无SVC的仿真结果,观察系统电压波动和频率偏移的变化。
结果分析
PSS和SVC在不同故障情况下的效果可以通过仿真结果进行对比,验证其在提高系统暂态稳定性方面的作用。
仿真代码示例
% MATLAB/Simulink仿真代码示例
% 系统参数设置
clear; close all; clc;
set_param('power_system', 'StopTime', '20');
set_param('power_system', 'Solver', 'ode45');
set_param('power_system', 'RelativeTolerance', '1e-4');
% 生成故障
Simulink.BlockDiagram.open('power_system');
Simulink.BlockDiagram.setBlockParameter('power_system/fault', 'single_phase');
Simulink.BlockDiagram.runSimulation;
% 仿真结果可视化
Simulink.Plotting.getScope('power_system/line current A');
Simulink.Plotting.getScope('power_system/line current B');
Simulink.Plotting.getScope('power_system/line current C');
总结
通过MATLAB/Simulink平台搭建4机10节点系统仿真模型,可以有效研究系统在各种故障情况下的暂态特性,并分析PSS和SVC对系统稳定性的影响。仿真结果表明,PSS和SVC能够显著改善系统的暂态稳定性,减少过电压幅值和频率偏移,为电力系统的稳定运行提供重要参考。

4机10节点系统暂态稳定性仿真/Simulink仿真 1.基于MATLAB/Simulink平台搭建4机10节点系统仿真模型,可以仿真单相接地/两相相间短路/两相接地短路/三相短路故障情况下 系统的暂态特性。 2.研究电力系统稳定器(power system stabilizer)PSS和静止无功补偿器(static var compensator)SVC对系统暂态稳定性的影响。
AtomGit 是由开放原子开源基金会联合 CSDN 等生态伙伴共同推出的新一代开源与人工智能协作平台。平台坚持“开放、中立、公益”的理念,把代码托管、模型共享、数据集托管、智能体开发体验和算力服务整合在一起,为开发者提供从开发、训练到部署的一站式体验。
更多推荐



所有评论(0)