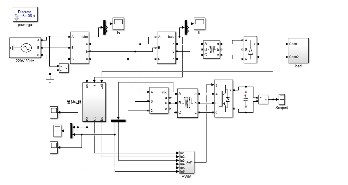
两电平有源电力滤波器仿真+计算+不低于2小时(同学定制) 01) 并联型+APF有源电力滤波器
两电平有源电力滤波器仿真+计算+不低于2小时(同学定制) 01) 并联型+APF有源电力滤波器 02)谐波检测采用基于瞬时无功功率理论的dp变换检测方法; 03)采用电压外环+电流内环双闭环控制; 04) 电压外环:APF直流侧电压采用PI控制,稳定性好(若稳定性较差,会影响补偿效果); 05) 电流内环:APF电流调节采用滞环控制; 06) 可实现谐波抑制和无功补偿功能; 07) APF补偿后,电网电流THD小于5%; 08) 仿真模型主要涉及三相交流电压模块、非线性负载、信号采集模块、示波器模块、LC滤波器模块、谐波检测模块、控制模块、通用桥模块、低通滤波器模块、坐标转换模块、锁相环模块等。 9) 各个模块分类明确,理解容易。 运行条件:电网电压 220V,频率50hz。 运行效果:APF投入前,电网电流THD为12.96%;APF投入后,电网电流THD为1.14%。
啪地一声合上笔记本,我盯着屏幕里从12.96%骤降到1.14%的THD曲线,终于长舒一口气。搞电力电子的都懂,谐波治理就像给电网做透析,而今天这个两电平APF仿真案例,堪称教科书级的"血液净化"方案。别急着翻论文,咱们直接上手拆解这个能打硬仗的仿真模型。

先看硬件架构:三相桥臂带着LC滤波器,直流母线电容像蓄水池般稳稳托着800V电压。重点在控制核心——那个让新手抓狂的dq变换谐波检测。在Simulink里搭建abc/dq0转换模块时,注意锁相环输出的角度θ要实时参与运算:
function [id,iq] = abc_to_dq(ia,ib,ic,theta)
% Clarke变换
i_alpha = (2/3)*(ia - 0.5*ib - 0.5*ic);
i_beta = (2/3)*(sqrt(3)/2*ib - sqrt(3)/2*ic);
% Park变换
id = i_alpha.*cos(theta) + i_beta.*sin(theta);
iq = -i_alpha.*sin(theta) + i_beta.*cos(theta);
end
这个代码块实现了从三相电流到旋转坐标系的映射,注意系数2/3的选取关系到功率守恒。分离出的谐波分量经过20Hz低通滤波器时,截止频率的选择直接影响动态响应速度——太大会残留基波,太小会延迟补偿。
电压外环的PI控制器参数整定是门艺术。调试时发现当Kp=0.5、Ki=100时,直流侧电压能在0.2秒内稳定在800V±5V范围。核心逻辑就三行代码:
error = Vdc_ref - Vdc_actual;
integral = integral + error*Ts;
Vdc_output = Kp*error + Ki*integral;
而电流内环的滞环控制更带劲儿——像猎犬般死死咬住指令电流。设置滞环宽度为0.1A时,开关频率约15kHz。注意这里用了带死区的比较器:
if (I_ref - I_actual) > hyst_width/2
PWM = 1; % 上管开通
elseif (I_actual - I_ref) > hyst_width/2
PWM = 0; % 下管开通
end
实测波形显示,投入APF后A相电网电流从畸变的馒头波瞬间变成完美正弦。秘诀在于非线性负载模块的设置——三相不控整流带RL负载(R=10Ω,L=5mH)完美复现了工业现场典型谐波源。

两电平有源电力滤波器仿真+计算+不低于2小时(同学定制) 01) 并联型+APF有源电力滤波器 02)谐波检测采用基于瞬时无功功率理论的dp变换检测方法; 03)采用电压外环+电流内环双闭环控制; 04) 电压外环:APF直流侧电压采用PI控制,稳定性好(若稳定性较差,会影响补偿效果); 05) 电流内环:APF电流调节采用滞环控制; 06) 可实现谐波抑制和无功补偿功能; 07) APF补偿后,电网电流THD小于5%; 08) 仿真模型主要涉及三相交流电压模块、非线性负载、信号采集模块、示波器模块、LC滤波器模块、谐波检测模块、控制模块、通用桥模块、低通滤波器模块、坐标转换模块、锁相环模块等。 9) 各个模块分类明确,理解容易。 运行条件:电网电压 220V,频率50hz。 运行效果:APF投入前,电网电流THD为12.96%;APF投入后,电网电流THD为1.14%。
当示波器弹出FFT分析结果时,11次谐波幅值从8.7%直降到0.3%。这里有个骚操作:在谐波检测模块后加了个反向模块,把提取的谐波电流反相注入系统,相当于给电网做了个"谐波镜像"。

整个仿真最精彩的部分出现在0.1秒投入APF的瞬间。眼见着电流波形像被无形的手瞬间捋直,THD数值断崖式下跌。这背后是控制环路200μs的响应速度在支撑——比眨眼还快50倍的操作,全靠那个双闭环架构稳如老狗的配合。
走完这趟仿真之旅,突然理解为什么导师总说APF是电力电子的试金石。从坐标变换到滞环跟踪,每一个细节都藏着魔鬼。但当你看到THD像坐滑梯一样往下掉时,所有的掉头发debug都值了。
AtomGit 是由开放原子开源基金会联合 CSDN 等生态伙伴共同推出的新一代开源与人工智能协作平台。平台坚持“开放、中立、公益”的理念,把代码托管、模型共享、数据集托管、智能体开发体验和算力服务整合在一起,为开发者提供从开发、训练到部署的一站式体验。
更多推荐



所有评论(0)