虚拟同步机控制频率支撑及低电压穿越SIMULINK仿真探索
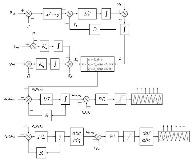
虚拟同步机控制频率支撑及低电压穿越SIMULINK仿真(储能电站+有功无功外环+电压电流内环)。 报告:首先介绍储能电站的结构组成,然后介绍了储能电站虚拟同步机控制策略,通过模拟同步发电机的特性方程,建立了逆变器的数学模型,并设计了有功、无功控制外环以及电压电流控制内环,使储能电站在具有电压源外特性的同时能够实现自同步并网,并在必要时为电网提供电压及频率支撑。 最后,通过仿真验证了储能变流器电路模型的准确性及虚拟同步机控制策略的有效性(包含频率调节的验证及低电压穿越的验证)。

在电力系统领域,储能电站发挥着越来越重要的作用。今天咱就来唠唠虚拟同步机控制频率支撑及低电压穿越的SIMULINK仿真,这其中涉及储能电站,还有有功无功外环以及电压电流内环这些关键部分。
储能电站结构组成
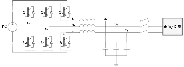
储能电站就像是电力系统的“能量仓库”,它主要由储能装置(比如常见的锂电池组)、功率变换装置(也就是储能变流器)以及相关的控制保护系统构成。储能装置负责储存和释放电能,功率变换装置则在电能的交直流转换中扮演关键角色,而控制保护系统则保障整个电站安全稳定运行。
虚拟同步机控制策略揭秘
虚拟同步机控制策略,简单来说,就是模拟同步发电机的特性方程,给逆变器建立数学模型。为啥要这么做呢?就是为了让储能电站不仅有电压源外特性,还能自同步并网,在电网需要的时候提供电压和频率支撑。

咱们来看看代码实现(这里以简单示意代码为例,并非完整可运行代码):
% 定义一些参数
omega_n = 2*pi*50; % 额定角频率
H = 5; % 虚拟惯性时间常数
D = 0.5; % 阻尼系数
% 模拟同步发电机转子运动方程
function dwdt = rotor_equ(w, Pe, Pm)
dwdt = (Pm - Pe - D*(w - omega_n)) / (2*H);
end
这段代码模拟了同步发电机转子运动方程,omegan 是额定角频率,H 代表虚拟惯性时间常数,D 是阻尼系数。rotorequ 函数根据输入的当前角频率 w,电磁功率 Pe 和机械功率 Pm 来计算角频率的变化率 dwdt。通过调整这些参数,可以改变虚拟同步机的惯性和阻尼特性,从而更好地模拟实际同步发电机的运行。

基于这个,我们设计有功、无功控制外环以及电压电流控制内环。有功控制外环主要调节储能电站输出的有功功率,无功控制外环则负责无功功率的调节。而电压电流内环,是为了更精确地跟踪外环给定的电压和电流指令。
仿真验证
最后就是通过仿真来验证储能变流器电路模型的准确性和虚拟同步机控制策略的有效性。这里面包括频率调节的验证和低电压穿越的验证。

虚拟同步机控制频率支撑及低电压穿越SIMULINK仿真(储能电站+有功无功外环+电压电流内环)。 报告:首先介绍储能电站的结构组成,然后介绍了储能电站虚拟同步机控制策略,通过模拟同步发电机的特性方程,建立了逆变器的数学模型,并设计了有功、无功控制外环以及电压电流控制内环,使储能电站在具有电压源外特性的同时能够实现自同步并网,并在必要时为电网提供电压及频率支撑。 最后,通过仿真验证了储能变流器电路模型的准确性及虚拟同步机控制策略的有效性(包含频率调节的验证及低电压穿越的验证)。

在SIMULINK里搭建好模型,设定不同的工况。比如说,模拟电网频率波动的情况,看看储能电站在虚拟同步机控制下如何快速响应并调节频率。代码实现上,可能类似这样(同样为示意代码):
% 在SIMULINK模型中调用前面定义的函数
% 这里假设已经在模型中设置好了Pe和Pm的输入信号
w0 = omega_n; % 初始角频率
dt = 0.001; % 仿真步长
time = 0:dt:10; % 仿真时间
w = zeros(size(time));
w(1) = w0;
for k = 1:length(time)-1
dwdt = rotor_equ(w(k), Pe(k), Pm(k));
w(k+1) = w(k) + dwdt*dt;
end
这段代码在SIMULINK模型的环境下,按照设定的仿真步长和时间,不断调用前面定义的 rotor_equ 函数,计算角频率随时间的变化。从仿真结果中可以直观地看到,在电网频率波动时,储能电站通过虚拟同步机控制能够有效地调节自身输出功率,进而稳定电网频率。

对于低电压穿越验证,模拟电网电压突然降低的情况,观察储能电站能否在低电压期间保持并网运行,并为电网提供必要的无功支撑。如果仿真结果显示储能电站能够按照预期运行,那就说明我们设计的电路模型和控制策略是有效的。

总的来说,通过对储能电站虚拟同步机控制的研究以及SIMULINK仿真验证,为电力系统的稳定运行提供了重要的技术支持和保障。


AtomGit 是由开放原子开源基金会联合 CSDN 等生态伙伴共同推出的新一代开源与人工智能协作平台。平台坚持“开放、中立、公益”的理念,把代码托管、模型共享、数据集托管、智能体开发体验和算力服务整合在一起,为开发者提供从开发、训练到部署的一站式体验。
更多推荐



所有评论(0)