基于粒子群算法的光伏MPPT(可重启PSO)探索
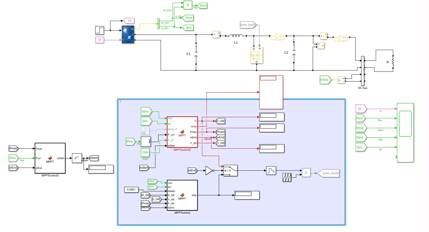
基于粒子群算法的光伏MPPT(可重启PSO) 光伏最大功率追踪算法模型simulink MPPT是基于粒子群算法实现的,同时具备动态追踪能力,当光照改变后会重启粒子群算法进行最大功率追踪
在光伏系统中,最大功率点跟踪(MPPT)技术至关重要,它能确保光伏板始终在最大功率点附近工作,提高发电效率。今天咱们就聊聊基于粒子群算法(PSO)实现的光伏MPPT,而且这个PSO还具备可重启功能哦。
粒子群算法基础
粒子群算法是一种基于群体智能的优化算法。想象一群鸟在一个空间里随机寻找食物,每只鸟就是一个粒子,它们通过自己找到过的最优位置(个体最优解,pbest)以及整个鸟群找到过的最优位置(全局最优解,gbest)来调整自己的飞行方向和速度。用代码简单示意下初始化部分(以Python为例):
import numpy as np
# 粒子数量
n_particles = 50
# 维度(与待优化问题相关,这里假设光伏MPPT相关参数维度为2)
dimensions = 2
# 粒子位置初始化
particles_position = np.random.rand(n_particles, dimensions)
# 粒子速度初始化
particles_velocity = np.random.rand(n_particles, dimensions)
# 个体最优位置
pbest_position = particles_position.copy()
# 个体最优适应度
pbest_fitness = np.full(n_particles, np.inf)
# 全局最优位置
gbest_position = np.zeros(dimensions)
# 全局最优适应度
gbest_fitness = np.inf
这里我们初始化了粒子的位置、速度,以及个体最优和全局最优的相关变量。每个粒子的位置就对应着光伏MPPT中需要优化的参数,比如电压和电流的控制参数等。
光伏MPPT与粒子群算法结合
在光伏MPPT中,我们的目标是找到能使光伏板输出最大功率的工作点。把光伏板的功率作为粒子群算法中的适应度函数。比如下面这个简单的适应度函数计算(假设已有获取光伏板功率的函数 getpvpower):
def fitness_function(position):
power = get_pv_power(position[0], position[1])
return power
在每次迭代中,粒子根据以下公式更新自己的速度和位置:
\[ v{i,d}^{t + 1} = w \cdot v{i,d}^{t} + c1 \cdot r1 \cdot (pbest{i,d}^{t} - x{i,d}^{t}) + c2 \cdot r2 \cdot (gbest{d}^{t} - x{i,d}^{t}) \]
\[ x{i,d}^{t + 1} = x{i,d}^{t} + v_{i,d}^{t + 1} \]

基于粒子群算法的光伏MPPT(可重启PSO) 光伏最大功率追踪算法模型simulink MPPT是基于粒子群算法实现的,同时具备动态追踪能力,当光照改变后会重启粒子群算法进行最大功率追踪
其中,\(v{i,d}\) 是粒子 \(i\) 在维度 \(d\) 的速度,\(x{i,d}\) 是粒子 \(i\) 在维度 \(d\) 的位置,\(w\) 是惯性权重,\(c1\) 和 \(c2\) 是学习因子,\(r1\) 和 \(r2\) 是介于 \(0\) 到 \(1\) 之间的随机数。
代码实现更新部分:
# 惯性权重
w = 0.7
# 学习因子1
c1 = 1.5
# 学习因子2
c2 = 1.5
for t in range(max_iterations):
for i in range(n_particles):
fitness = fitness_function(particles_position[i])
if fitness > pbest_fitness[i]:
pbest_fitness[i] = fitness
pbest_position[i] = particles_position[i]
if fitness > gbest_fitness:
gbest_fitness = fitness
gbest_position = particles_position[i]
r1 = np.random.rand()
r2 = np.random.rand()
particles_velocity[i] = w * particles_velocity[i] + c1 * r1 * (pbest_position[i] - particles_position[i]) + c2 * r2 * (gbest_position - particles_position[i])
particles_position[i] = particles_position[i] + particles_velocity[i]
这样,通过不断迭代,粒子群就能逐渐找到使光伏板功率最大的工作点。
可重启PSO实现动态追踪
当光照条件改变时,之前找到的最大功率点可能不再适用,这就需要重启粒子群算法重新寻找。在Simulink模型中,可以通过检测光照强度的变化信号来触发重启机制。
假设在Simulink中有一个光照强度检测模块,当光照强度变化超过一定阈值时,发出重启信号。在代码层面,我们可以这样实现:
# 假设已有获取光照强度的函数 get_irradiance
previous_irradiance = get_irradiance()
irradiance_threshold = 10 # 光照强度变化阈值
while True:
current_irradiance = get_irradiance()
if abs(current_irradiance - previous_irradiance) > irradiance_threshold:
# 重启粒子群算法
particles_position = np.random.rand(n_particles, dimensions)
particles_velocity = np.random.rand(n_particles, dimensions)
pbest_position = particles_position.copy()
pbest_fitness = np.full(n_particles, np.inf)
gbest_position = np.zeros(dimensions)
gbest_fitness = np.inf
previous_irradiance = current_irradiance
# 正常的粒子群算法迭代部分
for t in range(max_iterations):
for i in range(n_particles):
fitness = fitness_function(particles_position[i])
if fitness > pbest_fitness[i]:
pbest_fitness[i] = fitness
pbest_position[i] = particles_position[i]
if fitness > gbest_fitness:
gbest_fitness = fitness
gbest_position = particles_position[i]
r1 = np.random.rand()
r2 = np.random.rand()
particles_velocity[i] = w * particles_velocity[i] + c1 * r1 * (pbest_position[i] - particles_position[i]) + c2 * r2 * (gbest_position - particles_position[i])
particles_position[i] = particles_position[i] + particles_velocity[i]
这样,当光照改变时,粒子群算法就能重新启动寻找新的最大功率点,实现光伏MPPT的动态追踪。通过Simulink搭建完整的模型,将各个模块合理连接,就能对基于可重启PSO的光伏MPPT进行全面的仿真和验证啦。

希望通过这篇博文,大家对基于粒子群算法的光伏MPPT(可重启PSO)有更清晰的认识,一起探索光伏领域更多有趣的技术。
AtomGit 是由开放原子开源基金会联合 CSDN 等生态伙伴共同推出的新一代开源与人工智能协作平台。平台坚持“开放、中立、公益”的理念,把代码托管、模型共享、数据集托管、智能体开发体验和算力服务整合在一起,为开发者提供从开发、训练到部署的一站式体验。
更多推荐



所有评论(0)