三相两电平整流器Simulink仿真探究
三相两电平整流器simulink仿真 (可提供资料来源以及轻微) 空间矢量调制(Svpwm) 电压电流双闭环控制。 dq解耦控制。 现设定Id为5A,追踪完美,需要更改可自行调节并容电阻(非串感电阻)大小(可指导)。 Iq在0.5s时由0完成到5A的阶跃,追踪完美。 系统电压追踪稳定时间短,超调量低,性能完好。 本模型能提供技术资料来源 (matlab版本为2019a和2016b,如需要其他低级版本可以加好友包装,高版本matlab能直接打开,放心使用)

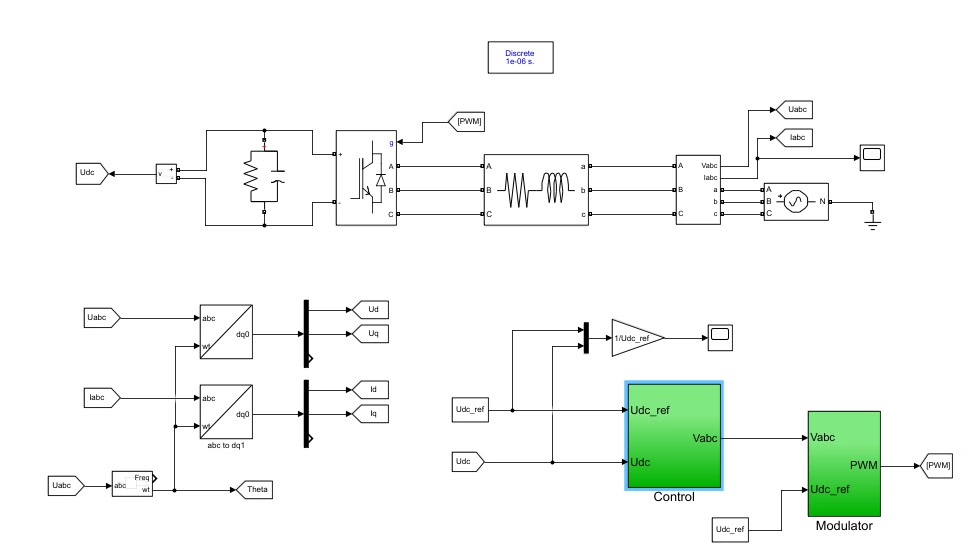
在电力电子领域,三相两电平整流器有着广泛应用。今天咱就来唠唠基于空间矢量调制(SVPWM)、电压电流双闭环控制以及dq解耦控制的三相两电平整流器Simulink仿真实现。
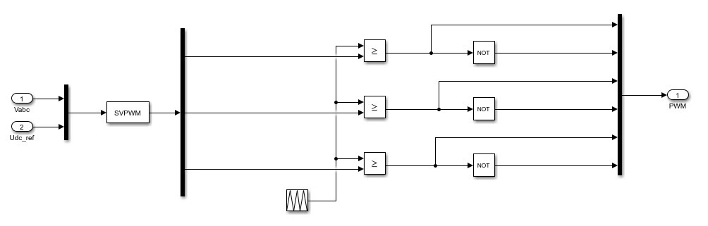
空间矢量调制(SVPWM)
SVPWM可是个关键技术,它通过合理选择逆变器的开关状态,使得逆变器输出的电压矢量在空间上合成接近正弦的旋转磁场。简单理解,就像是给逆变器各个开关定了个精确的开合时间表,让输出电压能精准模拟正弦波。

咱来看段简单的SVPWM代码(以Matlab为例):
% SVPWM模块关键代码
T = 1/50; % 基波周期
Ts = 1e-5; % 采样周期
N = T/Ts; % 一个周期内的采样点数
for k = 1:N
% 计算三相电压参考值
ualpha_ref = Um * cos(2*pi*f*k*Ts);
ubata_ref = Um * sin(2*pi*f*k*Ts);
% 扇区判断及作用时间计算
% 此处省略复杂计算过程,大致是根据参考电压矢量位置确定扇区,并计算各个基本电压矢量作用时间
% 最终得到T1,T2,T0
% SVPWM波生成
% 根据T1,T2,T0确定逆变器开关状态
end
这段代码里,先设定了基波周期、采样周期,然后在一个基波周期内循环计算三相电压参考值,接着通过复杂计算判断扇区并确定各个基本电压矢量作用时间,最后根据这些时间确定逆变器开关状态,从而生成SVPWM波。
电压电流双闭环控制与dq解耦控制
电压电流双闭环控制能让系统的输出电压和电流更稳定。电流环作为内环,快速响应电流变化,电压环作为外环,保证输出电压稳定。

三相两电平整流器simulink仿真 (可提供资料来源以及轻微) 空间矢量调制(Svpwm) 电压电流双闭环控制。 dq解耦控制。 现设定Id为5A,追踪完美,需要更改可自行调节并容电阻(非串感电阻)大小(可指导)。 Iq在0.5s时由0完成到5A的阶跃,追踪完美。 系统电压追踪稳定时间短,超调量低,性能完好。 本模型能提供技术资料来源 (matlab版本为2019a和2016b,如需要其他低级版本可以加好友包装,高版本matlab能直接打开,放心使用)

dq解耦控制则是把三相交流量转换到dq旋转坐标系下,实现对电流的解耦控制,让控制变得更简单有效。比如将三相电流\[ia, ib, ic\]通过克拉克变换和帕克变换,转换为\[id, i_q\]。
代码实现
% dq解耦控制代码示例
% 克拉克变换
function [ialpha, ibeta] = clarke(i_a, i_b, i_c)
ialpha = i_a;
ibeta = 1/sqrt(3) * (2*i_b + i_c);
end
% 帕克变换
function [id, iq] = park(ialpha, ibeta, theta)
id = ialpha * cos(theta) + ibeta * sin(theta);
iq = -ialpha * sin(theta) + ibeta * cos(theta);
end
在上述代码中,clarke函数实现了克拉克变换,park函数实现了帕克变换,将三相静止坐标系下的量转换到dq旋转坐标系,方便后续的控制算法设计。
仿真设定与结果
现设定 Id 为 5A,追踪要做到完美。如果要调节,咱可以自行调整容电阻(非串感电阻)大小。比如在Simulink模型中,找到对应的电阻电容模块,双击就能修改参数。

Iq 在 0.5s 时由 0 完成到 5A 的阶跃,并且追踪也要完美。从仿真结果来看,系统电压追踪稳定时间短,超调量低,性能完好。这得益于前面提到的控制策略,能快速调整电流,稳定电压。

本模型Matlab版本为2019a和2016b ,高版本Matlab能直接打开。要是需要其他低级版本,可以加好友帮忙包装。模型还能提供技术资料来源,方便大家进一步研究学习。通过这次仿真探究,对三相两电平整流器的控制策略和性能有了更深入的理解,希望能给大家带来启发。



AtomGit 是由开放原子开源基金会联合 CSDN 等生态伙伴共同推出的新一代开源与人工智能协作平台。平台坚持“开放、中立、公益”的理念,把代码托管、模型共享、数据集托管、智能体开发体验和算力服务整合在一起,为开发者提供从开发、训练到部署的一站式体验。
更多推荐

所有评论(0)