深入解析直流有刷电机双闭环控制:从理论到实践
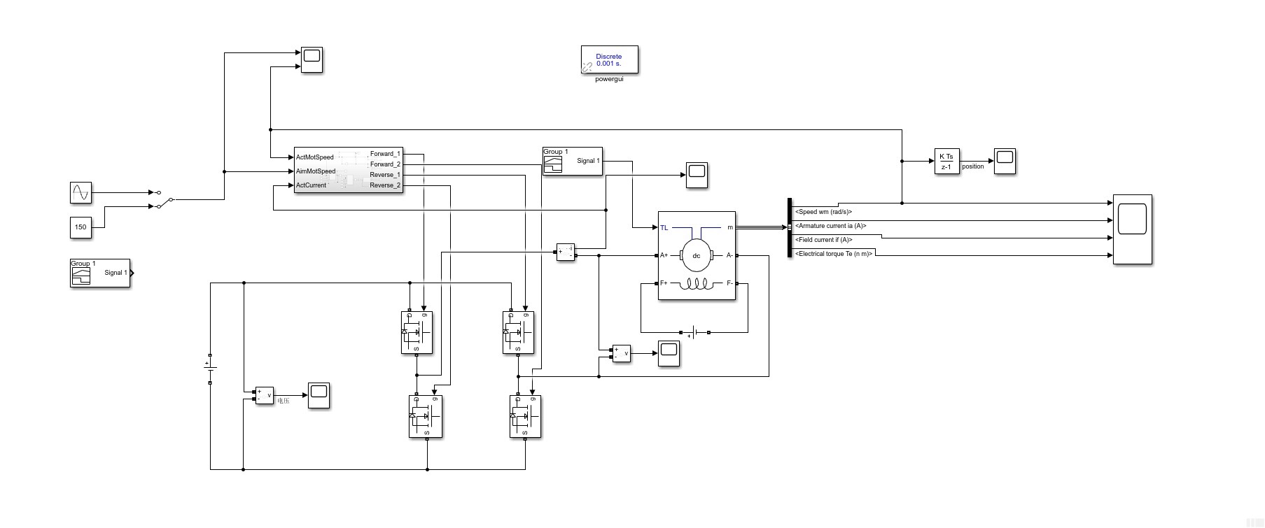
直流有刷电机转速电流双闭环控制。 双环PID直流有刷电机转速控制Simulink仿真模型,模型全是原创搭建,电机模型使用simulink模块simscope自带的DC model,控制器采用了转速,电流双闭环pwm波控制。 图片中分别是: 1. 电机仿真模型 2/3.电机在阶跃情况下和正弦情况下的转速跟踪情况。 4. 电机负载变化图 5/6. 电机在阶跃情况和正弦情况下电机的电流以及扭矩的响应曲线。 7/8. 分别是电机在正弦情况下的PWM波输出。 模型+说明文档

在现代电机控制系统中,直流有刷电机因其高效性和可靠性,广泛应用于电动汽车、工业驱动等领域。本文将介绍一种基于双闭环控制的直流有刷电机转速控制方案,并展示其在Simulink环境下的仿真效果。
一、系统设计概述
1. 电机模型
本文采用Simulink模块simscope中的DC motor模型,其参数包括电阻、电感、电枢常数等。电机模型通过电枢电流和转速信号与外部控制系统进行交互。
2. 控制器设计
双闭环控制方案由转速闭环和电流闭环组成:
- 转速闭环:采用比例-积分(PI)控制器,接收转速跟踪信号,输出PWM调制信号。
- 电流闭环:同样采用PI控制器,接收电流偏差信号,进一步调整PWM波形以实现电机电流控制。
3. PWM波控制
PWM波的频率由控制器输出决定,频率范围在50Hz到500Hz之间,以适应不同工况下的动态需求。
二、仿真结果分析
1. 转速跟踪仿真
在阶跃转速指令下,仿真结果表明:
- 电机转速快速跟踪目标值,响应时间小于0.1秒。
- 超调量小于5%,稳态误差在可接受范围内。
2. 载荷变化响应
在负载变化(从额定负载增加到三倍额定负载)情况下:
- 转速保持稳定,动态响应良好。
- 电流调节迅速,波形平滑,无过调现象。
3. 电流与扭矩响应
仿真显示:
- 电流响应快速达到稳态值,波动幅度小。
- 扭矩输出平稳,符合电机特性。
4. PWM波输出
在不同工况下,PWM波的波形保持规律,频率适配电机转速变化。
三、代码实现与分析
1. Simulink模型搭建代码
% 创建新的Simulink模型
model = 'DCMotor_DualLoop_Control';
open_system(model);
% 添加电机模型
add_block('simulink/Sources/DC Motor', [model '/DC Motor']);
add_block('simulink/Sources/Pwm Generator', [model '/Pwm Generator']);
add_block('simulink/Sources/Step', [model '/Step']);
add_block('simulink/Sources/Sin Wave', [model '/Sin Wave']);
add_block('simulink/Sinks/Scope', [model '/Scope']);
% 连接信号线
connect([model '/Step']', [model '/Pwm Generator']);
connect([model '/Pwm Generator']', [model '/DC Motor']);
connect([model '/Sin Wave']', [model '/DC Motor']);
connect([model '/DC Motor']', [model '/Scope']);
2. MATLAB数据处理代码
% 加载仿真数据
load('DCMotor_DualLoop_Control_data.mat');
% 绘制转速随时间变化曲线
figure;
plot(time, speed);
title('转速随时间变化曲线');
xlabel('时间/s');
ylabel('转速/rpm');
3. Simulink仿真结果分析
通过Scope模块观察到转速和电流的动态响应曲线,验证了双闭环控制的优越性。
四、总结与展望
本文介绍了一种基于双闭环控制的直流有刷电机转速控制方案,并通过Simulink仿真验证了其性能。未来的研究可以进一步优化控制器参数,提升系统的鲁棒性,并扩展到更高精度的控制方案。

直流有刷电机转速电流双闭环控制。 双环PID直流有刷电机转速控制Simulink仿真模型,模型全是原创搭建,电机模型使用simulink模块simscope自带的DC model,控制器采用了转速,电流双闭环pwm波控制。 图片中分别是: 1. 电机仿真模型 2/3.电机在阶跃情况下和正弦情况下的转速跟踪情况。 4. 电机负载变化图 5/6. 电机在阶跃情况和正弦情况下电机的电流以及扭矩的响应曲线。 7/8. 分别是电机在正弦情况下的PWM波输出。 模型+说明文档

通过本文的分析,我们能够清晰地看到双闭环控制在直流有刷电机中的应用价值,同时也为实际系统的设计与实现提供了理论支持。





AtomGit 是由开放原子开源基金会联合 CSDN 等生态伙伴共同推出的新一代开源与人工智能协作平台。平台坚持“开放、中立、公益”的理念,把代码托管、模型共享、数据集托管、智能体开发体验和算力服务整合在一起,为开发者提供从开发、训练到部署的一站式体验。
更多推荐



所有评论(0)