基于滑膜观测器的无传感永磁同步电机空间电压矢量控制仿真模型附Simulink仿真
✅作者简介:热爱科研的Matlab仿真开发者,擅长数据处理、建模仿真、程序设计、完整代码获取、论文复现及科研仿真。
🍎 往期回顾关注个人主页:Matlab科研工作室
🍊个人信条:格物致知,完整Matlab代码及仿真咨询内容私信。
🔥 内容介绍
一、模型设计背景与意义
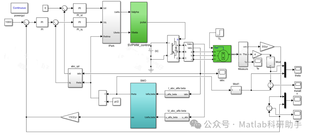
永磁同步电机(PMSM)凭借高效能、高功率密度、低损耗等优势,广泛应用于新能源汽车、工业伺服、轨道交通等领域。传统矢量控制依赖光电编码器、旋转变压器等位置传感器获取转子位置与转速信息,虽能保证控制精度,但增加了系统成本、体积及安装复杂度,且在振动、高温、粉尘等恶劣工况下易出现故障,降低系统可靠性。
无传感控制技术通过检测电机定子电压、电流等易获取的电气信号,结合观测器算法估算转子位置与转速,可有效解决传感器带来的弊端,实现系统小型化、低成本与高可靠性。滑模观测器(SMO)因结构简单、响应速度快、鲁棒性强,对参数摄动和外部扰动具有良好的抑制能力,成为无传感永磁同步电机控制的主流观测器方案之一。
空间电压矢量调制(SVPWM)作为矢量控制的核心调制策略,通过合成空间电压矢量实现对电机磁链和转矩的精准控制,相比传统正弦脉宽调制(SPWM),具有直流母线电压利用率高、转矩脉动小、控制性能更优的特点。将滑模观测器与空间电压矢量控制相结合,搭建无传感仿真模型,可实现PMSM的高效、精准、可靠控制,为实际工程应用提供理论支撑与仿真验证,具有重要的工程价值与研究意义。
二、核心理论基础






四、模型优化方向
本仿真模型虽能实现无传感永磁同步电机的空间电压矢量控制,但仍有优化空间,可从以下方面进一步提升控制性能:
-
滑模观测器优化:采用高阶滑模观测器或自适应滑模观测器,进一步抑制抖振,提升低速和零速工况下的位置估算精度;引入Sigmoid函数替代饱和函数,或采用自适应滑模增益,动态调整k值,平衡收敛速度与抖振抑制效果。
-
SVPWM算法优化:采用改进型SVPWM算法(如五段式、九段式),进一步降低转矩脉动;结合死区补偿技术,消除逆变器死区时间带来的电压误差,提升控制精度。
-
控制策略优化:引入模型参考自适应控制(MRAC)与滑模观测器结合,提升系统对参数摄动和外部扰动的鲁棒性;采用预测控制与SVPWM结合,进一步提升系统动态响应速度。
-
实际工况适配:添加电磁干扰、温度变化等实际工况扰动模块,使仿真模型更贴近工程实际,为实际硬件开发提供更精准的参考。
五、总结
本文基于MATLAB/Simulink平台,搭建了基于滑模观测器的无传感永磁同步电机空间电压矢量控制仿真模型,明确了模型的核心组成、理论基础和搭建步骤,通过自定义滑模观测器函数实现转子位置与转速的无传感估算,结合SVPWM调制策略实现电机的精准控制。
仿真验证表明,该模型具有良好的动态响应、稳态精度和鲁棒性,在低速启动、负载突变、参数摄动等工况下,均能实现稳定控制,转子位置估算误差较小,满足无传感控制的工程需求。该模型可作为无传感永磁同步电机控制算法研究、参数整定和工程应用的基础,通过进一步优化,可适配更多复杂工况,具有较高的工程实用价值。
⛳️ 运行结果



🔗 参考文献
[1] 黄斌,潘云蛟.MATLAB/SIMULINK永磁同步电机无传感器矢量控制系统仿真[J].电子世界, 2013(21):3.DOI:10.3969/j.issn.1003-0522.2013.21.018.
[2] 刘军.基于滑模观测器的PMSM无位置传感器矢量控制的研究[D].浙江大学,2014.
📣 部分代码
🎈 部分理论引用网络文献,若有侵权联系博主删除
👇 关注我领取海量matlab电子书和数学建模资料
🏆团队擅长辅导定制多种科研领域MATLAB仿真,助力科研梦:
🌈 各类智能优化算法改进及应用
生产调度、经济调度、装配线调度、充电优化、车间调度、发车优化、水库调度、三维装箱、物流选址、货位优化、公交排班优化、充电桩布局优化、车间布局优化、集装箱船配载优化、水泵组合优化、解医疗资源分配优化、设施布局优化、可视域基站和无人机选址优化、背包问题、 风电场布局、时隙分配优化、 最佳分布式发电单元分配、多阶段管道维修、 工厂-中心-需求点三级选址问题、 应急生活物质配送中心选址、 基站选址、 道路灯柱布置、 枢纽节点部署、 输电线路台风监测装置、 集装箱调度、 机组优化、 投资优化组合、云服务器组合优化、 天线线性阵列分布优化、CVRP问题、VRPPD问题、多中心VRP问题、多层网络的VRP问题、多中心多车型的VRP问题、 动态VRP问题、双层车辆路径规划(2E-VRP)、充电车辆路径规划(EVRP)、油电混合车辆路径规划、混合流水车间问题、 订单拆分调度问题、 公交车的调度排班优化问题、航班摆渡车辆调度问题、选址路径规划问题、港口调度、港口岸桥调度、停机位分配、机场航班调度、泄漏源定位
🌈 机器学习和深度学习时序、回归、分类、聚类和降维
2.1 bp时序、回归预测和分类
2.2 ENS声神经网络时序、回归预测和分类
2.3 SVM/CNN-SVM/LSSVM/RVM支持向量机系列时序、回归预测和分类
2.4 CNN|TCN|GCN卷积神经网络系列时序、回归预测和分类
2.5 ELM/KELM/RELM/DELM极限学习机系列时序、回归预测和分类
2.6 GRU/Bi-GRU/CNN-GRU/CNN-BiGRU门控神经网络时序、回归预测和分类
2.7 ELMAN递归神经网络时序、回归\预测和分类
2.8 LSTM/BiLSTM/CNN-LSTM/CNN-BiLSTM/长短记忆神经网络系列时序、回归预测和分类
2.9 RBF径向基神经网络时序、回归预测和分类
2.10 DBN深度置信网络时序、回归预测和分类
2.11 FNN模糊神经网络时序、回归预测
2.12 RF随机森林时序、回归预测和分类
2.13 BLS宽度学习时序、回归预测和分类
2.14 PNN脉冲神经网络分类
2.15 模糊小波神经网络预测和分类
2.16 时序、回归预测和分类
2.17 时序、回归预测预测和分类
2.18 XGBOOST集成学习时序、回归预测预测和分类
2.19 Transform各类组合时序、回归预测预测和分类
方向涵盖风电预测、光伏预测、电池寿命预测、辐射源识别、交通流预测、负荷预测、股价预测、PM2.5浓度预测、电池健康状态预测、用电量预测、水体光学参数反演、NLOS信号识别、地铁停车精准预测、变压器故障诊断
🌈图像处理方面
图像识别、图像分割、图像检测、图像隐藏、图像配准、图像拼接、图像融合、图像增强、图像压缩感知
🌈 路径规划方面
旅行商问题(TSP)、车辆路径问题(VRP、MVRP、CVRP、VRPTW等)、无人机三维路径规划、无人机协同、无人机编队、机器人路径规划、栅格地图路径规划、多式联运运输问题、 充电车辆路径规划(EVRP)、 双层车辆路径规划(2E-VRP)、 油电混合车辆路径规划、 船舶航迹规划、 全路径规划规划、 仓储巡逻
🌈 无人机应用方面
无人机路径规划、无人机控制、无人机编队、无人机协同、无人机任务分配、无人机安全通信轨迹在线优化、车辆协同无人机路径规划
🌈 通信方面
传感器部署优化、通信协议优化、路由优化、目标定位优化、Dv-Hop定位优化、Leach协议优化、WSN覆盖优化、组播优化、RSSI定位优化、水声通信、通信上传下载分配
🌈 信号处理方面
信号识别、信号加密、信号去噪、信号增强、雷达信号处理、信号水印嵌入提取、肌电信号、脑电信号、信号配时优化、心电信号、DOA估计、编码译码、变分模态分解、管道泄漏、滤波器、数字信号处理+传输+分析+去噪、数字信号调制、误码率、信号估计、DTMF、信号检测
🌈电力系统方面
微电网优化、无功优化、配电网重构、储能配置、有序充电、MPPT优化、家庭用电
🌈 元胞自动机方面
交通流 人群疏散 病毒扩散 晶体生长 金属腐蚀
🌈 雷达方面
卡尔曼滤波跟踪、航迹关联、航迹融合、SOC估计、阵列优化、NLOS识别
🌈 车间调度
零等待流水车间调度问题NWFSP 、 置换流水车间调度问题PFSP、 混合流水车间调度问题HFSP 、零空闲流水车间调度问题NIFSP、分布式置换流水车间调度问题 DPFSP、阻塞流水车间调度问题BFSP
👇
AtomGit 是由开放原子开源基金会联合 CSDN 等生态伙伴共同推出的新一代开源与人工智能协作平台。平台坚持“开放、中立、公益”的理念,把代码托管、模型共享、数据集托管、智能体开发体验和算力服务整合在一起,为开发者提供从开发、训练到部署的一站式体验。
更多推荐



所有评论(0)